时间:2010-02-05 09:31
人气:
作者:admin
HART通信协议在现场仪表远程通信中的实现
1 HART协议简介
HART(Highway Addressable Remote Transducer),可寻址远程传感器高速通道的开放通信协议,是美国Rosemen公司于1985年推出的一种用于现场智能仪表和控制室设备之间的通信协议。
HART装置提供具有相对低的带宽,适度响应时间的通信,经过10多年的发展,HART技术在国外已经十分成熟,并已成为全球智能仪表的工业标准。
HART协议采用基于Bell202标准的FSK频移键控信号,在低频的 4~20mA模拟信号上叠加幅度为0.5mA的音频数字信号进行双向数字通讯,数据传输率为1.2Mbps。由于FSK信号的平均值为0,不影响传送给控制系统模拟信号的大小,保证了与现有模拟系统的兼容性。
在HART协议通信中,主要的变量和控制信息由4~20mA传送,在需要的情况下,另外的测量、过程参数、设备组态、校准、诊断信息通过HART协议访问。
HART通信采用的是半双工的通信方式。
HART协议参考 ISO/OSI(开放系统互连模型 ),采用了它的简化三层模型结构,即第一层物理层,第二层数据链路层和第七层应用层。
第一层:物理层。规定了信号的传输方法、传输介质,为了实现模拟通信和数字通信同时进行而又互不干扰,HART协议采用频移键控技术 FSK,即在4~20mA模拟信号上迭加一个频率信号,频率信号采用 Be11202国际标准,数字信号的传送波特率设定为 1200bps,1200Hz代表逻辑“0”,2200Hz代表逻辑“1”,信号幅值0.5A,如图 1所示。

通信介质的选择视传输距离长短而定。通常采用双绞同轴电缆作为传输介质时,最大传输距离可达到1500m。线路总阻抗应在230~1100Ω之间。
第二层:数据链路层。规定了HART帧的格式,实现建立、维护、终结链路通讯功能。HART协议根据冗余检错码信息,采用自动重复请求发送机制,消除由于线路噪音或其他干扰引起的数据通讯出错,实现通讯数据无差错传送。
现场仪表要执行HART指令,操作数必须合乎指定的大小。每个独立的字符包括1个起始位、8个数据位、1个奇偶校验位和一个停止位。由于数据的有无和长短并不恒定,所以HART数据的长度也是不一样的,最长的HART数据包含25个字节。
第七层:应用层。为HART命令集,用于实现 HART指令。命令分为三类,即通用命令、普通命令和专用命令。
2 现场仪表HART协议远程通信硬件设计
某现场仪表的HART协议部分主要完成数字信号到模拟电流信号的转换,并实现对主要变量和测量、过程参数、设备组态、校准及诊断信息的访问。图2是HART协议通信模块结构设计框图。

HART通信部分主要由D/A转换和Bell202 MODEM及其附属电路来实现。其中,D/A变换作用是直接将数字信号转换成4~20mA电流输出,以输出主要的变量。Bell202 MODEM及其附属电路的作用是对叠加在4~20mA环路上的信号进行带通滤波放大后,HART通信单元如果检测到FSK频移键控信号,则由 Bell202 MODEM将1200Hz的信号解调为“1”,2200Hz信号解调为“0”的数字信号,通过串口通信交MCU,MCU接收命令帧,作相应的数据处理。然后,MCU产生要发回的应答帧,应答帧的数字信号由MODEM调制成相应的1200Hz和2200Hz的FSK频移键控信号,波形整形后,经AD421叠加在环路上发出。
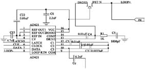
D/A变换器采用AD421,它是美国ADI公司推出的一种单片高性能数模转换器,由环路供电,16位数字信号以串行方式输入,可以将数字信号直接转换成4~20mA电流输出。它提供了高精度、全集成、低功耗的解决方案,采用16引脚DIP、TSSOP、SOIC封装,可实现低成本的远程智能工业控制。 AD421包括串行输入16位 D/A(数字/电流 )转换,除自身用电外,还提供可选择的 (5V,3.3 V或 3 V)稳压输出供变送器其他部分用电。
HART MODEM采用 Smar公司的 HT2012,是符合Bell202标准的半双工调制解调器,实现HART协议规定的数字通信的编码或译码。该芯片专为 HART仪器设计,片内集成了符合 BELL202标准的调制器、解调器、时钟及定时电路、检测控制电路。性价比较高,16脚 DIP和28脚PLCC封装,在+5V供电时工作电流80μA。HT2012与微控制器交换数字信号,同AD421作模拟信号接口。它一方面与MCU的异步串行通信口进行串行通信,一方面将输入的不归零的数字信号调制成FSK信号,再经AD421叠加在4~20mA的回路上输出,或者将回路信号经带通滤波、放大整形后取出FSK信号解调为数字信号,从而实现HART通信。
对于HART MODEM所需要的输入时钟,采用7.3728MHz的晶振通过两个计数器74LS161进行两次4分频,得到16分频的时钟。
由于HART数字通信的要求,有0.5mA的正弦波电流信号叠加在4mA电流上,因此整个硬件电路必须保证在3.5mA以下还能正常工作,因此实现系统的低功耗设计非常重要。
图3和图4分别是采用的AD421和HT2012的外围电路图。


3 通信的软件设计
HART通信程序也即为HART协议数据链路层和应用层的软件实现,是整个现场仪表软件设计的关键。
在HART通信过程中,主机(上位机)发送命令帧,现场仪表通过串行口中断接收到命令帧后,由MCU作相应的数据处理,产生应答帧,由MCU触发发送中断,发出应答帧,从而完成一次命令交换。
首先在上电或者看门狗复位后,主程序要对通信部分进行初始化,主要包括波特率设定、串口工作方式设定、清通信缓冲区、开中断等。
在初始化完成之后通讯部分就一直处在准备接收状态下,一旦上位机有命令发来,HT2012的载波检测口OCD变为低电平,触发中断,启动接收,程序就进入接收部分。然后完成主机命令的解释并根据命令去执行相应的操作,最后按一定的格式生成应答帧并送入通信缓冲区,启动发送,完成后关闭SCI。
图5是串行接收请求帧、回复应答帧程序的流程图。

在发送应答帧之后,再次进入等待状态,等待下一条主机命令。
4 结语
实践证明,上述方法具有结构简单、工作可靠的特点,完全符合HART协议,具有较好的通用性。
由于HART众多不容置疑的优点,使得它成为全球应用最广的现场通信协议,已成为工业上实用的标准。因此在今后很长一段时期内,HART协议产品在国内仍然具有十分广阔的市场。