时间:2010-01-04 14:34
人气:
作者:admin
VDSL2技术发展及芯片解决方案分析
通过传统电话线路(POTS)实现数据传输的技术,从1996年以前的模拟调制解调器(V.32, V.34, 56K)演变成了后来的非对称数字用户线路(ADSL),真正实现了宽带互联网接入。ADSL技术最早是ANSI T1.413,历经了ADSL(G.dmt 和G.Lite)、ADSL2 (G.dmt.bis 和G.Lite.bis)、ADSL2+、VDSL,发展到今天的终极版本VDSL2。
DSL技术每次的演进涉及频谱扩展、提高传输速率和距离、增强稳定性和互通性、缩短上线时间、完[page_break] 善自检功能等等。扩展频谱是利用更宽的频谱使得在同一根电话线上能够传输更高的速率,由于在等长的电话线上高频部分信号更加容易被衰减,为了使得扩展后的频段(高频部分)能够被有效地使用,传输距离 – 即从局端(CO)到客户端(CPE)的距离就需要缩短,十几年来电信基础设施的发展满足了这种需求。
除了上述已被全球运营商广泛使用的ADSL技术外,还有一些特殊应用的DSL技术,例如HDSL、SDSL、HDSL2和HSDSL。
VDSL2技术
VDSL2的ITU正式编号为G.993.2,它是在ADSL2和VDSL标准的基础上发展而来的。VDSL2进一步扩展了VDSL的频谱,使得在短距离环路上数据传送速率得到更大提高,300米内的双向速率和可达到200M;同时VDSL2延续了ADSL2的长距离环路传输的能力,保持了QoS功能,如双延迟通道、交织与解交织等,满足宽带用户对无干扰视频传输和电信级VoIP服务的质量要求,从而确保“三网合一”业务的大规模开展。
ITU-T G.993.2 VDSL2标准在附录中(Annex A/B/C)定义了四个频率分配计划,以对应于不同地区的需求:Annex A – 北美地区;Annex B – 欧洲地区(Annex B里面定义了两个频带计划997和998,分别提供上下行对称和非对称带宽);Annex C – 日本。
VDSL2共定义了8个传输模板,分别为8a、8b、8c、8d、12a、12b、17a和30a。每个传输模板定义了一个参数集合,包括发送功率、子通道带宽、最大频宽、速率等设置。支持VDSL2标准的产品可以依照本地的规范要求,只支持其中至少一个传输模板,从而简化设计实现的复杂性。支持VDSL2标准的产品除了支持至少一个传输模板外,VDSL2的收发器还应该符合至少有一个在附录中(Annex A/B/C)定义的频率分配计划。
VDSL2芯片解决方案
DSL芯片包括数据通道和模拟前后端两部分。数据通道是用来实现DSL的标准和协议,如ADSL的G.992.1、ADSL2的G.992.3,传统的实现方式都是采用数字信号处理器(DSP),因此业内通常将DSL芯片的数据通道部分称做DSP。随着VDSL2的标准将使用频段由ADSL2+的2.2MHz扩展到30MHz,如果还是沿用传统的DSP方式的话DSP的数据处理量就提高了16倍,对于DSP的处理能力、芯片的功耗等都是一种极限的挑战。
全球目前主要的VDSL2芯片供应商有Broadcom、Infineon和Ikanos,他们都提供VDSL2 CO和CPE的完整芯片解决方案并且已经在使用。DSL IP供应商Aware拥有各类DSL IP核,向Centillium、PMC-Sierra提供过VDSL2 IP并已应用在他们的VDSL2芯片中。

图1、TRI-VSP200 CPE 芯片框图。

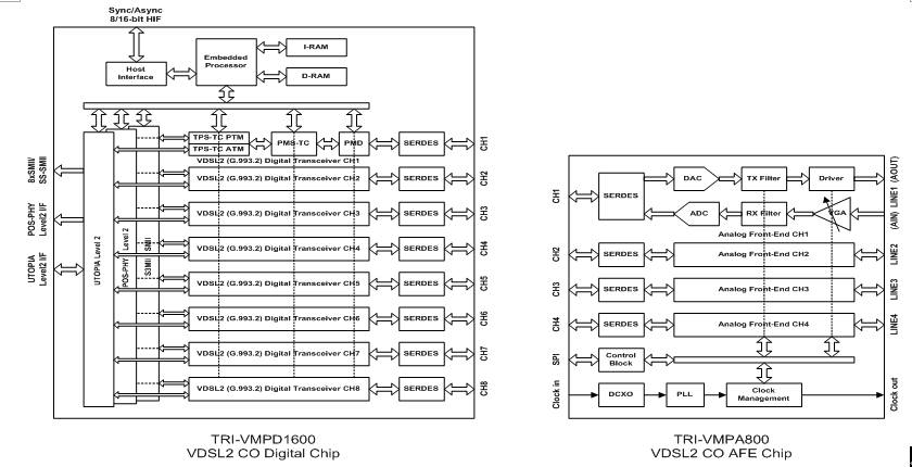
图2 创达特科技VDSL2 CO套片框图
创达特科技开发出的Triathlon系列VDSL2 CO套片和CPE芯片,均采用自有的多功能分享式硬件加速器架构和硬件并行光滑处理专利技术,同时支持VDSL2标准定义的8种频谱配置,支持每秒各100M的上下行线速,并支持双延时通道。硬件电路密切配合VDSL2物理层PMD和PMS的需求,承担了大部分数据处理,减轻CPU的负担,降低芯片内部的时钟主频率,实现高集成度和低功耗。
其中,VDSL2 CPE单芯片TRI-VSP200结合了G.993.2的数据通路和模拟前后端(AFE),简化了设备厂商的系统设计。TRI-VSP200完全实现了VDSL2的标准和功能,支持8个传输模板,与主流VDSL2 CO厂家如Broadcom、Infineon、Ikanos的CO芯片实现了互联互通。TRI-VSP200的应用软件支持TR-069、DHCP、PPPoE、Telnet以及Web Server和Web Client。TRI-VSP200主要应用在VDSL2 CPE设备,可以直接工作在VDSL2桥接模式(Bridge Mode),也可以和第三方家庭网关方案组合成VDSL2家庭网关设备。
8端口VDSL2 CO套片由一颗8端口数字芯片TRI-VMPD1600和两颗各4端口的模拟前后端芯片TRI-VMPA800构成,它们可以同时支持包括30a在内的VDSL2所有8个传输模板,并且和主流VDSL2 CPE芯片以及ADSL2、ADSL2+芯片实现了互联互通和反向兼容。
TRI-VMPD1600物理层实现了TPS-TC PTM和TPS-TC ATM工作模式,支持双延迟通道和可编程深度的交织解交织,并提供UTOPIA L2、POS-PHY L2或S/S3MII网络接口;它的CPU配备有内置I-RAM和D-RAM,完全不需要外部存储器;系统设计可利用TRI-VMPD1600的同步/异步模式8/16位主控CPU接口对它进行配置和控制,还可以选用外部串口FLASH实现无主控CPU的工作模式。
TRI-VMPA800高性能4端口VDSL2模拟前后端芯片的30MHz频率范围,支持VDSL2所有频段和所有ADSL频段。在芯片的发送和接收端分别实现了高精度的数模和模数转换,并且集成了支持所有8个传输模板的发送和接收滤波器;芯片内置的数控晶体振荡器支持多种时钟源,并且可以提供整组CO套片的时钟,从而简化了系统设计;每个VDSL2端口可以独立被设置成低功耗的睡眠模式。

图3 Triathlon系列VDSL2芯片的专线应用。
TRI-VMPD1600和TRI-VMPA800都支持JTAG(IEEE 1149.1)边界扫描,支持工业级温度范围(-40?C ~ +85?C)。
Triathlon系列VDSL2 CO套片主要应用在数字用户线路接入复用器(DSLAM)、远程终端(RT)和复合式建筑多用户接入设备(MDU)中。
Triathlon系列VDSL2芯片的另一类应用是解决IP数据在各类铜线上的传输。TRI-VSP200 VDSL2用户端单芯片可应用在点对点专线设备。采用TRI-VSP200设计的VDSL2专线设备将两端产品定义为“A端设备”(局端)和“B端设备”(用户端),仅通过一个转换开关就能选择设备的工作模式,从而简化了产品类型并且便于设备的安装使用。
我们也可以采用VDSL2 MDU集中接入和管理多个B端设备,实现点对多点专线。VDSL2 MDU的设计可以采用Triathlon系列VDSL2局端套片解决方案,可支持8路B端设备。套片和上行千兆网口之间可选用8xS3MII或POS-PHY加千兆网口类型的网络处理芯片。
本文小结
VDSL2专线的应用场景很多,涉及面也很广,运用这项技术我们可以把任何铜线资源变成百兆以太网线用来承载各种IP业务,例如视频(IPTV)、电话(VoIP)和数据(IP Data),提供影视娱乐、语音通话、数据传送等服务。VDSL2专线可以广泛应用在大众传媒、铁路及城市交通、冶金矿山、安防监控、野战通信等众多领域。
虽然现有的大部分铜线资源是符合电信规格的电话线,但还是有些铜线在线径、双绞程度、绝缘层上和标准电话线有差别,这会造成在某些VDSL2传送频段内信号对频率响应的异变,直接影响传输速率甚至会导致两端设备不能正常连接。还有些线路在使用过程中会经常移动并且容易受到外部环境的干扰,如矿井里的电话线,这同样会对VDSL2的信道产生影响。Triathlon系列VDSL2芯片具有信道重估以及双延迟、交织与解交织等功能,能够很好地应对上述这些专线实际应用中可能面临到的实际情况。
上一篇:总线技术学习初探