全球最实用的IT互联网信息网站!

AI人工智能P2P分享&下载搜索网页发布信息网站地图

当前位置:诺佳网 > 电子/半导体 > 通信网络 >

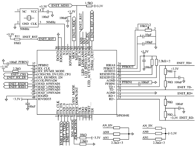
以太网接口的PHY设备的硬件电路

时间:2010-01-12 10:42

人气:

作者:admin

标签: 以太网 

导读:以太网接口的PHY设备的硬件电路-LPC23xx对DP83848I的配置过程如下: ① 发送脉宽大于1 μs的复位信号,等待自动协商过程完成; ② 查询基本模式状态寄存器(BMSR)的第5位,当该位...
LPC23xx对DP83848I的配置过程如下:

  ① 发送脉宽大于1 μs的复位信号,等待自动协商过程完成;
  ② 查询基本模式状态寄存器(BMSR)的第5位,当该位变高时,表明自动协商过程完成,结束等待;
  ③ 查询BMSR的15、14、13、12和11位,获取以太网接口的工作方式;
  ④ 配置LPC23xx以太网控制器的工作方式。


图3 以太网接口的PHY设备的硬件电路


温馨提示:以上内容整理于网络,仅供参考,如果对您有帮助,留下您的阅读感言吧!
相关阅读
本类排行
相关标签
本类推荐

CPU | 内存 | 硬盘 | 显卡 | 显示器 | 主板 | 电源 | 键鼠 | 网站地图

Copyright © 2025-2035 诺佳网 版权所有 备案号:赣ICP备2025066733号
本站资料均来源互联网收集整理,作品版权归作者所有,如果侵犯了您的版权,请跟我们联系。

关注微信