时间:2009-10-20 15:53
人气:
作者:admin
声控准双工无线对讲机的设计制与作用
本文介绍的无线对讲机为调频准双工方式,工作频率为30MHz频段,采用声控电子开关,方便、节能、电路简单,工作电压为3~9V,发射功率1~5W。
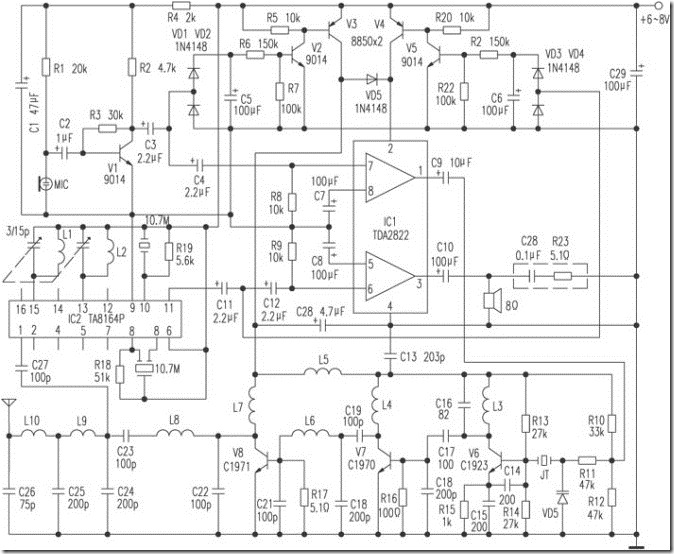
工作原理 该无线对讲机的接收和发射分为两个相对独立的部分,仅天线匹配网络为发射与接收共用。
发射部分由话筒放大电路、电子开关、功率放大电路、发射电路及天线匹配网络组成。发话时,语音由驻极体话筒MIC检出,经三极管V1放大后,由C3耦合输出,并分成两路。一路经D1、D2、C5组成的倍压整流电路变成直流电压去开启由V2、V3及其外围元件组成的电子开关,使音频功放集成电路IC1和由V6、V7、V8及其外围元件组成的发射电路得电而工作;另一路由C4耦合到IC1进行功率放大后,经C9送到由三极管V6、变容二极管VD6及晶体JT等元件组成的振荡和倍频电路变成30MHz调频波,由L3、C16选出,经C17耦合到由V7及其外围元件组成的丙类激励级进行激励放大,再经C19耦合到由V8及其外围元件组成的丙类功放电路进行功率放大,放大后的射频信号通过L8和C23串联谐振电路后,经C24~C26及L9、L10组成的天线匹配网络向外发射出去。
接收部分由天线匹配网络、调频接收电路、电子开关和音频功放电路组成。天线接收到的约30MHz的高频信号由C27耦合到调频接收专用集成电路TA8164P,经过高放、本振、混频、中放和鉴频后,从IC2的{11}脚输出音频信号,经C11后分成两路。一路经VD3、VD4、C6组成的倍压整流电路变成直流电压,去开启由V4、V5及其外围元件组成的电子开关,使功放电路IC1得电而工作。另一路由C12耦合到IC1,经功率放大后的音频信号由C10耦合输出,推动喇叭发声。
图中的VD5为隔离二极管,其作用是当由V4、V5组成的电子开关开启时,不让发射电路误导通,起到节能和保护发射电路的作用。
图中虚线框内的R23和C28是为防止功放自激、喇叭啸叫而设置的。如果功放不自激、喇叭不啸叫就可省去。
元件选择 V3、V4也可用三极管9012,V7也可用3DA106A,V8也可用3DA107A,JT选用频率为10MHz的晶体。
发射频率主要由L3、C16及L8、C23共同决定。为缩小整机的体积,所有元件,尤其是电阻和电容尽量选用小型或超小型的,并且严格筛选。
调试方法 先调发射部分,后调接收部分。首先作近距离调试,可先固定一机的接收部分,细调另一机的发射部分,微调频率敏感元件L3、C16及L8、C23,使一机能收到话音,然后再微调接收部分的频率感敏元件L1、L2和双联可调电容,使声音最清晰。再作远距离调试,可拉开一定距离(1~2公里)进行更细致的微调,使发射与接收效果最佳为止。
