全球最实用的IT互联网信息网站!
AI人工智能P2P分享&下载搜索网页发布信息网站地图
时间:2009-09-18 17:52
人气:
作者:admin
标签: 发射机
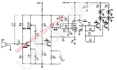
调频光束发射机
该发射机采用Q1、Q2两级放大器,并将放大信号送到NE555进行频率调制,NE555配置成工作频率约为50KHz的压控振荡器(VCO).经调频后的脉冲流经LED1-LED4转换成光脉冲流LED=LED4由三极管Q3和Q4驱动。
上一篇:调频光束接收机
下一篇:光波语音通信发射机
基站天线原理(附井盖基站建设全过程)
什么是5G AAU?
无线连接Wi-Fi设备将帮助您解决三大设计
6G的下一步:太赫兹技术新进展
摩尔斯微电子与移远通信合作,将Wi-Fi
移远通信携手MediaTek在悉尼科技大学开展
CPU | 内存 | 硬盘 | 显卡 | 显示器 | 主板 | 电源 | 键鼠 | 网站地图
Copyright © 2025-2035 诺佳网 版权所有 备案号:赣ICP备2025066733号 本站资料均来源互联网收集整理,作品版权归作者所有,如果侵犯了您的版权,请跟我们联系。