时间:2009-05-07 15:41
人气:
作者:admin
本文利用温湿度传感器DSl8820使用较为简单,测量精度较高等优点,同时结合MSP430F2013的强大功能以及低功耗的特点,设计一种基于温度无线传感器网络监控系统中的节点,用来对环境的温度进行监控。无线传感器网络由于蕴藏着巨大的科学意义和使用价值,己受到越来越多学术部门、军事部门和工业部门的青睐。随着社会经济的发展,在很多情况下需要对环境的温湿度进行检测,并加以控制,特别是对污染严重、自然条件恶劣、人员难以到达的地方。
1 无线传感器网络结构
无线传感器网络是由部署在监测区域内大量的廉价小型或微型无线传感器网络节点组成,通过无线通信方式形成一个多跳的自组织智能网络系统。其应用前景非常广阔,现正逐步深入到人类生活的各个领域,比如医疗护理、建筑结构、健康监测等。环境检测也是一类典型的无线传感器网络应用。其结构图如图1.
2 温度传感器节点设计结构
无线传感器网络系统的核心是传感器节点,且设计需要满足以下几个主要条件:网络性,小型化,低功耗,稳定性。
根据上述几点要求,传感器节点设计一般包括四个部分:处理器模块、无线传输模块、传感器模块和电源供应模块。如结构图2所示:
本文硬件电路设计中采用了TI公司的16位低功耗单片机MSP430F2013作为处理模块,传感器模块采用DS18820,无线传输模块采用低功耗无线收发模块CCll00,电源采用电池或者是稳压电源。传感器模块负责监测区域内信息的采集和数据转换;处理器模块负责控制整个传感器节点的操作,存储和采集的数据以及其他节点发来的数据;无线通信模块负责与其他传感器节点进行无线通信,交换控制消息和收发采集数据;电源供应模块为传感器节点提供运行所需的能量,通常采用微型电池。
2.1 DSl8820
温度传感器采用DSl8820,起使用比较简单,其主要特点有以下几个方面
(1)独特的单线接口方式:DSl8820与微处理器连接时仅需要一条口线即可实现微处理器与DSl8820的双向通讯。在使用中不需要任何外围元件。
(2)可用数据线供电,电压范围:+3.0~+5.5V。
(3)测温范围:-55+125℃。固有测温分辨率为O.5℃。
(4)通过编程可实现9~12位的数字读数方式。
(5)用户可自设定非易失性的报警上下限值。
(6)支持多点组网功能,多个DSl8820可以并联在惟一的三线上,实现多点测温。
(7)负压特性,电源极性接反时,温度计不会因发热而烧毁,但不能正常工作。
由于DSl8820单线通信功能是分时完成的,他有严格的时隙概念,因此读写时序很重要。系统对DSl8820的各种操作必须按协议进行。操作协议为:初始化DS18820(发复位脉冲)→发ROM功能命令→发存储器操作命令→处理数据。
2.2 MSP430F2013
处理器模块是无线传感器网络节点的计算核心,所有的设备控制、任务调度、能量计算和功能协调、通信协议、数据整合和数据转储程序都将在这个模块的支持下完成,所以处理器的选择在节点设计中至关重要。
msp430f2013是Ti公司msp430系列的一款微控制器, 它具有以下结构特点:16位的risc cpu、16位的寄存器和常数发生器,可以获得很高的代码效率;五种低功耗模式,在便携式的测量应用中可以延长电池的使用寿命:数控振荡器(dco)使得从低功耗模式切换到正常模式只要不到μs;一个16位的定时器;10个i/o口:具备同步通信协议(spi或者i2c);一个16位的σ一δADC。传感器与处理器结构如图3所示。
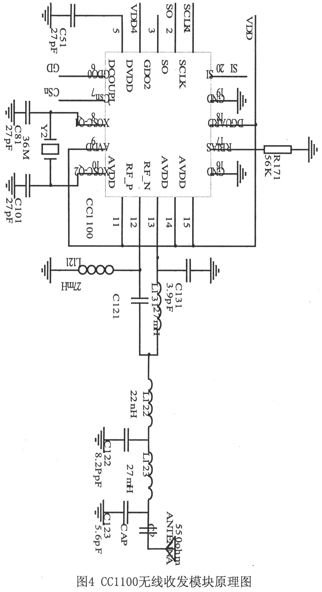
2.3 无线收发模块CCl100
无线通信模块是耗能的主要模块,因此要慎重选择。考虑到无线传感器网络节点的通信模块必须是能量可控的,并且收发数据的功耗要非常低,选用Chipcon公司的CCll00作为无线收发模块。该芯片体积小、功耗低,数据速率支持1.2到500Kbps的可编程控制,本文中CCll00工作在315MHZ的频率上,采用FSK调制方式,数据速率为100kbps,信道间隔为100kHZ。CCll00编程线与数据线是分别与处理器芯片连接的,这样就可以在收发数据的同时方便地读到CCll00内部寄存器的状态,从而能有效地控制通信过程。无线收发模块的原理图如下:

3 节点软件设计
系统软件设计主要包括节点发送程序和参数调节程序、SINK节点接收程序及上位PC机程序。节点发送程序主要完成现场传感器芯片的数据采集和数据发送。节点发送程序流程如图4所示,上电后节点无线模块处于接收状态,检测SINK节点发来的指令,当收到正确的指令后开始对现场数据进行采集。当节点接收到数据后,将把字头后的数据认为是有效数据,单片机首先核对分站ID号,如ID号不是本机则丢弃所有数据,重新进入接收状态,这样可以防止错误动作和恶意的破坏。反之,则继续对命令号进行判断,以确定节点的动作。如SINK节点要数据则对传感器号进行判断,以确认所要的是该节点的哪个传感器数据。对数据分析完毕后,节点将现场的数据进行采集、打包,并发给SINK节点,或启动参数调节系统进行参数调节,然后重新进入接收状态。
4 结束语
本文在总结原有理论研究成果的基础上,提出了基于单片机MSP430和CCllOO收发芯片构成的低成本、低功耗的温度无线传感器网络节点,在试验中可采用5个节点和1个SINK节点组建一个小型无线传感器网络。无线传感器网络节点的成功设计对进行无线传感器网络的组网,到最后的实际应用奠定了良好的基础。