Abstract: Industrial control sys
tems con
tinue to employ standard
analog signals f
or transmitting data between the process and the control equipment. Robust, 4-to-20mA current-loop signals that are easily transmitted over several thousand feet, ±5 and ±10V signals are also very common in industrial systems.
This appl
ication note showcases
Maxim's integrated Data
Acquisition System (DAS) solutions. Maxim's DAS solutions save board space, power, and design time, while requiring minimal external components to convert standard industrial analog signals.
Despite the av
ailability of the digital field bus in several ve
rsions, industrial control systems continue to employ standard analog signals for transmitting data between the process and the control equipment. Process transmitters in a chemical plant, for example, convert low-level temperature and pressure signals into robust, 4-to-20mA current-loop signals that are easily transmitted over several thousand feet.
Speed and position sensors for machine tools and automatic handlers in factory-automation environments generate unipolar and bipolar voltage signals, which are typically 0V to 5V, 0V to 10V, ±5V, or ±10V. In
addition, signals from the popular PT100 temperature-sensing element are often used directly, without conversion, to a standard range such as 10V or 20mA. As an RTD (resistive thermal device) made of platinum (Pt), the PT100 exhibits a resistance of 100Ω at 0°C. Its resistance versus temperature characteristic is
linear, and it offers a reasonably high level of output signal (>100mV when driven with a 1mA current source).
The control function in a process environment is implemented by
PLCs (prog
rammable
logic controllers), PCSs (process control systems), or (more recently) by IPCs (industrial personal computers). Because these devices are digital systems operating with process-specific software, all analog signals must be converted to digital numbers before a computer
can read them.
A/D conversion in a control system is pe
rformed by boards or boxes cal
led "analog peripherals." They connect to the
CPU via the system's back-plane bus, or a field bus if mounted remotely (on a machine, for example). In addition to digital circuits (for communication with the CPU), these peripheral units include various precision-analog and mixed-signal components. Requirements for a larger number of channels per board or for smaller packages (to mount on a machine) lead to shortages of space and power that constitute a major challenge in designing analog peripherals. The following circuits suggest signal-conditioning techniques and describe an approach for digitizing up to eight channels with a single chip.
Data-Acquisition System (DAS)
A state-of-the-art data-acquisition system (Figure 1) includes a multiplexer (mux) for switching between input channels, a signal-conditioning circuit that provides gain and offset adjustment for different input ranges, and an analog-to-digital converter (
ADC) with voltage reference (
VREF).

Figure 1. This diagram shows the b
asic components in a data-acquisition system.
Integrated DAS Solutions
By integrating the basic blocks of Figure 1, Maxim has produced a family of one-chip data-acquisition systems that save board space, power, and design time. Requiring few external components (none in some cases), these chips convert most of the standard signals currently in use. Each includes a 12-bit ADC, multiplexer, and gain/offset correction, and features a serial or parallel digital interface that connects easily to most microprocessors.
The following block diagram (Figure 2) is typical for this family of chips. Differences are mainly in the digital section, which connects to the microprocessor. Each chip has six or eight single-ended analog-input channels that connect to the internal ADC through a fault-protected multiplexer. Any channel can withstand input voltages up to 16.5V, and a fault on any channel does not affect conversions on any other channel.

Figure 2. The functions shown in Figure 1 are integrated in this chip.
Each channel can be programmed independently for one of the standard input ranges (0 to 5V, 0 to 10V, ±5V, or ±10V) while operating from a single 5V supply. Others have a
similar gain structure but accept different input ranges: unipolar or bipolar 2V or 4V, or unipolar or bipolar VREF or _VREF. The ability to change the gain by a factor of two and offset the input by 100% (from -10V to +10V) extends the dynamic range by 2 bits, producing a system with 14-bit dynamic range.
The internal ADC is a 12-bit successive-approximation type based on a capacitive
DAC whose MSB capacitor doubles as the hold capacitor in a track/hold circuit. Each device can operate with the internal oscillator or with an external clock.
By using active-low WR pulses to start and stop an acquisition, MAX196-through-MAX199 devices in the "external acquisition mode" can offer a relatively long acquisition time without slowing the conversion. The device's short aperture delay and low aperture jitter (<50ps in the external clock/acquisition mode) enable precise control of acquisition time. This feature is important for phase-sensitive applications such as power-line control and AC-motor control. In addition, the chip's wideband input structure provides small-signal bandwidths to 5MHz, which allows undersampling techniques in which input frequencies exceed the Nyquist frequency.
Digital Interface
Applications that require high-speed measurements are best served with a parallel-data interface (MAX196 through MAX199). These parts achieve throughputs of 100Ksps at 2MHz clock rates, which is sufficient for most high-speed control loops. For low-speed applications, the available I²C-compatible-interface versions save board space and simplify communications between the DAS and the microcontroller. These parts have fast conversion times (10µs), but the serial interface limits their throughput to 8kbps.
The MAX197, for example, accepts 0V-to-10V, 0V-to-5V, ±5V, and ±10V inputs. Source imp
edance driving these inputs is the user's main concern. When sampling, the ADC draws current pulses to charge its T/H capacitor (the MSB capacitor of the capacitive DAC). Therefore, a fast-settling op amp with sufficient slew rate is required to ensure sufficient voltage settling during the acquisition time. MXL1013/MXL1014 op amps perform well for fast sampling rates. For slower op amps, the acquisition time must be extended.
The differential inputs used in many automated systems are relatively insensitive to common-mode interference. Sufficient in most cases is a simple differential amplifier circuit (Figure 3) whose input resistance exceeds 1MΩ. (For much higher input impedance, use a standard 3-op-amp instrumentation amplifier.) The output shown in Figure 3 is
VOUT = R2(V+ - V-)/R1.
For high common-mode rejection, make R1 = R3 and R2 = R4. The combination shown has a gain of 0.876, which enables the measurement of out-of-range signals by extending the ±10V input range approximately 114%. This adjustment reduces resolution in the ±10V band to approximately 11.8 bits.

Figure 3. A simple differential amplifier provides high input impedance and a single-ended output.
20mA Current Loops
Current loops transmit small signals over large distances in noisy environments. The current is usually generated by a process transmitter that converts a variable such as temperature or pressure to a
DC current in the range 0mA to 20mA or 4mA to 20mA. Then, passing the current through a shunt resistor produces a proportional voltage drop that is easily digitized. Because the compliance voltage available for driving the loop (including wire resistance) is se
ldom more than 15V to 18V, the resistor value is limited to a few hundred ohms (Figure 4).

Figure 4. Combining the amplifier shown in Figure 3 with a current-loop signal derived from a 220Ω shunt resistor produces a convenient single-ended output.
This circuit has the same differential amplifier as the ±10V conditioning circuit, together with a 220Ω shunt resistor, which drops 4.4V at 20mA or 5.5V at 25mA. The gain of the differential amplifier adjusts to a maximum of 4.62V at the ADC input, so a DAS programmed for 0.5V inputs can digitize this signal with a maximum resolution of 11.8 bits.
Because the MAX198/MAX199 and MAX128 have the smallest input ranges available in this family, and therefore operate with a small shunt resistor and require no gain adjustment, they are better suited for 20mA measurements in systems that require no other high-level measurements (to ±10V). To adapt the circuit shown in Figure 4 for operation with the MAX199, configure the MAX199 for its 0-to-2V input range and change the 536kΩ resistors to 470kΩ. Use an 86Ω shunt resistor.
Sensor Adaptation
Thermocouples, strain gauges, and other popular sensors deliver low-level nonlinear signals that are sensitive to EMI. Before sending this information to a control system, therefore, a 4-to-20mA transmitter first linearizes and conditions the signal. For temperature-measurement applications that are less critical, a resistive thermal device (RTD) can measure temperatures as high as 850°C over a great distance and without expensive signal conditioning.
The most popular RTD is a standardized platinum temperature sensor called the PT100, which exhibits 100Ω resistance at 0°C and a linear temperature coefficient of 0.38Ω/°C. It also has a nonlinear temperature coefficient that is much smaller, so the Ω/°C characteristic appears almost linear over a narrow range. Unlike thermocouples, which deliver voltages that represent the difference between two temperatures, the resistance of an RTD represents the absolute temperature of that resistance.
Measurement is accomplished by driving a current of 1mA to 2mA through the sensor and measuring the voltage drop ac
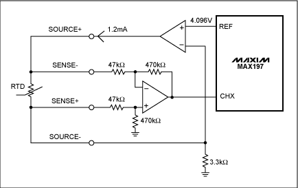
ross it. Higher currents cause measurement error due to self-heating caused by higher power dissipation within the sensor. An internal 4.096V reference simplifies the generation of excitation current for the sensor(Figure 5).

Figure 5. This circuit provides current to an RTD sensor and digitizes the resulting output.
To prevent wire resistance from affecting the measurement accuracy, four separate wires connect the RTD to the differential amplifier. Because the sense wires connect to the amplifier's high impedance inputs, they have very low current and virtually no voltage drop. The 4096mV reference and 3.3kΩ feedback resistor sets the excitation current to approximately 4096mV/3.3kΩ = 1.24mA. Thus, driving the ADC and current source with the same reference voltage produces a ratiometric measurement in which reference drift does not influence the conversion result.
By configuring the MAX197 for an input range of 0V to 5V and setting the differential amplifier for a gain of 10, you can measure resistance values up to 400Ω, which represents about 800°C. The µP can use a look-up table to linearize the sensor signal. To calibrate the system, replace the RTD with two precision resistors (100Ω for zero and 300Ω or higher for full span) and store the conversion results.
Rather than dedicating specific circuits for specific input ranges, use the following circuit (Figure 6) to adapt the ADC input to any of the signal ranges described earlier. Choosing an input
pin and ADC input range (Table 1) selects the appropriate configuration.

Figure 6. This universal-input circuit adapts the ADC to the signal range present on each input channel.
Table 1. Input Connections for Figure 6
| INPUT CONNECT--> |
1 |
2 |
3 |
4 |
5 |
ADC Range |
| ±10V plus overrange |
|
In- |
|
In+ |
|
±10V |
| 0mA- or 4mA-to-20mA, plus overrange |
|
In- |
In- |
In+ |
|
0V to 5V |
| RTD |
Sns- |
|
|
|
Sns+ |
0V to 5V |
For RTD: Sns- and Sns+ are sense connections on the four-wire configuration. Connect the "source" pins to IS1 and IS2.
A version of this article appeared in the February 9, 1999, issue of Control Engineering magazine.