时间:2009-05-14 20:56
人气:
作者:admin


使用者可以利用家中电话机的按键通过号码置入电路把告警号码(可以是用户办公室的电话号码、手机号码、公用110报警电话号码或者其它任意的号码)置入到E2PROM中,置入过程可以通过液晶显示器看到。告警信号被中央处理单元天线接收后进入接收电路,接收电路向单片机发出拨号启动信号,单片机通过号码读出电路读取预先置入的告警号码,进而通过摘机及双音多频信号产生电路进入电信网络,使用者知道后便可采取相应措施。
2.1 单片机
系统告警单元的单片机采用ATMEL公司的89C2051,内置128字节的RAM、2K字节的FLASH、15个I/O口,外部有20条管脚。系统中央处理单元的单片机采用ATMEL公司的89C51,内置256字节的RAM、4K字节的FLASH(闪速存储器)、2个16位计数器/定时器、32个I/O口和5个中断源、一个全双工串行口、一个精确的模拟比较器、片内振荡器和时钟电路。外部有40条管脚,封装形式为DIP式(双列直插)。其他与89C2051相同。2.2 看门狗电路
在单片机的工作现场,存在着各种各样的干扰源。这些干扰源很可能引起程序跑飞,造成死机或程序的非正常运行,如不及时恢复,容易造成损失。看门狗就是在程序跑飞或死机时,对系统进行重新置位或者复位以使系统正常运行的一种专用电路。这
里的看门狗电路以MAX813L为核心并外加几个电阻、电容构成。MAX813L是MAXIM公司开发的低成本微处理监控芯片,外部有8条引脚,封装形式为DIP式,主要功能有上电、掉电、降压情况下的RESET输出和手工复位输入端。
2.3 无线发、收电路
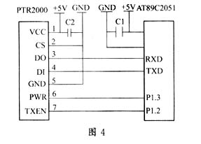
无线发、收电路的核心部件采用PTR2000,这是由哈尔滨迅通电子科技有限公司推出的超小型、超低功率的高速无线数传MODEM。它可与单片机串口直接相连,而且毋需进行曼彻斯特编码,应用及编程非常方便。具体应用电路如图4所示(这里仅画出了PTR2000在告警板中使用的情况,其在中央板中的使用方法几乎与此相同)。




2.5 拨号电路
拨号电路主要由双音多频芯片MT8880、多路切换开关4066、继电器、NPN型三极管和少量电阻、电容组成。MT8880的作用是把单片机写入的数字信号转换成双音频信号,在控制拨出继电器导通、电话摘机的情况下把告警号码送入公共电话网络。反之,它也可把从键盘来的双音频信号转换成数字信号送入单片机。具体电路如图6所示。
实验中发现,能否拨号首先取决于电话机是否可靠摘机,如果话机没有摘机,其它硬软件即使完全正确也是没用的。为此,要注意挑选性能好的继电器。使用4066的目的是确保置号和拨号相互隔离、互不影响。
3 系统的软件设计
本系统软件包括系统告警单元软件和系统中央


单元软件两部分,每部分的程序皆采用模块化结构。系统告警单元软件由告警单元主程序、告警发射子程序、看门狗监控子程序、蜂鸣器报警子程序、延迟子程序等组成;系统中央处理单元软件由中央处理单元主程序、告警号码置入子程序、告警号码读出子程序、告警接收子程序、液晶模块显示子程序、拨号子程序、看门狗监控子程序、蜂鸣器报警子程序、延迟子程序等组成。主要程序的流程图见图7和图8。
告警单元主程序处于中断工作方式,其在完成系统初始化后开始等待中断响应产生,如果传感器探测到感应源,则程序向下执行,无线发出一个具有特定含义的编码脉冲串,反之则等待。中央处理单元主程序处于查询工作方式,其在完成系统初始化后开始循环检测接收缓冲器,如果有数据接收到,程序便向下执行开始拨号告警;若无数据接收到,则等
待。这里告警单元和中央处理单元之间采用异步串行工作方式。预先要多置入几个告警号码,以便当所拨线路占线时迅速拨打其它的号码。还需要特别指出的是,由于公共电话网络的响应速度有限,在摘机与拨号之间以及拨相邻两个号码之间要有足够的时间延迟。
参考文献
1 何立民.MCS-51系列单片机应用系统设计.北京:北京航空航天大学出版社,1990
2 陈龙三.8051单片机C语言控制与应用.北京:清华大学出版社,2000
3 张智荣等.智能化流量计量系统研究与开发.电子技术应用,2001(2)
下一篇:移动应急通信中自动选频的实现