【摘 要】 主要介绍了一种由
单片机控制的新型投币电话机的电路及
工作原理。
关键词:投币电话,
CPU控制,电路
1 引 言
投币电话机具有无需专人看管,可完成自动收币,使用灵活的特点,为电信服务部门提高劳动生产率,以及方便广大市民的通信联系起到了积极的作用。
2 设计功能介绍
投币电话机与普通电话机的主要区别是增加了打电话时的即时记时收费功能。具体为,当打电话者在拨号前将规定种类的硬币投入到电话机中,电话机判别其达到规定币值后,方允许用户拨号。如果拨号接通,则在被叫方摘机的瞬间,交换机就会向做重叫的投币话机送来收费信号,当投币话机接收到这一信号后接收投币;如果未叫通被叫方,则用户挂机,投币话机即退出硬币。记时是从被叫电话应答时开始,且当通话到所投币规定用时前会发出语音告警信息,如果在告警期间再投入规定的硬币,则可继续打电话,否则投币话机到时会强行自动拆线。
投币电话机电路方框图见图1。
3 电路组成
该投币电话机各个电路由CPU统一管理、协调。
它主要由以下电路组成:收费信号检测电路、极性保护电路、收币驱动电路、开关切换电路、通话电路、语音隔离电路、发号电路、450Hz拨号音检测电路、CPU组成的单片机控制电路、语音模块及显示器电路等,其中开关切换电路、收币驱动电路、语音模块及显示器电路、拨号音检测电路等均要受到控制电路CPU的监控。在CPU的输入端口,还接有硬币检测电路端口、按键输入端口、及费率贮存器端口。
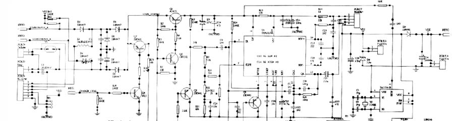
电路原理图见图2。

由图2可知,电话外线从PORT4端口进入本机,在PORT4(1)脚经过话机叉簧开关PORT6加到极性变换及保护电路D3正极,(2)脚加到保护电路D4正极。极性变换电路由四个二极管构成桥式整流电路,它们进行极性变换及保护,以保证其它电路可靠稳定地工作,并使进入本电话机的信号极性保持一致。


开关切换电路主要由三极管Q1、Q2构成,从单片机扩展口送出的脉冲信号加到R6上,经过N2驱动三极管Q2和Q1,可控制电话通路的通与断。
接在电话外线之间的反极性信号检测电路由R41、R42及D5、D6组成,该电路的功能是接收判别交换机送来的收费信号(被叫摘机信号),并送出收费控制脉冲。我国规定交换机送出的收费信号大体为两种:一种为反极性信号,它是一种直流信号,利用改变投币电话机用户线馈电电压极性来实现的;另一种为16KHz脉冲信号,它是持续时间为150ms左右的正弦脉冲信号,幅度要求在70mv左右。本机使用反极性信号使CPU送出收币驱动信号和收币控制信号。该电路从电话外线上取出反极性信号,并在D5、D6的正极上取得后直接送CPU(12)(13),然后再由单片机扩展口送出收币控制信号到Q9基极,送硬币检测信号到Q8的基极。
收币控制电路由Q7、Q8和部分
电阻组成,它受到硬币检测信号的控制。收币驱动电路由Q9、Q10和PORT8特种继电器组成。收币电路的作用是根据要求驱动收币机构收取投入到电话机中的硬币,使停置于币道中的硬币进入币盒之中,该电路是这样进行工作的。在平时,由于Q8基极得到高电位,Q8、Q7导通,使PORT8线圈中有很小
电流通过,并对C36进行充电,由于市话线路电流大约在十几mA左右,这时PORT8继电器不能动作(C36是一个1000μF的大电容)。而当Q9基极收到CPU送来的收币信号时,它马上导通,使Q10导通,这时C36迅速通过PORT8继电器线圈和Q9、Q10进行放电,由于放电电阻很小,使PORT8继电器线圈得电,继电器动作,完成自动投币。当硬币滑落币道后,PORT8继电器恢复初始状态。C36又重新进行充电。
另外,当通话时间快到了,投币电话机会自动开始语音提示,如果主叫要延长通话时间,则需再投入硬币,电话机要进行第二次收币,由于此时交接机不会再产生收费控制脉冲,本机是通过单片机自动产生
模拟收币信号,使收币机构工作,完成第二次收币。同时语音提示由专用语言模块产生,送通话电路提示用户。
本机通话电路集成块采用的是
TEA1110A专用话机通话集成电路。在一片
芯片内包含有通话电路所需要的全部电路和拨号
接口电路,拨号方式与通话方式之间的转换由
电子开关完成,下面列出TEA1110A出脚主要功能,以利于分析电路:
IR:受话
放大器输入脚,SLPE:斜率调节脚(直流电阻调节脚),MUTE:静噪输入脚,DTMF:双音多频信号输入脚,REG:稳压器去耦脚,GAR:受话放大器增益调节脚,
OR:受话放大器输出脚,MIC:(+,-)送话放大器正、反输入脚,LN:正线路脚。
这里重点介绍两个出脚的功能:第一为MUTE静噪输入脚,它用来控制通话电路的工作状态。如果静噪输入脚接高电平,则发送通路的电子开关把DTMF信号接到发送放大器的驱动级,同时把送话输入放大器和接收输入放大器断开,此时通话电路处于双音多频发号状态,如果是脉冲拨号,则DTMF端无信号输入,整个通话电路被静噪。如果静噪脚(M)处于低电平或悬空,电子开关把发送输入放大器和接收输入放大器接通,此时电路处于通话状态,可以进行正常通话。第二为DTMF双音多频输入脚,在双
音频发号期间,从该脚送入双音频信号,该脚信号来自于拨号集成块HT9200A(7)脚,经过通话集成块处理后,一路从LN脚送出,送往线路,它的电压放大增益为26dB,另一路经过块内衰耗器送到OR脚受话器,由于该信号的电平很低,所以在受话器中可以听到轻微的拨号确认音。另外,变换R20的大小可以改变受话放大器的增益大小,从而改变受话器的音量。
本机的发号电路采用的是HT9200A专用拨号
集成电路。投币电话机的拨号方式与普通电话机一样,可以是直流脉冲,也可以是双音频。所不同的是投币电话机的拨号条件有两个:一是摘机,二是要投入足够的硬币,只有在这两个条件同时具备后,按键才能有效,电话机才能发出拨号信息。HT9200A拨号专用集成块的输入脚同时输入由CPU输出送来的收币检测信号、摘机信号和用户拨打的号码,并转化成双音频信号送往外线。
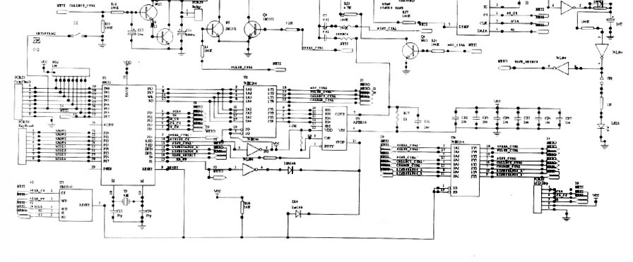
本投币电话机各电路均由单片机控制处理协调,其中CPU的型号为89C52。与CPUP00~P07脚相连接的是硬币检测电路端口,与CPUP20~P27脚相连接的是话机按键电路端口,CPU通过输入输出扩展端口可以与相应电路进行连接,它们是:(1)控制语言模块(U9 AP18108)产生告警音、语言提示音、及各种音乐等等,从U9第(7)脚输出送往U6(TEA1110A的IR脚)。注意当从语音模块U9送出语音信号时,通话集成电路U6内部受话放大器工作,接在U9第(12)上的受话器能听到语言声,但我们不希望该语言信号送往电话外线,所以在通话集成电路U6的IR脚上接有由Q5、Q6组成的语音隔离电路。Q6基极从CPU输出端得到高电平,即Q6、Q5导通,使Q5射极对地短路,从而保证语音信号无法送外线。(2)CPU同时通 过扩展模块74HC244驱动液晶显示模块工作,显示本·65·投币电话机的工作状态,可提供直观的人机界面。(3)CPU通过扩展模块能及时调用存贮器中的所有数据。该存贮器的信号为U7 XR25165,在它内部存贮有长话、农话、市话等费率信息内容,供CPU随时调用外理。
本投币电话机还设有拨号音检测电路,它是由专用拨号音检测集成块TA35306P及相关元件组成。它的第(5)脚直接接到外线端,经过检测由第(4)脚送出,再经过由74LS04构成的450Hz拨号音整形电路,从74LS04第(8)脚输出送CPU(14)脚进行判别,它主要用于判别对方电话机是否摘机。
4 实际
电路分析 电话外线接于PORT4电话线插座,其中插座(1)(2)脚之间接有抗雷击保护管,插座(1)脚接到机外叉簧开关,经过叉簧开关插座PORT6(1)脚回送到极性保护电路D3正极,同时电话插座(2)脚接极性保护电路D4正极,当本投币电话机摘机后,叉簧的(1)(2)导通,使外线电压直接通过极性保护电路,开关切换电路的Q1一直加到通话电路U6的LN脚,从而形成通话回路电流。回路电流在D7和C14上得到稳定电压12V以作为CPU、通话电路及相关电路的工作
电源。由于电流回路的建立,交换机向话机送拨号音,此时从手柄中可以听到拨号音,但由于此时未投入硬币,硬币检测电路中光敏三极管导通,通过PORT3端口送入CPU,经过CPU处理后,控制拨号集成块U5不能发号,当在硬币检测电路中投入硬币,通过PORT3端口送入CPU并经过CPU处理后,控制U5可以准备接收键盘输入,由于拨号集成电路U5输入端直接连接到CPU的输出端口上,当用户在键盘上按入号码时,此时由CPU控制的U5的DTMF脚就输出双音频信号送往通话块U6的对应脚,并经过放大后从U6的LN脚送往外线。

当被叫用户摘机瞬间,交换机向投币话机送来反极性信号,该信号通过外线送入本机接口(见图3),它们是由D5、D6、R14和R42组成的反极性检测电路,检测后的信号直接送CPU(12)(13)脚。当CPU判别外线信号极性发生变化时,由CPU扩展口送出收币控制信号到Q9基极。硬币检测信号送到Q8基极。只有当以上两种信号同时加到对应管子的基极时,收币机构才能动作,完成收币任务。这时通话电路接通,即可与对方进行正常通话。
通话快到所投币规定时间时,CPU通过扩展模块就会驱动语言模块的U9,从它的第7脚送出语音信号到通话集成块U6的IR脚,在受话器得到声音提示。如果在规定语音提示期间不及时投入硬币,则规定时间后,CPU通过扩展模块U2送出挂断信号到N2基极,当N2基极得到正脉冲时,N2导通迫使Q2截止,使Q1截止,从而切断通话回路。而当告警一段时间后,通过CPU驱使以上电路重新翻转,使主电路再次接通,但此时对方电话已经拆线。如果在告警期间及时投入硬币,通过硬币检测电路PORT3端口向CPU送数据,导致N2基极从CPU那里取得负脉冲,使N2截止,使Q1、Q2导通,从而保证通话回路接通。同时CPU控制语音模块U9停止告警,并且控制Q7、Q8接收硬币检测信号和Q9、Q10接收收币信号,一旦以上两信号同时出现,即可实现第二次收币。
如果用户所拨的是“11X”号码,即特服电话号码,如“119、110”等,要求投币电话机不能实现收费功能,这时需要通过CPU来进行判别,当CPU接到“11X”信号时,它所发出的收币信号会使Q9、Q10不导通,无法进行收币,此时不管Q8基极的控制信号极性如何变化,拨号电路可以进行正常发号,通话电路能正常对外进行通话。
参考文献
1 李令奇等.电话机原理与
维修.北京:人民邮电出版社,1994
2 李广弟.单片机基础.北京:北京航空航天大学出版社,2001