摘要:本文讨论了汽车应用中的典型
供电架构,并探讨了如何在基本的
电源设计中增加有源电压限制功能,阐明了集成限压器的必要性。文中还提供了几个
Maxim的有源电压限幅器设计实例。
概述—典型的汽车电源架构
图1给出了一个典型的汽车电源简化框图。

图1. 汽车电源的基本示意图
上述框图主要包括以下几个单元:
- 无源保护电路:限制+12V电源总线的正向电压,并阻止产生负压。
- 有源保护电路:该限压器功能与无源保护电路类似,但使用的是晶体管等有源器件,与具有同样功能的无源方案相比能够提供更好的性价比,具有更小尺寸。
- 开关模式或线性稳压器:为指定负载提供适当的电压和电流,可能采用多路电源结构。
在不同的应用中,这些部件的技术规格会有所不同。有些应用中并没有考虑这些因素,但会给系统的整体
电气性能带来负面影响。实际上,上述单元电路的任何缺失都会增大系统设计的复杂度。
在电源中集成限压器
有源电压限幅器的原理十分简单,在器件的输入和输出之间增加一个
MOSFET,限幅器控制该场效应管的栅极。正常工作状态下,打开MOSFET并为负载供电;如果电压超过定义的门限值,限压电路会关闭外部MOSFET,断开电源与负载的连接。
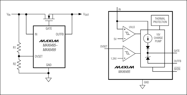
图2给出了基本限压电路的内部构造和典型应用电路。

图2. 72V应用范例,外部MOSFET用作过压保护开关/限幅控制,MAX6495–MAX6499电路图提供了器件的过压
检测方式,MAX6495电路图给出了器件的内部架构。
在这个基本的限压电路中,VIN给内部电路供电,VIN的最大电压为80V。OVSET端的分压器设置过压检测门限,内置
电荷泵为低成本n沟道MOSFET的
栅极驱动供电,从而降低系统成本。除了提供过压门限外,这些
IC还提供了欠压检测门限。
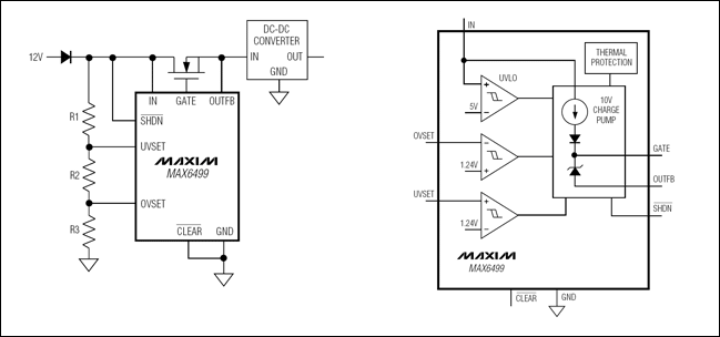
在另一方案是采用门限可调的窗式电压限幅,图3给出了一个相关的应用范例。

图3. MAX6499配置为一个过压/欠压窗式检测器(左图),其基本功能框图如右图所示。
这种情况下,限压电路可以防止MOSFET和负载工作在欠压和过压状态。可以严格限制输出电压范围(将其限制在较窄的范围内),以降低对电压调节器输入范围的技术要求,从而降低电压调节器的设计成本。而在一些
音频应用中,并不需要
高精度的电压调节,对于这些应用,限压电路的设计可以省去稳压电路。
如上所述,分压器可以控制图2所示IC的输入电压,分压器也可以连接到限压器的输出端,如图4所示。在后面的例子中,分压器限制着负载上的电压而不是简单地将其切断。从其性能测试数据可以看出限压检测是周期性进行的。振荡周期由负载
电容、负载电流决定,可在很宽的范围内变化。周期振荡包括两个阶段;第一个阶段使MOSFET进入有效模式,第二个阶段将其关闭。

图4. 器件配置成一个过压限幅保护开关,CIN = 100µF、COUT =10µF、ROUT = 100Ω。
图4所示电路配置使MOSFET周期性地进入有效模式,使功率耗散在MOSFET上,需要考虑MOSFET散热问题。基于这一原因,IC内部包含了门限约为+160°C的高温保护单元,当温度下降到+140°C以下时,电路恢复到正常模式。为了优化设计,IC应靠近MOSFET放置,使两者具有良好的热传导通路。
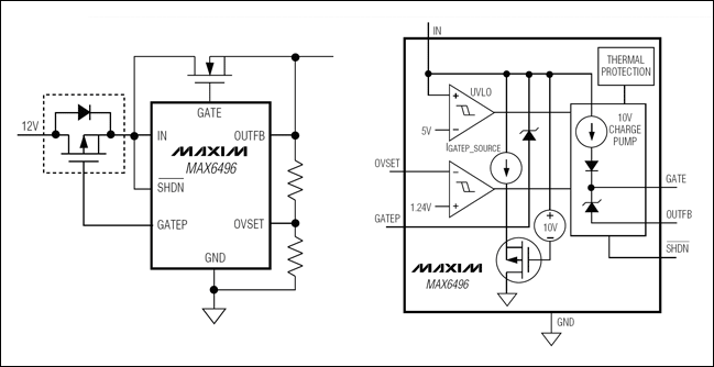
众所周知,电路板电源总线可能存在负向电压尖峰或正向电压尖峰。抑制负电压的保护电路可以采用无源器件或特殊IC。图5提供了MAX6496反向电压保护的内部结构。

图5. 利用MAX6496实现过压限制,具有电压跌落反向保护功能(左图);右图为功能框图。
除了限制正向电压以外,MAX6496还包含一个p通道MOSFET栅极
控制电路,可以在正电压时使MOSFET保持导通状态,而在负电压时保持关闭状态。在高负载电流、低输入电压情况下,这个电路比典型的
肖特基二极管更实用。
结论
本文讨论的限压电路都提供了相应的特性
参数,便于器件在各种场合的应用。每个限压电路在负载上电时允许72V的最大输入电压,而在负载切断时允许80V的最大输入电压。下表总结了限压IC的主要特性。
|
Part Number |
Package |
Quiescent Current, µA |
MOSFET Type |
Auto Retry |
Latch Up |
Programmable Voltage Limiter |
Reverse Battery Protection |
Undervoltage Switch-Off Threshold (V) |
Integrated Voltage Regulator |
Enable Input |
PowerOK Output |
|
MAX6495 |
6/TDFN |
24 |
n |
|
X |
X |
|
5 |
|
|
|
|
MAX6496 |
8/TDFN |
24 |
n + p |
X |
|
X |
X |
5 |
|
|
|
|
MAX6497 |
8/TDFN |
15 |
n |
|
X |
|
|
5 |
|
|
X |
|
MAX6498 |
8/TDFN |
15 |
n |
X |
|
|
|
5 |
|
|
X |
|
MAX6499 |
8/TDFN |
15 |
n |
X |
X |
X |
|
Adj |
|
|
|
|
MAX6397 |
8/TDFN |
37 |
n |
X |
|
X |
|
X |
|
X |
|
MAX6398 |
6/TDFN |
11 |
N |
X |
|
X |
|
|
|
|
|
MAX6399 |
8/TDFN |
10 |
N |
X |
X |
X |
|
|
|
X |
|
MAX16010 |
8/TDFN |
20 |
- |
|
|
|
|
|
X |
X |
|
MAX16011 |
8/TDFN |
20 |
- |
|
|
|
|
|
X |
X |
|
MAX16012 |
6/TDFN |
20 |
- |
|
|
|
|
|
|
|
X |
|
MAX16013 |
6/TDFN |
20 |
P |
X |
|
X |
X |
|
|
X |
|
|
MAX16014 |
6/TDFN |
20 |
P |
|
X |
|
X |
|
|
X |
|