The cho
ice of S
CSI (Small Compu
ter System Interface) transceive
rs, whether single-ended (SE)
or differen
tial (HVD or LVD), determines the speed of data transfers, the length of cable, and the number of devices that
can be supported by a host controller.
Since its inception in 1981, SCSI1, now referred to as SCSI-1, relied exclusively upon single-ended 8-bit wide bus transceivers for host-to-peripheral data transfers. While SCSI-1 is defined with speeds up to 5 megabytes per second, SCSI-2 offers speeds up to 10 megabytes per second with optional high voltage differential drivers (HVD) and a wide (16-bit wide) data bus. SCSI-3 SPI extends the evolution to 20 megabytes per second with a wide HVD bus. With the
advent of Ultra SCSI, Ultra2, Ultra 160, and now Ultra 320, data bus transfers can re
ach up to 320 megabytes per second. (See Table 1 below).
Table 1. STA-Endorsed Te
rms & Terminology for SCSI
| STA Terms |
Bus Speed, MBytes/Sec. Max. |
Bus Width, bits |
Max. Bus Lengths, Meters (1) |
Max. Device Support |
| Single-Ended |
LVD |
HVD |
| SCSI-1 (2) |
5 |
8 |
6 |
(3) |
25 |
8 |
| Fast SCSI (2) |
10 |
8 |
3 |
(3) |
25 |
8 |
| Fast Wide SCSI |
20 |
16 |
3 |
(3) |
25 |
16 |
| Ultra SCSI (2) |
20 |
8 |
1.5 |
(3) |
25 |
8 |
| Ultra SCSI (2) |
20 |
8 |
3 |
- |
- |
4 |
| Wide Ultra SCSI |
40 |
16 |
- |
(3) |
25 |
16 |
| Wide Ultra SCSI |
40 |
16 |
1.5 |
- |
- |
8 |
| Wide Ultra SCSI |
40 |
16 |
3 |
- |
- |
4 |
| Ultra2 SCSI (2,4) |
40 |
8 |
(4) |
12 |
25 |
8 |
| Wide Ultra2 SCSI (4) |
80 |
16 |
(4) |
12 |
25 |
16 |
| Ultra3 SCSI or Ultra160 SCSI (6) |
160 |
16 |
(4) |
12 |
(5) |
16 |
| Ultra320 SCSI (6) |
320 |
16 |
(4) |
12 |
(5) |
16 | Notes:
- The listed maximum bus lengths may be exceeded in Point-to-Point and engineered applications.
- Use of the word "Narrow", preceding SCSI, Ultra SCSI, or Ultra2 SCSI is optional.
- LVD was not defined in the original SCSI standards for this speed. If all devices on the bus support LVD, then 12-meters operation is possible at this speed. However, if any device on the bus is singled-ended only, then the entire bus switches to single-ended mode and the distances in the single-ended column apply. A distance of 25-meters is possible in LVD point-to-point applications.
- Single-ended is not defined for speeds beyond Ultra.
- HVD (Differential) is not defined for speeds beyond Ultra2.
- After Ultra2 all new speeds are wide only.
HVD SCSI was introduced as part of the SCSI-2 specification in an effort to increase speed, distance, and the number of devices available on the bus. HVD extends the length of cable to 25 meters (82 feet) and with Fast Wide SCSI, allows up to 16 SCSI devices (including the host adapter) on the bus. However, HVD SCSI requires high-powered transceivers and uses a differential voltage signal to determine the logical state of the bus. Parallel signal voltages (a positive and a negative voltage) sent along the bus establish the differential voltage. If (V+) - (V-) is a positive value, then the receiver detects a logical one. If (V+) - (V-) is a negative value, the receiver detects a logical zero. The differential bus is less prone than the SE bus to noise and ground shifts, since any interference on the bus will manifest itself on both (V+) and (V-), effectively canceling itself out. For this reason, the differential bus is called a balanced bus. This approach allows for a longer cable length and minimizes the effects of noise. But the high-powered transceivers that a balanced bus requires will not fit onto a one or two-chip controller chip set, making a differential bus impractical for most cost-effective applications.
The LVD SCSI, introduced in 1995, provides the low power, low cost of single-ended transceivers with the signal integrity, along with high-speed capability of HVD SCSI. Each LVD (V+ and V-) signal swings about +400mV around a common mode bias voltage of 1.25V. This small amount of change allows the signal to achieve its desired state more quickly than in single-ended or high voltage differential signaling. With LVD SCSI, based upon the EIA-644 (LVDS) standard for data transmissions over a copper wire, speeds of up to 655 megabytes per second can be reached (point-to-point). Another advantage of LVD SCSI over HVD SCSI is it's backward compatibility to SE SCSI2. Speed and distance for SE and HVD are not defined for Ultra3 or Ultra 160 and beyond. Specifications beyond Ultra 160 are clearly defined only for LVD, see Table 1
The DS2120 LVD SCSI terminator is fully compliant with Ultra320, Ultra3 or Ultra160, and Ultra 2 (LVD only) SCSI interface requirements. Since the DS2120 is an LVD-only SCSI terminator, SE or HVD devices connected to the bus with cause the DS2120 to automatically disconnect from the bus. This is accomplished inside the part automatically by sensing the voltage on the DIFFSENS line. LVD termination is provided by 5% tolerance laser-trimmed resistors biased with two current sources and a common-mode voltage source generated from a bandgap reference of 1.25V. The configuration is a y-type terminator with a 105Ω differential and a 150Ω common-mode resistance. A failsafe bias of 112mV is maintained when no drivers are connected to the LVD SCSI bus. Another failsafe is the bandgap temperature-to-voltage converter used to determine when the device exceeds 150°C. Once thermal shut-down temperature is reached, the device is electrically isolated from the bus.
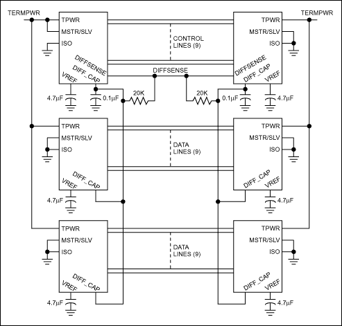
The DIFF_CAP pin monitors the DIFFSENS line to determine the proper operation mode of the device. If the voltage on the DIFF_CAP is between 0.7V and 1.9V, the device enters LVD mode after the mode-change delay. Three DS2120 LVD terminators are needed for wide SCSI applications (See Figure 1). In a typical application the SCSI devices are daisy-chained as shown below. The DIFFSENSE pin can also drive the SCSI DIFFSENS line when (MSTR/SLV) = 1) to determine the proper operating mode.
 Figure 1. SCSI wide bus configuration.
Internal to these devices, there is a 75KΩ pull-up between TPWR and the MSTR/SLV lines. Because of the internal pull-up, the MSTR/SLV line can be tied high, as shown in Figure 1 or optionally it can be left floating3.
The DS2120 is a high-performance LVD SCSI terminator. It is designed to provide the speed of HVD SCSI terminators, without the associated power consumption and real estate requirements. In the above configuration, only one set of terminators would typically reside on the host bus adapter (HBA), while the other set would exist in a small connector package at the end of the SCSI cable. The DS2120E resides in a small 28-pin 4.4mm TSSOP package. The complete packaging solution can easily be designed onto the end of a cable assembly or a cable adapter. The DS2120 also provides low power-down capacitance of 3pF and is hot-plug compatible. The operating ranges are from 2.7V to 5.5V and 0°C to 70°C.
Footnotes
- See SCSI Trade Association website: www.scsita.org
- Any version of SCSI, including LVD SCSI, must be backward-compatible by definition. The new standard uses a sensor, called the diffsense line for differentiation sensor, to differentiate among the various varieties. The terminators output a signal voltage to the diffsense line to differentiate among SE, HVD, and LVD. An SE bus will use a diffsense voltage less than 0.5V. A diffsense voltage between 0.7V and 1.9V denotes an LVD bus, and a diffsense voltage greater than 2.4V denotes a HVD bus.
- See Application Note 510: SCSI Bus Configuration For MSTR/SLV Connections
A similar version of this article appeared in the December 2002 issue of Electronics Update (Japan) magazine.
|