全球最实用的IT互联网信息网站!

AI人工智能P2P分享&下载搜索网页发布信息网站地图

当前位置:诺佳网 > 电子/半导体 > 通信网络 >

DS2141A, DS2143 Three Channel

时间:2009-04-20 10:40

人气:

作者:admin

标签: D  DS2141A 

导读:DS2141A, DS2143 Three Channel-Abstract: Application Note 306 provides the design requirements for implementing a three channel drop and insert application using the Dallas Semiconductor/Maxim DS2141A T1 framer or DS2143 E1 framer....
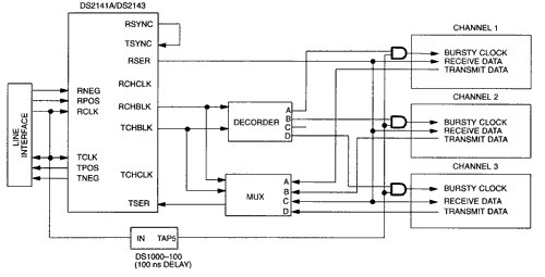
Abstract: Application Note 306 provides the design requirements for implementing a three channel drop and insert application using the Dallas Semiconductor/Maxim DS2141A T1 framer or DS2143 E1 framer.



Notes:

  1. A "looped-timed" application is shown.
  2. This application assumes the dropped channels occupy the same timeslots as the inserted channels.
  3. The idle registers in the DS1241A/43/51/53 can be used to fill unused (if any) channels.
  4. The used channels do not need to be contiguous nor do they need to be only one channel wide.
  5. The line interface function is included onboard the DS2151 and DS2153 devices.
  6. The delay is used to adjust the clock to account for the delay in generation of the signals that create the bursty clock.
  7. Additional channels can be added by allowing the RCHCLK signal to be driven into a counter and decoded; the decoded signal would then be used to provide additional selects for the decoder and mux.

温馨提示:以上内容整理于网络,仅供参考,如果对您有帮助,留下您的阅读感言吧!
相关阅读
本类排行
相关标签
本类推荐

CPU | 内存 | 硬盘 | 显卡 | 显示器 | 主板 | 电源 | 键鼠 | 网站地图

Copyright © 2025-2035 诺佳网 版权所有 备案号:赣ICP备2025066733号
本站资料均来源互联网收集整理,作品版权归作者所有,如果侵犯了您的版权,请跟我们联系。

关注微信