Abstr
act: In many appl
ica
tions, particularly in automotive application, limiting the tran
sducer output to some predefined values, also referred to as output clip
ping,
can serve as an imp
ortant diagnostic tool. The MAX1455 low-cost high-pe
rformance signal conditioner has the clipping function built in. A
simple method of implementing an ex
ternal output clipping function to the MAX1452 signal conditioner has been presented here. This is accomplished by
adding few resistors and utilizing the on-chip uncommitted op amp.
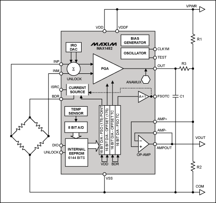
The MAX1452 (Figure 1) output signal is an
analog voltage that can range from the VDD r
ail to the VSS rail. The part can be configured to limit (clip) its output voltage to aid in system level diagnostics in sensor applications. This capability can detect open or short circuits caused by wiring or connector falures, and can detect sensor failures.
Forced clipping can be accomplished by using the integrated uncommitted op-amp and a few external resistors. The clip voltage range can be set to be symmetrical or asymmetrical to the supply voltages. The clip voltages are fully ratiometric to the supply voltages, maintaining the ratiometric performance of the system.
Figure 1. The MAX1452 schematic.
The output clip voltages are referred to as Clip-Top for limiting at the upper voltage range near VDD, and Clip-Bot for limiting at the lower voltage range near VSS. This can be seen graphically in Figure 2 for three different clip-range settings. All signals that would normally result in an output voltage greater than Clip-Top or lower than Clip-Bot will be truncated at the clip level. Over-range signals that would normally result in a saturated high or low output voltage would result in a clipped output at the clip voltage setting. No normal or over-range operation of the circuit can produce a voltage output in-between the clip voltage and the power-supply rail. System fault conditions (a short in wires to sensor, open wires or connections) will produce voltage signals beyond the clip voltage and near the supply-rail voltage.

Figure 2. Various output diagnostic clip settings.
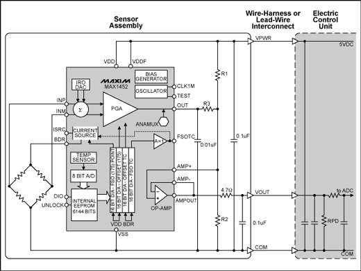
A typical application diag
ram is shown in Figure 3. The sensor assembly contains a pressure or force transducer and the MAX1452 signal conditioning IC. A wire-harness joins the sensor assembly to the primary Electronic Control Unit (ECU). The ECU provides the power-supply voltage (5V typical) to the sensor and receives the analog voltage signal from the sensor. The three harness wires are often bund
led with other wires and may pass through several connector systems between the sensor and the ECU. It is desirable to detect an open circuit in the wires or connectors so that the ECU can take appropriate action. This action may consist of shutting down a
subsystem, disregarding all measurements on the suspect line, or activating warning lights to indicate the fault condition.

Figure 3. Typical sensor wiring configuration.
It is common practice to use a pull-up or pull-down resistor on the Vout line in the ECU that will pull the line to a defined state when the Vout line is an open circuit, as shown in Figure 2. Values for RPU or RPD of 2.2KΩ to 10KΩ have been used. When the Vout line is an open circuit the resistor pulls the line to a supply-rail and keeps it stable at that value. Without the clip diagnostic function, a voltage on Vout of 0V would be considered a no-load condition. By limiting the normal operating output of the sensor to values that are slightly away from the supply-rail voltages, a supply-rail voltage is then considered an anomalous signal and a fault condition (i.e., an open circuit in the Vout line).
The three resistors that form the clip function are R1, R2, and R3, as shown in Figure 4. By selecting values for these resistors, precise clip voltages can be obtained. The op-amp is configured as a voltage follower which provides the drive capability for Vout and buffers the resistor network from changing loads on the Vout line. Symmetrical clipping occurs when R1=R2. Setting R1 and R2 to different values controls asymmetrical clipping. R3 controls how close the output signal Vout swings toward each rail. Table 1 shows three different clip range conditions created with three different resistor settings.

Figure 4. Creating clip-high and clip-low diagnostic voltage limiting.
Table 1. Output Clip Voltage Settings with VDD = 5.0VDC
|
R1 (Ω) |
R2 (Ω) |
R3 (Ω) |
Output Clip High (V) |
Output Clip Low (V) |
|
10K |
10K |
208 |
4.90 |
0.10 |
|
10K |
10K |
555 |
4.75 |
0.25 |
|
10K |
10K |
1.25K |
4.50 |
0.50 |
|
10K |
5K |
588 |
4.50 |
0.25 |