摘要:本应用笔记说明了DS1302 RTC通过3线
接口与8051微
控制器的连接方式,设计实例包括
电路原理图和
C语言接口程序。
DS1302引脚配置
概述
本应用笔记介绍了DS1302串行
实时时钟与8051
微控制器的接口方式,所提供的
程序代码能够实现基本的接口功能。本文所采用的微控制器是DS2250,程序用C语言编写。
工作原理
接口程序利用微控制器的三个通用
端口控制3线同步总线,微控制器通过发送一个命令字节至DS1302启动数据传输。随后,微控制器发送其它数据和/或SCLK至DS1302,按照命令字节决定数据的发送或接收。
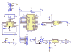
程序清单如图1所示,电路原理图如图2所示。
图1. 程序清单(
下载ZIP文件)

查看大图
图2. DS1302 RTC原理图