全球最实用的IT互联网信息网站!

AI人工智能P2P分享&下载搜索网页发布信息网站地图

当前位置:诺佳网 > 电子/半导体 > 通信网络 >

来电显示信号解码模块电路原理

时间:2009-03-29 22:46

人气:

作者:admin

标签: 来电显示 

导读:来电显示信号解码模块电路原理-来电显示是近年来电信部门推出的一种新的业务——显示被叫方的电话号码和呼叫时间等信息。来电显示电话机和来电显示器产品应用十分广泛,其技术...
来电显示是近年来电信部门推出的一种新的业务——显示被叫方的电话号码和呼叫时间等信息。来电显示电话机和来电显示器产品应用十分广泛,其技术也相当成熟。

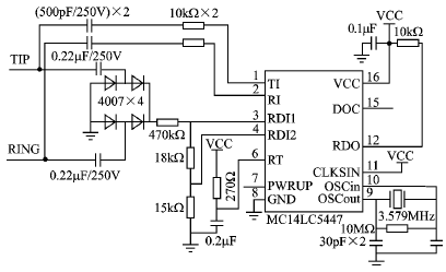
按此在新窗口浏览图片
图1  来电显示信号解码模块电路原理

  传统的来电显示信息电话仅将数据显示在自身的话机上,而无法将数据提供给计算机或其他设备。所以,开发来电显示电话与计算机的接口和相关的数据采集系统是十分必要的,也是有实用价值的。

  本装置共分为4个子模块设计,分别为来电显示信号解码模块、信号采集模块、电话信号处理模块、USB传输模块。其中USB传输模块通过接口函数调用,且通过接口函数即可得到来电显示号码。

温馨提示:以上内容整理于网络,仅供参考,如果对您有帮助,留下您的阅读感言吧!
相关阅读
本类排行
相关标签
本类推荐

CPU | 内存 | 硬盘 | 显卡 | 显示器 | 主板 | 电源 | 键鼠 | 网站地图

Copyright © 2025-2035 诺佳网 版权所有 备案号:赣ICP备2025066733号
本站资料均来源互联网收集整理,作品版权归作者所有,如果侵犯了您的版权,请跟我们联系。

关注微信