时间:2009-04-20 09:00
人气:
作者:admin
相关应用笔记:Intel(R) T1/E1/J1, N+1 Redundancy With Analog Switches and Intel(R) LXT38x Line Interface Units
表1. 模拟开关与继电器的比较
| Relay | Analog Switch | |
| Board Space | 100mm2 | 15mm2 |
| Power Consumption | 140mW | 5µW |
| Switching Speed | 4ms | 30ns |
| Reliability | Mechanical Operation | No Moving Parts |
本篇应用笔记介绍了如何使用模拟开关实现T1/E1/J1, N+1冗余保护。同时还提供了一些选择模拟开关的指导,并给出了使用Maxim/Dallas模拟开关和T1/E1/J1收发器的测试结果。
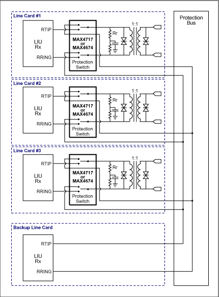
在图1中("结构A”),模拟开关位于线卡上。结构A的优点是,不必像下面的“结构B”那样需要一个单独的用于保护切换的线卡。但它要求即使在失效切换时开关也能获得供电,这就要求一个单独的专用电源。

图1a. 冗余结构A: 接收通道。

图1b. 冗余结构A: 发送通道。
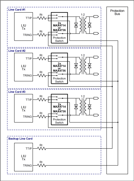
在图2(“结构B”)中,模拟开关在一个单独的“保护切换卡”中。结构B的优点是它不依赖于线卡中的常“开”电源,但是它需要额外的保护切换卡。

图2a.冗余结构B: 接收通道。
图2b. 冗余结构B: 发送通道。
为了满足T1/E1/J1接口规范,选择模拟开关必须认真考虑其电气特性。因为发送和接收端口的要求有很大差异,我们分别考查它们。
一些收发器(如DS2155)允许用软件调节输出脉冲的幅度。这对于不使用输出电阻(Rt = 0)的收发器,保证足够的脉冲模板裕量非常有用。
在发送接口中另一个重要参数是开关的导通和关断电容 (CON 和 COFF)。过量的导通电容会使输出脉冲失真并降低发送器的回波损失特性。关断电容在备用线卡通过保护总线发送时有重要影响,如图1和图2所示。在这种情况下,输出驱动器看到的电容是所有其他线卡上关断电容的并联。
模拟开关如MAX4714和MAX4736的优异性能非常适合于T1/E1发送切换。它们有非常低的Ron (典型值0.6Ω)和非常低的电容(典型值CON = 65pF,COFF = 30pF)。
开关Ron电阻将与接收器引脚(RTIP/RRING)串联,如图1和图2所示。如果线路的端接仅由外部电阻Rr独自提供,因为接收器阻抗非常高,所以Ron不会对接收电路造成很大的影响。然而,一些现代收发器如Dallas的DS2155通过连接一个可以由软件选择的与外部电阻Rr (每个60Ω)并联的电阻提供内部端接。因此,接收接口的Ron可以比发送接口的大一些,(为了减小电容),但是它仍应该保持足够小,以免影响内部端接收发器的性能。
Maxim的MAX4717提供平衡的很好的Ron和低电容,特别适合于T1/E1/J1接收接口应用。它的典型Ron 为3Ω,并具有非常低的电容(典型值CON = 15pF,COFF = 9pF)。
用Dallas DS2155单片收发器的评估板测试图1和图2电路。模拟开关使用3.3V电源供电。测试装置中的元件取值如下表所示:
| Component | Value T1 Mode | Value E1 Mode (Twisted Pair) | Value E1 Mode (Coaxial Cable) | Notes |
| Transmit Transformer | 1:2 PE-65771 |
1:2 PE-65771 |
1:2 PE-65771 |
Can also use other Dallas/Maxim recommended transformers (See App Note 351: "Transformer Selection Guide") |
| Receive Transformer | 1:1 PE-68644 |
1:1 PE-68644 |
1:1 PE-68644 | |
| Rt | 0Ω | 10Ω | 10Ω | Internal transmit termination off |
| Rr | 60Ω | 60Ω | 60Ω | Internal receive termination on |
| Cr | 0.1μF | 0.1μF | 0.1μF | |
| Receive Switch | MAX4717 | |||
| Transmit Switch | MAX4714 | |||
使用本电路时必须关闭内部发送端接功能。为了在E1双绞线和同轴电缆中使用相同的发送电阻,必须将以下数值写入发送线补偿控制寄存器(TLBC):
TLBC (地址7Dh) = 6Ah
它设置驱动器的电压,使输出脉冲在120Ω(双绞线)和75Ω(同轴)负载上都具有正确的幅度。
根据实际应用,你还需要给图1和图2中的电路增加浪涌保护器件。关于浪涌保护的详细信息请访问Dallas/Maxim网站上的相关应用笔记。
为了在最差情况的容性负载下(备用板被激活)实现良好的性能,建议N不要超过8(1:8冗余保护)。图3至图5显示了测得的T1/E1输出脉冲。
图3. 输出脉冲, T1 模式
| T1, 0-133ft LBO, 0 ft电缆,正常工作 (1) | T1, 0-133ft LBO, 0 ft电缆, N = 8(2) |
![]() |
![]() |
图4.输出脉冲, E1 双绞线
| E1, 同轴电缆,正常工作 (1) | E1,同轴电缆, N = 8 (2) |
![]() |
![]() |
图5. 输出脉冲, E1同轴电缆
| E1, 双绞线,正常工作 (1) | E1, 双绞线, N = 8 (2) |
![]() |
![]() |