全球最实用的IT互联网信息网站!

AI人工智能P2P分享&下载搜索网页发布信息网站地图

当前位置:诺佳网 > 电子/半导体 > 通信网络 >

DS2148/DS21348 Hardware Mode

时间:2009-04-20 09:09

人气:

作者:admin

标签: DS2148  DS2 

导读:DS2148/DS21348 Hardware Mode-Abstract: Application Note 407 provides a focused view of the functionality of the Dallas Semiconductor/Maxim DS2148/DS21348 selectable E1 or T1 line interface unit (LIU) in hardwar...
Abstract: Application Note 407 provides a focused view of the functionality of the Dallas Semiconductor/Maxim DS2148/DS21348 selectable E1 or T1 line interface unit (LIU) in hardware mode along with references to software mode features to aid designers creating applications using hardware mode only.

Introduction

There are two major modes of operation for the DS2148/DS21348: software and hardware mode. The "mode" refers to the method used to control the functionality of the device. Applications implementing software mode use a microcontroller's serial or parallel bus to communicate to the control registers contained in the DS2148/DS21348. In hardware mode, the functions of the serial/parallel communication bus pins are reassigned such that the pins' logic state provide direct control of the internal functionality of the DS2148/DS21348.

The DS2148 and DS21348 data sheets contain all the information required to implement the DS2148/DS21348 in designs using a T1 or E1 interface. The data sheets were written with the software mode user in mind and therefore contain information required to set up the DS2148/DS21348 using the control registers and the additional functionality available in software mode that is not available when using hardware mode.

This application note provides a focused view of the functionality of the DS2148/DS21348 in hardware mode along with references to software mode features to aid designers creating applications using hardware mode only.

Should Hardware Mode Be Used?

The advantage of using the DS2148/DS21348 in hardware mode is that no microcontroller is required to control the functionality. Each application has specific requirements that determine whether or not hardware mode can be used. The primary consideration is whether or not any of the features available only in software mode are required in the application. Table 1 provides a list of all the software mode features that are totally eliminated in hardware mode. The register bit position and name is provided to allow ease in referencing the complete description of the functionality contained in the DS2148 and DS21348 data sheets.

Hardware Mode Implementation

All the primary functions that require the ability to change are controlled by external pins in hardware mode. Table 2 provides a reference for the functionality of the software mode bit positions and the corresponding pin that is used in hardware mode to control the DS2148/348.

While some software controllable features are unavailable in hardware mode, the DS2148/DS21348 default functionality was carefully chosen to perform as expected in normal applications. Table 3 lists the features and their default operation in hardware mode. A complete description of the hardware mode functionality of each of the pins is provided in Table 4.

Figures 1, 2, and 3 provide block diagrams representative of the functionality of the DS2148/DS21348 in hardware mode and are similar to their software mode counterparts in the data sheets. In contrast to the block diagrams provided in the data sheets, the external pins of the DS2148/DS21348 replace references to the control registers. Software-mode-only functions have also been removed.

Although most DS2148/DS21348 applications implement software mode, hardware mode remains a viable option for many customers. Using this document along with the DS2148 and DS21348 data sheets provides the information required to get a hardware mode application up and running with minimal time and effort.

Table 1. Software mode features eliminated in hardware mode
Position Function
CCR1.4 Error Counter Update Enable
CCR1.2 TCLK to JACLK
CCR1.1 TCLK to RCLK
CCR1.0 Loss-of-Transmit Clock Mux Control
CCR2.4 Custom Line Driver Select
CCR3.6 Automatic Transmit Unframed All Ones
CCR3.3 Transmit Loop Code Enable
CCR3.2 Line Interface Reset
CCR3.1 Insert BPV
CCR3.0 Insert Bit Error
CCR5.7 Backplane Clock Select 1
CCR5.6 Backplane Clock Select 0
CCR6.5 Automatic Remote Loopback Enable and Reset
CCR6.3 RCLK Jitter Attenuator Bypass
CCR6.2 Error Count Register Select 2
CCR6.1 Error Count Register Select 1
CCR6.0 Error Count Register Select 0


Table 2. Hardware mode pin control/register reference
Position Pin Function
CCR1.7 ETS E1/T1 Select
CCR1.6 NRZE NRZ Enable
CCR1.3 JAMUX Jitter Attenuator Mux
CCR2.3 HBE Receive HDB3/B8ZS Enable
CCR2.2 HBE Transmit HDB3.B8ZS Enable
CCR2.1 CES Transmit Clock Edge Select
CCR2.0 CES Receive Clock Edge Select
CCR3.7 TX0, TX1 Transmit Unframed All Ones
CCR3.5 TX0, TX1 Transmit Alternate Ones and Zeros
CCR3.4 TX0, TX1 Transmit Alternates Ones and Zeros
CCR4.7 L2 Line Build-Out Select Pin 2
CCR4.6 L1 Line Build-Out Select Pin 1
CCR4.5 L0 Line build-Out Select Pin 0
CCR4.4 EGL Receive Equalizer Gain Limit
CCR4.3 JAS Jitter Attenuator Select
CCR4.1 DJA Disable Jitter Attenuator
CCR4.0 TPD Transmit Power-Down
CCR5.5 MM1 Monitor Mode 1
CCR5.4 MM0 Monitor Mode 0
CCR5.3 SCLKE Receive Synchronization Clock Enable
CCR5.2 SCLKE Transmit Synchronization Clock Enable
CCR5.1 RT1 Receive Termination 1
CCR5.0 RT0 Receive Termination 0
CCR6.7 LOOP0, LOOP1 Local Loopback
CCR6.6 LOOP0, LOOP1 Remote Loopback
CCR6.4 LOOP0, LOOP1 Analog Loopback


Table 3. Hardware mode default functionality
Position Function Hardware Mode Function
CCR1.5 Receive Carrier Loss Alternate Criteria RCL declared upon 255 (E1) or 192 (T1) consecutive zeros
CCR2.7 Pin 25 Select Toggles high during a receive carrier loss condition
CCR2.5 Short Circuit Limit Disable 50mA current-limiter enabled
CCR4.2 Jitter Attenuator Buffer Depth Select 128 bits


Table 4. Pin descriptions in hardware mode (sorted by pin name, DS2148/348T pin numbering)
Name Pin Type Function
BIS0 32 I Bus Interface Select Pins 0 and 1. These pins are used to select the bus interface option. BISO = 1 and BIS1 = 1 selects the hardware mode.
BIS1 33
BPCLK 31 O Backplane Clock. 16.384Mhz output
CES 12 I Receive & Transmit Clock Edge Select. Selects which RCLK edge to update RPOS and RNEG and which TCLK edge to sample TPOS and TNEG.
0 = update RNEG/RPOS on rising edge of RCLK; sample TPOS/TNEG on falling edge of TCLK
1 = update RNEG/RPOS on falling edge of RCLK; sample TPOS/TNEG on rising edge of TCLK
DJA 8 I Disable Jitter Attenuator
0 = jitter attenuator enabled 1 = jitter attenuator disabled
EGL 1 I Receiver Equalizer Gain Limit. This bit controls the sensitivity of the receiver equalizer.
EGL E1 (ETS = 0)
0 = -12 dB (short haul)
1 = -43 dB (long haul)
EGL T1 (ETS = 1)
0 = -36 dB (long haul)
1 = -30 dB (limited long haul)
ETS 2 I E1/T1 Select
0 = E1
1 = T1
HBE 11 I Receive & Transmit HDB3/B8ZS Enable.
0 = enable HDB3 (E1) / B8ZS (T1)
1 = disable HDB3 (E1) / B8ZS (T1)
HRST 29 I Hardware Reset. Bringing HRST low resets the DS21348
JAMUX 9 I Jitter Attenuator MUX. Controls the source for JACLK.
E1 (ETS = 0) JAMUX
MCLK = 2.048 MHz 0
T1 (ETS = 1)
MCLK = 2.048 MHz 1
MCLK = 1.544 MHz 0
JAS 10 I Jitter Attenuator Selector.
0 = place the jitter attenuator on the receive side
1 = place the jitter attenuator on the transmit side
L0 7 I Transmit LIU Waveshape Select Pins 0, 1, & 2. These inputs determine the waveshape of the transmitter
L2 L1 L0 E1 (ETS = 0) APPLICATION
0 0 0 75Ω normal
0 0 1 120Ω normal
1 0 0 75Ω w/ high return loss
1 0 1 120Ω w/ high return loss
T1 (ETS = 1) APPLICATION
0 0 0 DSX-1 (o to 133 feet) / 0dB CSU
0 0 1 DSX-1 (133 to 266 feet)
0 1 0 DSX-1 (266 to 399 feet)
0 1 1 DSX-1 (399 to 533 feet)
1 0 0 DSX-1 (533 to 655 feet)
1 0 1 -7.5 dB CSU
1 1 0 -15 dB CSU
1 1 1 -22.5 dB CSU
L1 6    
L2 5    
LOOP0 16 I Loopback Select Bits 0 & 1. These inputs determine the active loopback mode (if any).
LOOP1 LOOP0 SYMBOL LOOPBACK
0 0 --- No Loopback
0 1 ALB Analog Loopback
1 0 LLB Local Loopback
1 1 RLB Remote Loopback
LOOP1 17    
MCLK 30 I Master Clock. A 2.048MHz (±50ppm) clock source with TTL levels is applied at this pin. This clock is used internally for both clock/data recovery and for jitter attenuation. Use of a T1 1.544 MHz clock source is optional. G.703 requires an accuracy of ±50ppm for both T1 and E1. TR62411 and ANSI specs require an accuracy of ±32ppm for T1 interfaces.
MM0 18 I Monitor Mode Select Pins 0 & 1. These inputs determine if the receive equalizer is in a monitor mode.
MM1 MM0 INTERNAL GAIN BOOST
0 0 Normal operation (no boost)
0 1 20dB
1 0 26dB
1 1 32dB
MM1 19    
NRZE 3 I NRZ Enable
0 = Bipolar data at RPOS/RNEG and TPOS/TNEG
1 = NRZ data at RPOS and TPOS or TNEG; RNEG outputs a positive outgoing pulse when device receives a BPV, CV, or EXZ.
PBEO 24 O PRBS Pin Error Output. The receiver will constantly search for a QRSS (T1) or a 215 - 1 (E1) PRBS depending on whether T1 or E1 mode is selected. Remains high if out of synchronization with the PRBS pattern. Goes low when synchronized to the PRBS pattern. Any errors in the received pattern after synchronization will cause a positive-going pulse (with same period as E1 or T1 clock) synchronous with RCLK.
RCLK 40 O Receive Clock. Buffered recovered clock from the line. Synchronous to MCLK in absence of signal at RTIP and RRING.
RCL 25 O Receive Carrier Loss. An output which will toggle high during a receive carrier loss.
RNEG 39 O Receive Negative Data. Updated on the rising edge (CES = 0) or the falling edge (CES = 1) of RCLK with the bipolar data out of the line interface. Set NRZE to a one for NRZ applications. In NRZ mode, data will be output on RPOS while a received error will cause a positive-going pulse synchronous with RCLK at RNEG.
RPOS 38 O Receive Positive Data. Updated on the rising edge (CES = 0) or the falling edge (CES = 1) of RCLK with bipolar data out of the line interface. Set NRZE to a one for NRZ applications. In NRZ mode, data will be output on RPOS while a received error will cause a positive-going pulse synchronous with RCLK at RNEG.
RT0 44 I Receive LIU Termination Select Pins 0 & 1. These inputs determine the receive termination.
INTERNAL RECEIVE
RT1 RT0 TERMINATION CONFIGURATION
0 0 Internal receive-side termination disabled
0 1 Internal receive-side 120Ω enabled
1 0 Internal receive-side 100Ω enabled
1 1 Internal receive-side 75Ω enabled
RT1 23    
RTIP 27 I Receive Tip and Ring. Analog inputs for clock recovery circuitry. These pins connect via a 1:1 transformer to the line.
RRING 28    
SCLKE 4 I Receive and Transmit Synchronization Clock Enable.
0 = disable 2.048MHz synchronization transmit and receive mode
1 = enable 2.048MHz synchronization transmit and receive mode
TCLK 43 I Transmit Clock. A 2.048MHz or 1.544MHz primary clock. Used to clock data through the transmit side formatter.
TEST 26 I Tri-State Control. Set high to tri-state all outputs and I/O pins. Set low for normal operation. Useful in board level testing.
TNEG 42 I Transmit Negative Data. Sampled on the falling edge (CES = 0) or the rising edge (CES = 1) of TCLK for data to be transmitted out onto the line.
TPD 13 I Transmit Power-Down
0 = normal transmitter operation
1 = powers down the transmitter and tri-states the TTIP and TRING pins
TPOS 41 I Transmit Positive Data. Sampled on the falling edge (CES = 0) or the rising edge (CES = 1) of TCLK for data to be transmitted out onto the line.
TTIP 34 O Transmit Tip and Ring [TTIP and TRING]. Analog line-driver outputs. These pins connect via a step-up transformer to the line.
TRING 37    
TX0 14 I Transmit Data Source Select Pins 0 & 1. These inputs determine the source of the transmit data.
TX1 TX0 SYMBOL TRANSMIT DATA
0 0 --- TPOS & TNEG
0 1 TPRBSE Transmit PRBS
1 0 TAOZ Transmit Alternating Ones and Zeros
1 1 TUA1 Transmit Unframed All Ones
TX1 15    
VDD 21, 36 --- Positive Supply. DS2148 = 5.0V ±5%; DS21348 = 3.3V ±5%
VSM 20 I Voltage Supply Mode. DS2148 = connect to VDD. DS21348 = connect to VSS.
VSS 22, 35 --- Signal Ground


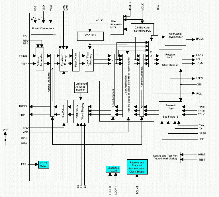
Figure 1. DS2148/DS21348 hardware mode block diagram.
Figure 1. DS2148/DS21348 hardware mode block diagram.
Figure 2. DS2148/DS21348 hardware mode receive logic.

Figure 2. DS2148/DS21348 hardware mode receive logic.

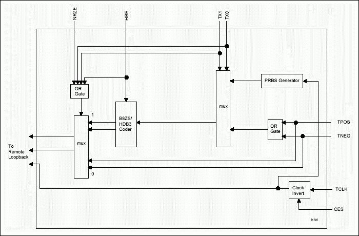
Figure 3. DS2148/DS21348 hardware mode transmit logic.
Figure 3. DS2148/DS21348 hardware mode transmit logic.


温馨提示:以上内容整理于网络,仅供参考,如果对您有帮助,留下您的阅读感言吧!
相关阅读
本类排行
相关标签
本类推荐

CPU | 内存 | 硬盘 | 显卡 | 显示器 | 主板 | 电源 | 键鼠 | 网站地图

Copyright © 2025-2035 诺佳网 版权所有 备案号:赣ICP备2025066733号
本站资料均来源互联网收集整理,作品版权归作者所有,如果侵犯了您的版权,请跟我们联系。

关注微信