Abstr
act: The Dallas Sem
iconduct
or frame
rs can opera
te in a transparent mode in both the receive and transmit direc
tions. The transmitter will not insert framing, signaling, or other information such as CRC or FDL. Generally, the receive side of the framers is always transparent. Data received at RTIP and RRING is passed through intact to RSER. All configurations are with the elastic stores disabled. The elastic stores will not alter data except during slip conditions or if configured for 1.544MHz/2.048MHz conversion or signaling reinsertion.
Introduction
This application note applies to the following products.
| T1 Framers |
E1 Framers |
T1/E1/J1 Framers |
T1 SCTs |
E1 SCTs |
T1/E1 SCTs |
| DS21Q41 |
DS21Q43 |
DS26401 |
DS2151 |
DS2153 |
DS2155 |
| DS21Q42 |
DS21Q44 |
|
DS2152 |
DS2154 |
DS21Q55 |
| DS21FF42 |
DS21FF44 |
|
DS21352 |
DS21354 |
DS2156 |
| DS21FT42 |
DS21FT44 |
|
DS21552 |
DS21554 |
DS21455 |
| |
|
|
DS21Q352 |
DS21Q354 |
DS21458 |
| |
|
|
DS21Q552 |
DS21Q554 |
DS26521 |
| |
|
|
|
DS2150 |
DS26524 |
| |
|
|
|
DS21Q50 |
DS26528 |
The Dallas Semiconductor framers can operate in a transparent mode in both the receive and transmit directions. The transmitter will not insert framing, signaling, or other information such as CRC or FDL. Generally, the receive side of the framers is always transparent. Data received at RTIP and RRING is passed through intact to RSER. All configurations are with the elastic stores disabled. The elastic stores will not alter data except during slip conditions or if configured for 1.544MHz/2.048MHz conversion or signaling reinsertion.
Transparent Operation on DS21Q42, DS21FF42, DS21FT42, DS21352, DS21552, DS21Q352, DS21Q552
Register Configurations:
TCR1.2, TCR1.5, TCR1.6 = 1
TCR1.0, TCR1.1, TCR1.4 = 0
TCR2.0 = 0
TIR1, TIR2, TIR3 = 00h
TCC1, TCC2, TCC3 = 00h
RCC1, RCC2, RCC3 = 00h
TDC1.7 = 0
CCR1.5 = 0
RMR1, RMR2, RMR3 = 00h
Transparent Operation on DS21Q44, DS21FF44, DS21FT44, DS21354, DS21554, DS21Q354, DS21Q554
Register Configurations:
TCR1.6 = 1
TCR1.2, TCR1.3, TCR1.4, TCR1.5 = 0
TCR2.1, TCR2.2, TCR2.3, TCR2.4, TCR2.5, TCR2.6, TCR2.7 = 0
CCR1.4 = 0
CCR2.3, CCR2.4, CCR2.5 = 0
TIR1, TIR2, TIR3, TIR4 = 00h
TCC1, TCC2, TCC3, TCC4 = 00h
RCC1, RCC2, RCC3, RCC4 = 00h
TSaCR = 00h
TDC1.7 = 0
Transparent Operation on DS2152
Register Configurations:
TCR1.2, TCR1.5, TCR1.6 = 1
TCR1.0, TCR1.1, TCR1.4 = 0
TCR2.0 = 0
TIR1, TIR2, TIR3 = 00h
TCC1, TCC2, TCC3 = 00h
RCC1, RCC2, RCC3 = 00h
CCR1.5 = 0
RMR1, RMR2, RMR3 = 00h
Transparent Operation on DS2154
Register Configurations:
TCR1.6 = 1
TCR1.2, TCR1.3, TCR1.4, TCR1.5 = 0
TCR2.1, TCR2.2, TCR2.3, TCR2.4, TCR2.5, TCR2.6, TCR2.7 = 0
CCR1.4 = 0
CCR2.3, CCR2.4, CCR2.5 = 0
CCR4.5 = 0
TIR1, TIR2, TIR3, TIR4 = 00h
TCC1, TCC2, TCC3, TCC4 = 00h
RCC1, RCC2, RCC3, RCC4 = 00h
Transparent Operation on DS2155, DS2156, DS21455, DS21458 and DS21Q55 for E1 Mode
Register Configurations:
MSTRREG = 02h
T1RCR1= 00h, T1RCR2= 00h
T1TCR1= 00h, T1TCR2= 00h
T1CCR1 = 00h
E1RCR1 = 00h, E1RCR2 = 00h
E1TCR1= 80h, E1TCR2= 00h
CCR1 = 00h, CCR2 = 00h, CCR3 = 00h, CCR4 = 00h
H1TC = 00h, H2TC = 00h
Transparent Operation on DS2155, DS2156, DS21455, DS21458 and DS21Q55 for T1 Mode
Register Configurations:
MSTRREG = 00h
T1RCR1= 1Eh, T1RCR2= 60h
T1TCR1= 60h, T1TCR2= 80h
T1CCR1 = 04h
E1RCR1 = 00h, E1RCR2 = 00h
E1TCR1= 00h, E1TCR2= 00h
CCR1 = 00h, CCR2 = 00h, CCR3 = 00h, CCR4 = 00h
H1TC = 00h, H2TC = 00h
Transparent Operation on DS21Q50 for E1 Mode
Register Configurations:
RCR1 = 00h
CCR1 = 00h, CCR2 = 00h, CCR3 = 00h, CCR4 = 00h
CCR5 = 00h
TIR1 = 00h, TIR2 = 00h, TIR3 = 00h, TIR4 = 00h
Transparent Operation on DS2151, DS21Q41
Hardware Considerations:
TSER and TLINK must be tied together either
logically or physically.
Register Configurations:
TCR1.2, TCR1.5, TCR1.6 = 1
TCR1.0, TCR1.1, TCR1.4 = 0
TCR2.0 = 0
TIR1, TIR2, TIR3 = 00h
CCR1.5 = 0
RMR1, RMR2, RMR3 = 00h
Transparent Operation on DS2153, DS21Q43
Hardware Considerations:
Need rev A5 or better for complete receive transparency with elastic store enabled (DS2153 only).
Register Configurations:
TCR1.6 = 1
TCR1.2, TCR1.3, TCR1.4, TCR1.5 = 0
CCR1.4 = 0
CCR2.3, CCR2.4, CCR2.5 = 0
TIR1, TIR2, TIR3, TIR4 = 00h
TCR2.1, TCR2.2, TCR2.3, TCR2.4, TCR2.5, TCR2.6, TCR2.7 = 0
RCR2.1 = 0 (required on rev A2 devices only)
In order to get transparent mode working on the devices DS26401, DS26521, DS26524 and DS26528, the customer should never set the RMMR and TMMR INIT_DONE bits to 1. Doing so will cause the framer to search for the framing pattern.
Transparent Operation on DS26401 for E1 Mode
Register Configurations:
RMMR = 81h
RCR1 = 22h, RCR2 = 00h
TMMR = 81h
TCR1= 80h, TCR2= 00h
Transparent Operation on DS26401 for T1 Mode
Register Configurations:
RMMR = 80h
RCR1= CAh, RCR2= 0Ch
TMMR = 80h
TCR1= 64h, TCR2= 00h, TCR3= 00h
Transparent Operation on DS26521, DS26524 and DS26528 for E1 Mode
Register Configurations:
RMMR = 81h
E1RCR1 = 22h, E1RCR2 = 00h, E1RCR3 = 00h
TMMR = 81h
E1TCR1= 80h, E1TCR2= 00h, TCR3 = 00h
Transparent Operation on DS26521, DS26524 and DS26528 for T1 Mode
Register Configurations:
RMMR = 80h
T1RCR1= CAh, T1RCR2= 0Ch
TMMR = 80h
T1TCR1= 64h, T1TCR2= 00h, TCR3= 00h
Conclusion
If you have further questions about transparent operation on Dallas Semiconductor framers or SCTs, contact the Telecommunications Applications Support Team via em
ail at
telecom.support@dalsemi.com or call 972-371-6555.
or transmitted without host intervention.
The user must take care to not map both transmit HDLC controllers to the same Sa bits, time slots or, in T1 mode, map both controllers to the FDL. HDLC #1 and HDLC #2 are identical in operation and therefore, when applicable, each DS21x52 register bit will be mapped to two
addresses.
DS21x52 Register: HCR: HDLC Control Register
DS21x52 Register Address: 00 Hex
| Bit # |
Name |
55 Abbrv. |
55 Addr.Bit |
| 7 |
RBR |
BOCC |
37.3 |
| 6 |
RHR |
HxRC* |
31.7 32.7 |
| 5 |
TFS |
HxTC* |
90.3 A0.3 |
| 4 |
THR |
HxTC* |
90.5 A0.5 |
| 3 |
TABT |
HxTC* |
See below |
| 2 |
TEOM |
HxTC* |
90.2 A0.2 |
| 1 |
TZSD |
HxTC* |
90.1 A0.1 |
| 0 |
TCRCD |
HxTC* |
90.0 A0.0 |
- HxTC refers to H1TC and H2TC located at addresses 90 Hex and A0 Hex respectively.
- HxRC refers to H1RC and H2RC located at addresses 31 Hex and 32 Hex respectively.
- TABT, bit 3, has been incorporated into the Transmit HDLC Reset (THR) bit.
DS21x52 Register: HSR: HDLC Status Register
DS21x52 Register Address: 01 Hex
| Bit # |
Name |
55 Abbrv. |
55 Addr.Bit |
| 7 |
RBOC |
SR8 |
24.0 |
| 6 |
RPE |
SR6 SR7 |
20.5 22.5 |
| 5 |
RPS |
SR6 SR7 |
20.4 22.4 |
| 4 |
RHALF |
SR6 SR7 |
20.3* 22.3* |
| 3 |
RNE |
SR6 SR7 |
20.2 22.2 |
| 2 |
THALF |
SR6 SR7 |
20.1* 22.1* |
| 1 |
TNF |
SR6 SR7 |
20.0 22.0 |
| 0 |
TMEND |
SR6 SR7 |
20.6 22.6 |
- The status bits for HDLC #1 have been mapped to Status Register 6 (SR6) in the DS2155.
- The status bits for HDLC #2 have been mapped to Status Register 7 (SR7) in the DS2155.
- THALF, bit 2, has been renamed to TLWM. In the DS21x52, THALF is set when the transmit 64-byte FIFO empties beyond the halfway point. For the DS2155, the TLWM bit will be set when the transmit 128-byte FIFO empties beyond the low water mark as defined by the TFLWM0-TFLWM2 bits located in the FIFO control register (H1FC, H2FC). The low water mark is programmable to one of 8 different levels.
- RHALF, bit 4, has been renamed to RHWM. In the DS21x52, RHALF is set when the receive 64-byte FIFO fills beyond the halfway point. For the DS2155, the RHWM bit will be set when the receive 128-byte FIFO fills beyond the high water mark as defined by the RFHWM0-RFHWM2 bits located in the FIFO control register (H1FC, H2FC). The high water mark is programmable to one of 8 different levels.
DS21x52 Register: HIMR: HDLC Interrupt Mask Register
DS21x52 Register Address: 02 Hex
| Bit # |
Name |
55 Abbrv. |
55 Addr.Bit |
| 7 |
RBOC |
IMR8 |
25.0 |
| 6 |
RPE |
IMR6 IMR7 |
21.5 23.5 |
| 5 |
RPS |
IMR6 IMR7 |
21.4 23.4 |
| 4 |
RHALF |
IMR6 IMR7 |
21.3* 23.3* |
| 3 |
RNE |
IMR6 IMR7 |
21.2 23.2 |
| 2 |
THALF |
IMR6 IMR7 |
21.1* 23.1* |
| 1 |
TNF |
IMR6 IMR7 |
21.0 23.0 |
| 0 |
TMEND |
IMR6 IMR7 |
21.6 23.6 |
- The interrupt mask bits for HDLC #1 have been mapped to HDLC Interrupt Mask Register 6 (IMR6) in the DS2155.
- The interrupt mask bits for HDLC #2 have been mapped to HDLC Interrupt Mask Register 7 (IMR7) in the DS2155.
- THALF, bit 2, has been renamed to TLWM. When THALF is enabled in the DS21x52, the device will generate an interrupt when the transmit 64-byte FIFO empties beyond the halfway point. For the DS2155, the device will generate an interrupt, if TLWM is enabled, when the transmit 128-byte FIFO empties beyond the low water mark as defined by the TFLWM0-TFLWM2 bits located in the FIFO control register (H1FC, H2FC). The low water mark is programmable to one of 8 different levels.
- RHALF, bit 4, has been renamed to RLWM. When RHALF is enabled in the DS21x52, the device will generate an interrupt when the receive 64-byte FIFO fills beyond the halfway point. For the DS2155, the device will generate an interrupt, if RHWM is enabled, when the receive 128-byte FIFO fills beyond the high water mark as defined by the RFHWM0-RFHWM2 bits located in the FIFO control register (H1FC, H2FC). The high water mark is programmable to one of 8 different levels.
DS21x52 Register: RHIR: Receive HDLC Information Register
DS21x52 Register Address: 03 Hex
| Bit # |
Name |
55 Abbrv. |
55 Addr.Bit |
| 7 |
RABT |
INFO5 INFO6 |
See below |
| 6 |
RCRCE |
INFO5 INFO6 |
See below |
| 5 |
ROVR |
INFO5 INFO6 |
See below |
| 4 |
RVM |
INFO5 INFO6 |
See below |
| 3 |
REMPTY |
INFO5 INFO6 |
2E.3 2F.3 |
| 2 |
POK |
INFO5 INFO6 |
See below |
| 1 |
CBYTE |
HxRPBA* |
9C.7* AC.7* |
| 0 |
OBYTE |
INFO4* |
#1 2D.1* #2 2D.3* |
- The HDLC information bits for HDLC #1 have been mapped to the Receive HDLC #1 Information Register, INFO5.
- The HDLC information bits for HDLC #2 have been mapped to the Receive HDLC #2 Information Register, INFO6.
- OBYTE, bit 0, is renamed as H1OBT for HDLC #1 and H2OBT for HDLC #2. Both H1OBT & H2OBT can be found in the HDLC Event Information Register (INFO4, address 2D Hex). There is no new functionality associated with this bit.
- HxRPBA refers to H1RPBA and H2RPBA, located at addresses 9C Hex and AC Hex respectively.
- CBYTE, bit 1, has been renamed as MS. Unlike the operation of the CBYTE bit in the DS21x52, the MS bit will be low when the byte available for reading the receive FIFO is the last byte of a message. MS will be high when the byte available for reading is the first byte of the continuation of a message.
- POK, bit 2, has been incorporated into the Receive Packet Status bits (PS0-PS2) located in INFO5 and INFO6.
- RVM, bit 4, has been incorporated into the Receive Packet Status bits (PS0-PS2) located in INFO5 and INFO6.
- ROVR, bit 5, has been incorporated into the Receive Packet Status bits (PS0-PS2) located in INFO5 and INFO6.
- RCRCE, bit 6, has been incorporated into the Receive Packet Status bits (PS0-PS2) located in INFO5 and INFO6.
- RABT, bit 7, has been incorporated into the Receive Packet Status bits (PS0-PS2) located in INFO5 and INFO6.
DS21x52 Register: RBOC: Receive Bit Oriented Code Register
DS21x52 Register Address: 04 Hex
| Bit # |
Name |
55 Abbrv. |
55 Addr.Bit |
| 7 |
LBD |
SR2 |
18.7 |
| 6 |
BD |
INFO2 |
11.6 |
| 5 |
BOC5 |
See below |
See below |
| 4 |
BOC4 |
See below |
See below |
| 3 |
BOC3 |
See below |
See below |
| 2 |
BOC2 |
See below |
See below |
| 1 |
BOC1 |
See below |
See below |
| 0 |
BOC0 |
See below |
See below |
- BOC0-BOC5, bits 0-5, share the RFDL register in the DS2155. See section 22 of the DS2155 for additional information on the BOC controller.
DS21x52 Register: RHFR: Receive HDLC FIFO
DS21x52 Register Address: 05 Hex
- The Receive HDLC FIFO Register has been relocated to address 9E Hex for HDLC #1 and AE Hex for HDLC #2.
- The lower 7 bits of the Receive Packet Bytes Available registers (H1RPBA, H2RPBA) indicate the number of bytes that can be read from the receive FIFO. The value indicated by the lower seven bits in these registers informs the host as to how many bytes can be read from the receive FIFO without going past the end of a message. This value will refer to one of four possibilities, the first part of a packet, the continuation of a packet, the last part of a packet, or a complete packet. After reading the number of bytes indicated by this register the host then checks the HDLC Information register for detailed message status. See section 24.4.2 of the DS2155 data sheet for additional information.
DS21x52 Register: THIR: Transmit HDLC Information Register
DS21x52 Register Address: 06 Hex
| Bit # |
Name |
55 Abbrv. |
55 Addr.Bit |
| 7 |
- |
- |
- |
| 6 |
- |
- |
- |
| 5 |
- |
- |
- |
| 4 |
- |
- |
- |
| 3 |
- |
- |
- |
| 2 |
TEMPTY |
INFO5 INFO6 |
2E.5 2F.5 |
| 1 |
TFULL |
INFO5 INFO6 |
2E.4 2F.4 |
| 0 |
TUDR |
INFO4* |
#1 2D.1* #2 2D.3* |
- TUDR, bit 0, is renamed as H1UDR for HDLC #1 and H2UDR for HDLC #2. Both H1UDR & H2UDR can be found in the HDLC Event Information Register (INFO4, address 2D Hex). There is no new functionality associated with this bit.
DS21x52 Register: TBOC: Transmit Bit Oriented Code Register
DS21x52 Register Address: 07 Hex
| Bit # |
Name |
55 Abbrv. |
55 Addr.Bit |
| 7 |
SBOC |
BOCC |
37.0 |
| 6 |
HBEN |
HxTC* |
90.4* A0.4* |
| 5 |
BOC5 |
See below |
See below |
| 4 |
BOC4 |
See below |
See below |
| 3 |
BOC3 |
See below |
See below |
| 2 |
BOC2 |
See below |
See below |
| 1 |
BOC1 |
See below |
See below |
| 0 |
BOC0 |
See below |
See below |
- BOC0-BOC5, bits 0-5, share the TFDL register in the DS2155. See section 22 of the DS2155 for additional information on the BOC controller.
- HxTC refers to H1TC and H2TC located at addresses 90 Hex and A0 Hex respectively.
- HBEN, bit 6, has been renamed as THMS. The THMS bit behaves in a different manner than the HBEN bit. See section 22 and 24 of the DS2155 for more information about the HDLCs operation.
DS21x52 Register: THFR: Transmit HDLC FIFO
DS21x52 Register Address: 08 Hex
- The Transmit HDLC FIFO Register has been relocated to address 9D Hex for HDLC #1 and AD Hex for HDLC #2.
- The Transmit FIFO Buffer Available registers (H1TFBA, H2TFBA) indicate the number of bytes that can be written into the transmit FIFOs. The count from this register informs the host as to how many bytes can be written into the transmit FIFO without overflowing the buffer
DS21x52 Register: R
DC1: Receive HDLC DS0 Control Register 1
DS21x52 Register Address: 90 Hex
| Bit # |
Name |
55 Abbrv. |
55 Addr.Bit |
| 7 |
RDS0E |
HxRC |
31.6* 32.6* |
| 6 |
- |
- |
- |
| 5 |
RDS0M |
See below |
See below |
| 4 |
RD4 |
See below |
See below |
| 3 |
RD3 |
See below |
See below |
| 2 |
RD2 |
See below |
See below |
| 1 |
RD1 |
See below |
See below |
| 0 |
RD0 |
See below |
See below |
- RD0 through RD4, bits 0 to 4, and RDS0M, bit 5, have been replaced by registers H1RCS1 to H1RCS4 for HDLC #1 and H2RCS1 to H2RCS4 for HDLC #2. Any channel or combination of channels, contiguous or not, can be assigned to an HDLC controller. When assigned to a channel(s) any combination of bits within the channel(s) can be avoided. See section 24.3 of the DS2155 for additional information on mapping the HDLC data to channels.
- HxRC refers to H1RC and H2RC located at addresses 31 Hex and 32 Hex respectively.
- RDS0E, bit 7, has been renamed to RHMS. The operation of this bit is inverted from that of the DS21x52. See section 24 of the DS2155 for additional information.
DS21x52 Register: RDC2: Receive HDLC DS0 Control Register 2
DS21x52 Register Address: 91 Hex
- Receive HDLC DS0 Control Register 2 has been relocated to 96 Hex for HDLC #1 and A6 Hex for HDLC #2.
DS21x52 Register: TDC1: Transmit HDLC DS0 Control Register 1
DS21x52 Register Address: 92 Hex
| Bit # |
Name |
55 Abbrv. |
55 Addr.Bit |
| 7 |
TDS0E |
HxTC |
90.4* A0.4* |
| 6 |
- |
- |
- |
| 5 |
TDS0M |
See below |
See below |
| 4 |
TD4 |
See below |
See below |
| 3 |
TD3 |
See below |
See below |
| 2 |
TD2 |
See below |
See below |
| 1 |
TD1 |
See below |
See below |
| 1 |
TD1 |
See below |
See below |
- TD0 through TD4, bits 0 to 4, and TDS0M, bit 5, have been replaced by registers H1TCS1 to H1TCS4 for HDLC #1 and H2TCS1 to H2TCS4 for HDLC #2. Any channel or combination of channels, contiguous or not, can be assigned to an HDLC controller. When assigned to a channel(s) any combination of bits within the channel(s) can be avoided. See section 24.3 of the DS2155 for additional information on mapping the HDLC data to channels.
- HxTC refers to H1TC and H2TC located at addresses 90 Hex and A0 Hex respectively.
- TDS0E, bit 7, has been renamed to THMS. The operation of this bit is inverted from that of the DS21x52. See section 24 of the DS2155 for additional information.
DS21x52 Register: TDC2: Transmit HDLC DS0 Control Register 2
DS21x52 Register Address: 93 Hex
- Transmit HDLC DS0 Control Register 2 has been relocated to 9B Hex for HDLC #1 and AB Hex for HDLC #2.
DS21x52 Register: RFDL: Receive FDL Register
DS21x52 Register Address: 28 Hex
- The Receive FDL Register has been relocated to address C0 Hex.
- The RFDL register will operate as the receive BOC message and information register when the receive BOC function is enabled by setting BOCC.4 to 1. The lower six bits of the RFDL register will contain the BOC message bits when used in this configuration. See section 22 of the DS2155 data sheet for more information.
DS21x52 Register: RFDLM1, RFDLM2: Receive FDL Match Registers
DS21x52 Register Address: 29 & 2A Hex
- Receive FDL Match Registers 1 and 2 have been relocated to address C2 Hex and C3 Hex, respectively.
DS21x52 Register: TFDL: Transmit FDL Register
DS21x52 Register Address: 7E Hex
- The Transmit FDL Register has been relocated to address C1 Hex.
- The TFDL register will operate as the transmit BOC message register when the transmit BOC function is enabled by setting BOCC.0 to 1. The lower six bits of the TFDL register will contain the BOC message to be transmitted. See section 22 of the DS2155 data sheet for additional information.
Line Interface, Programmable In-Band Loop Code, and Transmit Transparency Registers
DS21x52 Register: LICR: Line Interface Control Register
DS21x52 Register Address: 7C Hex
DS21x52 Register: IBCC: In-Band Code Control Register
DS21x52 Register Address: 12 Hex
DS21x52 Register: TCD: Transmit Code Definition Register
DS21x52 Register Address: 13 Hex
DS21x52 Register: RUPCD: Receive Up Code Definition Register
DS21x52 Register Address: 14 Hex
DS21x52 Register: RDNCD: Receive Down Code Definition Register
DS21x52 Register Address: 15 Hex
DS21x52 Register: TTR1, TTR2, TTR3: Transmit Transparency Registers
DS21x52 Register Address: 39, 3A, 3B Hex
| DS21x52 Register |
DS21x52 Register Abbreviation |
DS2155 Register Abbreviation |
DS2155 Address (Hex) |
| Line Interface Control Register |
LICR (7C Hex) |
LIC1 |
78 |
| In-Band Code Control Register |
IBCC (12 Hex) |
IBCC |
B6 |
| Transmit Code Definition Register |
TCD (13 Hex) |
TCD1* |
B7* |
| Receive Up Code Definition Register |
RUPCD (14 Hex) |
RUPCD1* |
B9* |
| Receive Down Code Definition Register |
RDNCD (15 Hex) |
RDNCD1* |
BB* |
| Transmit Transparency Register 1 |
TTR1 |
SSIE1 |
08 |
| Transmit Transparency Register 2 |
TTR2 |
SSIE2 |
09 |
| Transmit Transparency Register 3 |
TTR3 |
SSIE3 |
0A |
- The DS2155's programmable in-band loop code generation and detection includes support for 16-bit codes. In adding this feature a second register has been added for transmit code definition and receive up/down code definition. For generation or detection of 8 bit patterns, both of the appropriate definition registers must be filled with the same value. See section 26 of the DS2155 data sheet for additional information.
Interleaved PCM Bus Operation Register
The interleave bus operation has been converted to full software control in the DS2155 and the external pins associated with this option have been reassigned to the extended system information bus function. See section 29 for more detail on the interleaved PCM bus operation.
DS21x54 Register: IB Interleaved Bus Operation Register
DS21x54 Register Address: 94 Hex
| Bit # |
Name |
55 Abbrv. |
55 Addr.Bit |
| 7 |
- |
- |
- |
| 6 |
- |
- |
- |
| 5 |
- |
- |
- |
| 4 |
- |
- |
- |
| 3 |
IBOEN |
IBOC |
C5.3 |
| 2 |
INTSEL |
IBOC |
C5.3* |
| 1 |
MSEL0 |
See below |
See below |
| 0 |
MSEL1 |
See below |
See below |
- MSEL0 and MSEL1 are not included in the DS2155.
- INTSEL, bit 2, has been renamed IBOSEL. There is no new functionality associated with this control bit.
3. Software Considerations: DS2155 vs. DS21x54 (E1)
This section will present the registers for the DS21354 and DS21554. The registers are presented in the order that they appear in the DS21354 and DS21554 data sheet.
ID Register
DS21x54 Register: IDR: Device Identification Register
DS21x54 Register Address: 0F Hex
- The Device Identification Register (IDR) for the DS2155 is located at the same address as the IDR for the DS21x54. The upper four bits display the DS2155 ID (1011) and the lower four bits display the die revision.
Receive Control Registers
DS21x54 Register: RCR1: Receive Control Register 1
DS21x54 Register Address: 10 Hex
| Bit # |
Name |
55 Abbrv. |
55 Addr.Bit |
| 7 |
RSMF |
IOCR1 |
01.6* |
| 6 |
RSM |
IOCR1 |
01.5* |
| 5 |
RSIO |
IOCR1 |
01.4 |
| 4 |
- |
- |
- |
| 3 |
- |
- |
- |
| 2 |
FRC |
E1RCR1 |
33.2 |
| 1 |
SYNCE |
E1RCR1 |
33.1 |
| 0 |
RESYNC |
E1RCR1 |
33.0 |
- RSM, bit 6, has been renamed as RSMS1. There is no new functionality associated with the bit.
- RSDW, bit 7, has been renamed as RSMS2. There is no new functionality associated with the bit.
DS21x54 Register: RCR2: Receive Control Register 2
DS21x54 Register Address: 11 Hex
| Bit # |
Name |
55 Abbrv. |
55 Addr.Bit |
| 7 |
Sa8S |
E1RCR2 |
34.7 |
| 6 |
Sa7S |
E1RCR2 |
34.6 |
| 5 |
Sa6S |
E1RCR2 |
34.5 |
| 4 |
Sa5S |
E1RCR2 |
34.4 |
| 3 |
Sa4S |
E1RCR2 |
34.3 |
| 2 |
RBCS |
IOCR2 |
02.0* |
| 1 |
RESE |
ESCR |
4F.0 |
| 0 |
- |
- |
- |
- RBCS, bit 2, has been renamed as RSCLKM. There is no new functionality associated with the bit.
Transmit Control Registers
DS21x54 Register: TCR1: Transmit Control Register 1
DS21x54 Register Address: 12 Hex
| Bit # |
Name |
55 Abbrv. |
55 Addr.Bit |
| 7 |
ODF |
IOCR1 |
01.0 |
| 6 |
TFPT |
E1TCR1 |
35.7 |
| 5 |
T16S |
E1TCR1 |
35.6 |
| 4 |
TUA1 |
E1TCR1 |
35.5 |
| 3 |
TsiS |
E1TCR1 |
35.4 |
| 2 |
TSA1 |
E1TCR1 |
35.3 |
| 1 |
TSM |
IOCR1 |
01.2 |
| 0 |
TSIO |
IOCR1 |
01.1 |
DS21x54 Register: TCR2: Transmit Control Register 2
DS21x54 Register Address: 13 Hex
| Bit # |
Name |
55 Abbrv. |
55 Addr.Bit |
| 7 |
Sa8S |
E1TCR2 |
36.7 |
| 6 |
Sa7S |
E1TCR2 |
36.6 |
| 5 |
Sa6S |
E1TCR2 |
36.5 |
| 4 |
Sa5S |
E1TCR2 |
36.4 |
| 3 |
Sa4S |
E1TCR2 |
36.3 |
| 2 |
ODM |
CCR1 |
70.4 |
| 1 |
AEBE |
E1TCR2 |
36.2 |
| 0 |
PF |
CCR1 |
70.0* |
- PF, bit 0, has been renamed as RLOSF. There is no new functionality associated with the bit.
Common Control Registers
DS21x54 Register: CCR1: Common Control Register 1
DS21x54 Register Address: 14 Hex
| Bit # |
Name |
55 Abbrv. |
55 Addr.Bit |
| 7 |
FLB |
LBCR |
4A.0 |
| 6 |
THDB3 |
E1TCR1 |
35.2 |
| 5 |
TG802 |
E1TCR1 |
35.1 |
| 4 |
TCRC4 |
E1TCR1 |
35.0 |
| 3 |
RSM |
E1RCR1 |
33.6* |
| 2 |
RHDB3 |
E1RCR1 |
33.5 |
| 1 |
RG802 |
E1RCR1 |
33.4 |
| 0 |
RCRC4 |
E1RCR1 |
33.3 |
- RSM, bit 3, has been renamed as RSIGM. There is no new functionality associated with the bit.
DS21x54 Register: CCR2: Common Control Register 2
DS21x54 Register Address: 1A Hex
| Bit # |
Name |
55 Abbrv. |
55 Addr.Bit |
| 7 |
ECUS |
ERCNT |
41.5 |
| 6 |
VCRFS |
ERCNT |
41.3 |
| 5 |
AAIS |
E1TCR2 |
36.1 |
| 4 |
ARA |
E1TCR2 |
36.0 |
| 3 |
RSERC |
E1RCR1 |
33.7 |
| 2 |
LOTCMC |
CCR1 |
See below |
| 1 |
RFF |
SIGCR |
40.3 |
| 0 |
RFE |
SIGCR |
40.4 |
- LOTCMC, bit 2, has been combined with other functions to simplify the selection of the transmit clock source. The two bits, Transmit Clock Source Select 0 (TCSS0) and Transmit Clock Source Select 1 (TCSS1), are located in the DS2155's Common Control Register 1 (CCR1, address 70 Hex) in bit positions 1 and 2 respectively.
DS21x54 Register: CCR3: Common Control Register 3
DS21x54 Register Address: 1B Hex
| Bit # |
Name |
55 Abbrv. |
55 Addr.Bit |
| 7 |
TESE |
ESCR |
4F.4 |
| 6 |
TCBFS |
See Below |
See Below |
| 5 |
TIRFS |
See Below |
See Below |
| 4 |
- |
- |
- |
| 3 |
RSRE |
PCPR |
28.6* |
| 2 |
THSE |
PCPR |
28.3* |
| 1 |
TBCS |
IOCR2 |
02.1* |
| 0 |
RCLA |
E1RCR2 |
34.0 |
- TBCS, bit 1, has been renamed as TSCLKM. There is no new functionality associated with this bit.
- THSE, bit 2, has been renamed as THSCS. See sections 7 and 17 of the DS2155 data sheet for information on per-channel register operation.
- RSRE, bit 3, has been renamed as RSRCS. See sections 7 and 17 of the DS2155 data sheet for additional information on receive signaling re-insertion.
- Control bit 5, TIRFS, has been incorporated in the new functionality for idle code generation. See section 18 of the DS2155 data sheet for more detail.
- Control bit 6, TCBFS, has been incorporated into the per-channel register operation. See sections 7 and 17 of the DS2155 data sheet for additional information.
DS21x54 Register: CCR4: Common Control Register 4
DS21x54 Register Address: A8 Hex
| Bit # |
Name |
55 Abbrv. |
55 Addr.Bit |
| 7 |
RLB |
LBCR |
4A.2 |
| 6 |
LLB |
LBCR |
4A.3 |
| 5 |
LIAIS |
LIC2 |
79.4* |
| 4 |
TCM4 |
TDS0SEL |
74.4 |
| 3 |
TCM3 |
TDS0SEL |
74.3 |
| 2 |
TCM2 |
TDS0SEL |
74.2 |
| 1 |
TCM1 |
TDS0SEL |
74.1 |
| 0 |
TCM0 |
TDS0SEL |
74.0 |
- LIAIS, bit 1, has been renamed as TUA1. There is no new functionality associated with this bit.
DS21x54 Register: CCR5: Common Control Register 5
DS21x54 Register Address: AA Hex
| Bit # |
Name |
55 Abbrv. |
55 Addr.Bit |
| 7 |
LIRST |
LIC2 |
79.6 |
| 6 |
RESA |
ESCR |
4F.3* |
| 5 |
TESA |
ESCR |
4F.7* |
| 4 |
RCM4 |
RDS0SEL |
76.4 |
| 3 |
RCM3 |
RDS0SEL |
76.3 |
| 2 |
RCM2 |
RDS0SEL |
76.2 |
| 1 |
RCM1 |
RDS0SEL |
76.1 |
| 0 |
RCM0 |
RDS0SEL |
76.0 |
- TESA, bit 5, has been renamed as TESALGN. There is no new functionality associated with the bit.
- RESA, bit 6, has been renamed as RESALGN. There is no new functionality associated with the bit.
DS21x54 Register: CCR6: Common Control Register 6
DS21x54 Register Address: 1D Hex
| Bit # |
Name |
55 Abbrv. |
55 Addr.Bit |
| 7 |
LIUODO |
LIC2 |
79.0* |
| 6 |
CDIG |
LIC3 |
7A.0* |
| 5 |
LIUSI |
LIC3 |
7A.2* |
| 4 |
- |
- |
- |
| 3 |
- |
- |
- |
| 2 |
TCLKSRC |
CCR1 |
See below |
| 1 |
RESR |
ESCR |
4F.2 |
| 0 |
TESR |
ESCR |
4F.6 |
- TCLKSRC, bit 2, has been combined with other functions to simplify the selection of the source for the transmit clock. Two bits, Transmit Clock Source Select bit 0 (TCSS0) and bit 1 (TCSS1) are located in the DS2155's Common Control Register 1 (CCR1, address 70 Hex) in bit positions 1 and 2 respectively.
- LIUSI, bit 5, has been renamed as RSCLKE. There is no new functionality associated with the bit. However, there is now a TSCLKE control bit available in the DS2155, which controls G.703 support for the transmitter.
- CDIG, bit 6, has been renamed as TAOZ. There is no new functionality associated with the bit.
- LIUODO, bit 7, has been renamed as CLDS. In the DS21x54, this bit determined whether the TTIP and TRING outputs would be open drain or not. In the DS2155, setting this bit to a one will redefine the operation of the transmit line driver. When this bit is set to a one and LIC1.5 = LIC1.6 = LIC1.7 = 0, then the device will generate a square wave at the TTIP and TRING outputs instead of a normal waveform. When this bit is set to a one and LIC1.5 = LIC1.6 = 0 and LIC1.7 = 1, then the device will force TTIP and TRING outputs to become open drain drivers instead of their normal push-pull operation. This bit should be set to zero for normal operation of the DS2155.
Status and Information Registers
DS21x54 Register: RIR: Receive Information Register
DS21x54 Register Address: 08 Hex
| Bit # |
Name |
55 Abbrv. |
55 Addr.Bit |
| 7 |
TESF |
SR5 |
1E.5 |
| 6 |
TESE |
SR5 |
1E.4* |
| 5 |
JALT |
SR1 |
16.4 |
| 4 |
RESF |
SR5 |
1E.2 |
| 3 |
RESE |
SR5 |
1E.1* |
| 2 |
CRCRC |
INFO3 |
12.2 |
| 1 |
FASRC |
INFO3 |
12.1 |
| 0 |
CASRC |
INFO3 |
12.0 |
- RESE, bit 3, has been renamed as RESEM. There is no new functionality associated with this bit.
- TESE, bit 6, has been renamed as TESEM. There is no new functionality associated with this bit.
DS21x54 Register: SSR: Synchronizer Status Register
DS21x54 Register Address: 1E Hex
- The Synchronizer Status Register has been relocated to address 30 Hex in the DS2155.
DS21x54 Register: SR1: Status Register 1
DS21x54 Register Address: 06 Hex
| Bit # |
Name |
55 Abbrv. |
55 Addr.Bit |
| 7 |
RSA1 |
SR4 |
1C.6 |
| 6 |
RDMA |
SR3 |
1A.1 |
| 5 |
RSA0 |
SR4 |
1C.5 |
| 4 |
RSLIP |
SR5 |
1E.0 |
| 3 |
RUA1 |
SR2 |
18.2 |
| 2 |
RRA |
SR3 |
1A.0 |
| 1 |
RCL |
SR1 |
16.3* |
| 0 |
RLOS |
SR2 |
18.0 |
- RCL, bit 1, has been renamed as LRCL. No additional functionality is associated with this bit.
DS21x54 Register: SR2: Status Register 2
DS21x54 Register Address: 07 Hex
| Bit # |
Name |
55 Abbrv. |
55 Addr.Bit |
| 7 |
RMF |
SR4 |
1C.2 |
| 6 |
RAF |
SR4 |
1C.0 |
| 5 |
TMF |
SR4 |
1C.4 |
| 4 |
SEC |
SR1 |
16.6* |
| 3 |
TAF |
SR4 |
1C.3 |
| 2 |
LOTC |
SR3 |
1A.4 |
| 1 |
RCMF |
SR4 |
1C.1 |
| 0 |
TSLIP |
SR5 |
1E.3 |
- SEC, bit 5, has been renamed as TIMER. In the DS21x54, this bit was set on increments of one second (referenced to RCLK). In the DS2155, this bit follows the error counter update interval as determined by the ECUS bit in the Error Counter Configuration Register (ERCNT). In T1 mode, this bit can be configured to set on increments of 1 second or 42ms (referenced to RCLK).
DS21x54 Register: IMR1: Interrupt Mask Register 1
DS21x54 Register Address: 16 Hex
| Bit # |
Name |
55 Abbrv. |
55 Addr.Bit |
| 7 |
RSA1 |
IMR4 |
1D.6 |
| 6 |
RDMA |
IMR3 |
1B.1 |
| 5 |
RSA0 |
IMR4 |
1D.5 |
| 4 |
RSLIP |
IMR5 |
1F.0 |
| 3 |
RUA1 |
IMR2 |
19.2 |
| 2 |
RRA |
IMR3 |
1B.0 |
| 1 |
RCL |
IMR1 |
17.3* |
| 0 |
RLOS |
IMR2 |
19.0 |
- RCL, bit 1, has been renamed as LRCL. No additional functionality is associated with this bit.
DS21x54 Register: IMR2: Interrupt Mask Register 2
DS21x54 Register Address: 17 Hex
| Bit # |
Name |
55 Abbrv. |
55 Addr.Bit |
| 7 |
RMF |
IMR4 |
1D.2 |
| 6 |
RAF |
IMR4 |
1D.0 |
| 5 |
TMF |
IMR4 |
1D.4 |
| 4 |
SEC |
IMR1 |
17.6* |
| 3 |
TAF |
IMR4 |
1D.3 |
| 2 |
LOTC |
IMR3 |
1B.4 |
| 1 |
RCMF |
IMR4 |
1D.1 |
| 0 |
TSLIP |
IMR5 |
1F.3 |
- SEC, bit 5, has been renamed as TIMER. In the DS21x54, this bit enabled the interrupt on increments of one second (referenced to RCLK). In the DS2155, this bit follows the error counter update interval as determined by the ECUS bit in the Error Counter Configuration Register (ERCNT). In T1 mode, this bit can be configured to interrupt on increments of 1 second or 42ms (referenced to RCLK).
Error Count Registers
The error count registers have been kept intact, but have been relocated. In addition, all of the count registers are now 16-bit registers because the registers that were shared in the DS21x54 are no longer shared in the DS2155. See section 15 in the DS2155 data sheet for additional information on the error count registers.
DS21x54 Registers: VCR1, VCR2: Bipolar Violation Count Register 1 & 2
DS21x54 Register Address: 00, 01 Hex
DS21x54 Registers: CRCCR1, CRCCR2: CRC4 Count Register 1 & 2
DS21x54 Register Address: 02 Hex (Same as FASCR1), 03 Hex
DS21x54 Register: FASCR1, FASCR2: FAS Error Count Register 1 & 2
DS21x54 Register Address: 02 Hex (Same as CRCCR1), 04 Hex (Same as EBCR1)
DS21x54 Register: EBCR1, EBCR2: E-Bit Count Register 1 & 2
DS21x54 Register Address: 04 Hex (Same as FASCR2), 05 Hex
| DS21x54 Register |
DS21x54 Register Abbreviation |
DS2155 Register Abbreviation |
DS2155 Address (Hex) |
| Bipolar Violation Count Register 1 |
VCR1 (00 Hex) |
LCVCR1 |
42 |
| Bipolar Violation Count Register 2 |
VCR2 (01 Hex) |
LCVCR2 |
43 |
| CRC4 Count Register 1 |
CRCCR1 (02 Hex)* |
PCVCR1 |
44 |
| CRC4 Count Register 2 |
CRCCR2 (03 Hex) |
PCVCR2 |
45 |
| FAS Error Count Register 1 |
FASCR1 (02 Hex)* |
FOSCR1 |
46 |
| FAS Error Count Register 2 |
FASCR2 (04 Hex)* |
FOSCR2 |
47 |
| E-Bit Error Count Register 1 |
EBCR1 (04 Hex)* |
EBCR2 |
48 |
| E-Bit Error Count Register 2 |
EBCR2 (05 Hex) |
EBCR2 |
49 |
- In the DS21x54, CRCCR1 and FASCR1 shared the count register located at address 02 Hex. The two error counters no longer share a register in the DS2155.
- Additionally, FASCR2 and EBCR1 shared the count register located at address 04 Hex. These two error counters no longer share a register in the DS2155.
DS0 Monitoring Function Registers
Both the Transmit DS0 Monitor Register and Receive DS0 Monitor Register has been relocated to a new address.
DS21x54 Register: TDS0M: Transmit DS0 Monitor Register
DS21x54 Register Address: A9 Hex
DS21x54 Register: RDS0M: Receive DS0 Monitor Register
DS21x54 Register Address: AB Hex
| DS21x54 Register |
DS21x54 Register Abbreviation |
DS2155 Register Abbreviation |
DS2155 Address (Hex) |
| Transmit DS0 Monitor Register |
TDS0M (A9 Hex) |
TDS0M |
75 |
| Receive DS0 Monitor Register |
RDS0M (AB Hex) |
RDS0M |
77 |
Signaling Registers
The Transmit Signaling Registers and Receive Signaling Registers have been relocated to 50-5F Hex and 60-6F Hex, respectively. Additionally, the signaling information contained in the signaling registers has been rearranged. See section 17 of the DS2155 data sheet for additional information on signaling operation.
DS21x54 Register: RS1 to RS16: Receive Signaling Registers
DS21x54 Register Address: 30 to 3F Hex
- The Receive signaling registers have been relocated to 60-6F Hex
- The following table shows the new the arrangement for the Receive Signaling Registers.
Transmit Signaling Registers (T1 Mode, ESF Format)
Register Name |
DS2155 Address |
|
| (MSB) |
|
|
|
|
|
|
(LSB) |
| RS1 |
60 |
CH2-A |
CH2-B |
CH2-C |
CH2-D |
CH1-A |
CH1-B |
CH1-C |
CH1-D |
| RS2 |
61 |
CH4-A |
CH4-B |
CH4-C |
CH4-D |
CH3-A |
CH3-B |
CH3-C |
CH3-D |
| RS3 |
62 |
CH6-A |
CH6-B |
CH6-C |
CH6-D |
CH5-A |
CH5-B |
CH5-C |
CH5-D |
| RS4 |
63 |
CH8-A |
CH8-B |
CH8-C |
CH8-D |
CH7-A |
CH7-B |
CH7-C |
CH7-D |
| RS5 |
64 |
CH10-A |
CH10-B |
CH10-C |
CH10-D |
CH9-A |
CH9-B |
CH9-C |
CH9-D |
| RS6 |
65 |
CH12-A |
CH12-B |
CH12-C |
CH12-D |
CH11-A |
CH11-B |
CH11-C |
CH11-D |
| RS7 |
66 |
CH14-A |
CH14-B |
CH14-C |
CH14-D |
CH13-A |
CH13-B |
CH13-C |
CH13-D |
| RS8 |
67 |
CH16-A |
CH16-B |
CH16-C |
CH16-D |
CH15-A |
CH15-B |
CH15-C |
CH15-D |
| RS9 |
68 |
CH18-A |
CH18-B |
CH18-C |
CH18-D |
CH17-A |
CH17-B |
CH17-C |
CH17-D |
| RS10 |
69 |
CH20-A |
CH20-B |
CH20-C |
CH20-D |
CH19-A |
CH19-B |
CH19-C |
CH19-D |
| RS11 |
6A |
CH22-A |
CH22-B |
CH22-C |
CH22-D |
CH21-A |
CH21-B |
CH21-C |
CH21-D |
| RS12 |
6B |
CH24-A |
CH24-B |
CH24-C |
CH24-D |
CH23-A |
CH23-B |
CH23-C |
CH23-D |
| RS13 |
6C |
CH26-A |
CH26-B |
CH26-C |
CH26-D |
CH25-A |
CH25-B |
CH25-C |
CH25-D |
| RS14 |
6D |
CH28-A |
CH28-B |
CH28-C |
CH28-D |
CH27-A |
CH27-B |
CH27-C |
CH27-D |
| RS15 |
6E |
CH30-A |
CH30-B |
CH30-C |
CH30-D |
CH29-A |
CH29-B |
CH29-C |
CH29-D |
| RS16 |
6F |
CH32-A |
CH32-B |
CH32-C |
CH32-D |
CH31-A |
CH31-B |
CH31-C |
CH31-D |
DS21x54 Register: TS1 to TS16: Transmit Signaling Registers
DS21x54 Register Address: 40 to 4F Hex
- Transmit Signaling Registers 1 through 16 can be found at addresses 50 Hex through 5F Hex.
- In E1 mode, TS16 carries the signaling information. This information can be in either CCS (Common Channel Signaling) or CAS (Channel Associated Signaling) format. The 32 time slots are referenced by two different channel number schemes in E1. In "Channel" numbering, TS0 through TS31 are labeled channels 1 through 32. In "Phone Channel" numbering TS1 through TS15 are labeled channel 1 through channel 15 and TS17 through TS31 are labeled channel 15 through channel 30. See table 17-1 in the DS2155 for more information.
- The following tables show the new the arrangement for the Transmit Signaling Registers for CAS and CCS formats.
Transmit Signaling Registers (E1 Mode, CAS Format)
Register Name |
DS2155 Address |
|
| (MSB) |
|
|
|
|
|
|
(LSB) |
| TS1 |
50 |
0 |
0 |
0 |
0 |
X |
Y |
X |
X |
| TS2 |
51 |
CH2-A |
CH2-B |
CH2-C |
CH2-D |
CH1-A |
CH1-B |
CH1-C |
CH1-D |
| TS3 |
52 |
CH4-A |
CH4-B |
CH4-C |
CH4-D |
CH3-A |
CH3-B |
CH3-C |
CH3-D |
| TS4 |
53 |
CH6-A |
CH6-B |
CH6-C |
CH6-D |
CH5-A |
CH5-B |
CH5-C |
CH5-D |
| TS5 |
54 |
CH8-A |
CH8-B |
CH8-C |
CH8-D |
CH7-A |
CH7-B |
CH7-C |
CH7-D |
| TS6 |
55 |
CH10-A |
CH10-B |
CH10-C |
CH10-D |
CH9-A |
CH9-B |
CH9-C |
CH9-D |
| TS7 |
56 |
CH12-A |
CH12-B |
CH12-C |
CH12-D |
CH11-A |
CH11-B |
CH11-C |
CH11-D |
| TS8 |
57 |
CH14-A |
CH14-B |
CH14-C |
CH14-D |
CH13-A |
CH13-B |
CH13-C |
CH13-D |
| TS9 |
58 |
CH16-A |
CH16-B |
CH16-C |
CH16-D |
CH15-A |
CH15-B |
CH15-C |
CH15-D |
| TS10 |
59 |
CH18-A |
CH18-B |
CH18-C |
CH18-D |
CH17-A |
CH17-B |
CH17-C |
CH17-D |
| TS11 |
5A |
CH20-A |
CH20-B |
CH20-C |
CH20-D |
CH19-A |
CH19-B |
CH19-C |
CH19-D |
| TS12 |
5B |
CH22-A |
CH22-B |
CH22-C |
CH22-D |
CH21-A |
CH21-B |
CH21-C |
CH21-D |
| TS13 |
5C |
CH24-A |
CH24-B |
CH24-C |
CH24-D |
CH23-A |
CH23-B |
CH23-C |
CH23-D |
| TS14 |
5D |
CH26-A |
CH26-B |
CH26-C |
CH26-D |
CH25-A |
CH25-B |
CH25-C |
CH25-D |
| TS15 |
5E |
CH28-A |
CH28-B |
CH28-C |
CH28-D |
CH27-A |
CH27-B |
CH27-C |
CH27-D |
| TS16 |
5F |
CH30-A |
CH30-B |
CH30-C |
CH30-D |
CH29-A |
CH29-B |
CH29-C |
CH29-D |
Transmit Signaling Registers (E1 Mode, CCS Format)
Register Name |
DS2155 Address |
|
| (MSB) |
|
|
|
|
|
|
(LSB) |
| TS1 |
50 |
1 |
2 |
3 |
4 |
5 |
6 |
7 |
8 |
| TS2 |
51 |
17 |
18 |
19 |
20 |
9 |
10 |
11 |
12 |
| TS3 |
52 |
33 |
34 |
35 |
36 |
25 |
26 |
27 |
28 |
| TS4 |
53 |
49 |
50 |
51 |
52 |
41 |
42 |
43 |
44 |
| TS5 |
54 |
65 |
66 |
67 |
68 |
57 |
58 |
59 |
60 |
| TS6 |
55 |
81 |
82 |
83 |
84 |
73 |
74 |
75 |
76 |
| TS7 |
56 |
97 |
98 |
99 |
100 |
89 |
90 |
91 |
92 |
| TS8 |
57 |
113 |
114 |
115 |
116 |
105 |
106 |
107 |
108 |
| TS9 |
58 |
13 |
14 |
15 |
16 |
121 |
122 |
123 |
124 |
| TS10 |
59 |
29 |
30 |
31 |
32 |
21 |
22 |
23 |
24 |
| TS11 |
5A |
45 |
46 |
47 |
48 |
37 |
38 |
39 |
40 |
| TS12 |
5B |
61 |
62 |
63 |
64 |
53 |
54 |
55 |
56 |
| TS13 |
5C |
77 |
78 |
89 |
80 |
69 |
70 |
71 |
72 |
| TS14 |
5D |
93 |
94 |
95 |
96 |
85 |
86 |
87 |
88 |
| TS15 |
5E |
109 |
110 |
111 |
112 |
101 |
102 |
103 |
104 |
| TS16 |
5F |
125 |
126 |
127 |
128 |
117 |
118 |
119 |
120 |
Per-Channel Code Generation Registers
The method for generating idle codes has changed in the DS2155. The DS2155 contains a 64-byte Idle Code Array accessed by the Idle Array Address Register (IAAR) and the Per-Channel Idle Code Register (PCICR). The contents of the array contain the idle codes to be
substituted into the appropriate transmit or receive channels. This substitution can be enabled and disabled on a per-channel basis by the Transmit Channel Idle Code Enable registers (TCICE1-4) and Receive Channel Idle Code Enable registers (RCICE1-4). The following table gives the DS2155 register that closely resembles the corresponding DS21x54 register. See section 18 of the DS2155 for additional information on per-channel idle code generation.
DS21x54Register: TIR1, TIR2, TIR3, TIR4: Transmit Idle Registers 1, 2, 3, 4
DS21x54 Register Address: 26, 27, 28 , 29 Hex
DS21x54Register: TIDR: Transmit Idle Definition Register
DS21x54 Register Address: 2A Hex
DS21x54Register: TC1 to TC32: Transmit Channel Registers
DS21x54 Register Address: 60 to 7F Hex
DS21x54Register: TCC1, TCC2, TCC3, TCC4: Transmit Channel Control Registers 1-4
DS21x54 Register Address: A0, A1, A2, A3 Hex
DS21x54Register: RC1 to RC32: Receive Channel Registers
DS21x54 Register Address: 80 to 9F Hex
DS21x54Register: RCC1, RCC2, RCC3, RCC4: Receive Channel Control Registers
DS21x54 Register Address: A4, A5, A6, A7 Hex
| DS21x54 Register |
DS21x54 Register Abbreviation |
DS2155 Register Abbreviation |
DS2155 Address (Hex) |
| Transmit Idle Register 1 |
TIR1 (26 Hex) |
TCICE1 |
80 |
| Transmit Idle Register 2 |
TIR2 (27 Hex) |
TCICE2 |
81 |
| Transmit Idle Register 3 |
TIR3 (28 Hex) |
TCICE3 |
82 |
| Transmit Idle Register 4 |
TIR4 (29 Hex) |
TCICE4 |
83 |
| Transmit Idle Definition Register |
TIDR (7F Hex) |
PCICR |
7F |
| Transmit Channel Control Register 1 |
TCC1 (A0 Hex) |
PCDR1 |
29 |
| Transmit Channel Control Register 2 |
TCC2 (A1 Hex) |
PCDR2 |
2A |
| Transmit Channel Control Register 3 |
TCC3 (A2 Hex) |
PCDR3 |
2B |
| Transmit Channel Control Register 4 |
TCC4 (A3 Hex) |
PCDR4 |
2C |
| Transmit Channel Registers 1 to 32 |
TC1 to TC32 |
* |
* |
| Receive Channel Registers 1 to 32 |
RC1 to RC32 |
* |
* |
| Receive Channel Control Registers 1-4 |
RCC1 to RCC3 |
* |
* |
- TC1 to TC32, RC1 to RC32, and RCC1 to RCC4 have been incorporated in the new functionality of the per-channel idle code generation. See section 18 of the DS2155 data sheet for more detail.
Channel Blocking Registers
DS21x54 Register: RCBR1, RCBR2, RCBR3, RCBR4: Receive Channel Block Registers
DS21x54 Register Address: 2B, 2C, 2D, 2E Hex
DS21x54 Register: TCBR1, TCBR2, TCBR3, TCBR4: Transmit Channel Block Registers
DS21x54 Register Address: 22, 23, 24, 25 Hex
| DS21x54 Register |
DS21x54 Register Abbreviation |
DS2155 Register Abbreviation |
DS2155 Address (Hex) |
| Receive Channel Block Register 1 |
RCBR1 (2B Hex) |
RCBR1 |
88 |
| Receive Channel Block Register 2 |
RCBR2 (2C Hex) |
RCBR2 |
89 |
| Receive Channel Block Register 3 |
RCBR3 (2D Hex) |
RCBR3 |
8A |
| Receive Channel Block Register 4 |
RCBR4 (2E Hex) |
RCBR4 |
8B |
| Transmit Channel Block Register 1 |
TCBR1 (22 Hex) |
TCBR1 |
8C |
| Transmit Channel Block Register 2 |
TCBR2 (23 Hex) |
TCBR2 |
8D |
| Transmit Channel Block Register 3 |
TCBR3 (24 Hex) |
TCBR3 |
8E |
| Transmit Channel Block Register 4 |
TCBR4 (25 Hex) |
TCBR4 |
8F |
Additional (Sa) and International (Si) Bit Operation Registers
| DS21x54 Register |
DS21x54 Register Abbreviation |
DS2155 Register Abbreviation |
DS2155 Address (Hex) |
| Receive Align Frame Register |
RAF (2F Hex) |
RAF |
C6 |
| Receive Non-Align Frame Register |
RNAF (1F Hex) |
RNAF |
C7 |
| Transmit Align Frame Register |
TAF (20 Hex) |
TAF |
D0 |
| Transmit Non-Align Frame Register |
TNAF (21 Hex) |
TNAF |
D1 |
| Receive Si-Bits Align Frame |
RSiAF (58 Hex) |
RSiAF |
C8 |
| Receive Si-Bits Non-Align Frame |
RSiNAF (59 Hex) |
RSiNAF |
C9 |
| Receive Remote Alarm Register |
RRA (5A Hex) |
RRA |
CA |
| Receive Sa4 Register |
RSa4 (5B Hex) |
RSa4 |
CB |
| Receive Sa5 Register |
RSa5 (5C Hex) |
RSa5 |
CC |
| Receive Sa6 Register |
RSa6 (5D Hex) |
RSa6 |
CD |
| Receive Sa7 Register |
RSa7 (5E Hex) |
RSa7 |
CE |
| Receive Sa8 Register |
RSa8 (5F Hex) |
RSa8 |
CF |
| Transmit Si-Bits Align Frame |
TsiAF (50 Hex) |
TsiAF |
D2 |
| Transmit Si-Bits Non-Align Frame |
TsiNAF (51 Hex) |
TsiNAF |
D3 |
| Transmit Remote Alarm Register |
TRA (52 Hex) |
TRA |
D4 |
| Transmit Sa4 Register |
TSa4 (53 Hex) |
TSa4 |
D5 |
| Transmit Sa5 Register |
TSa5 (54 Hex) |
TSa5 |
D6 |
| Transmit Sa6 Register |
TSa6 (55 Hex) |
TSa6 |
D7 |
| Transmit Sa7 Register |
TSa7 (56 Hex) |
TSa7 |
D8 |
| Transmit Sa8 Register |
TSa8 (57 Hex) |
TSa8 |
D9 |
| Transmit Sa Bit Control Register |
TSaCR (1C Hex) |
TSaCR |
DA |
HDLC Registers
While the DS21x54 has only one HDLC controller, the DS2155 has two enhanced HDLCs. Each controller is configurable for use with time slots, or Sa4 to Sa8 bits (E1 Mode) or the FDL (T1 Mode). The transmit and receive path buffers in the DS2155 have been doubled to 128-bytes. When used with time slots, the user can select any time slot or multiple time slots, contiguous or non-contiguous, as well as any specific bits within the time slot(s) to assign to the HDLC controllers.
The HDLC controller performs the necessary overhead for generating and receiving Performance Report Messages (PRM) as described in ANSI T1.403 and the messages as described in AT&T TR54016. The HDLC controller automatically generates and detects flags, generates and checks the CRC check sum, generates and detects abort sequences, stuffs and de-stuffs ze
ros, and byte aligns to the data stream. The 128-byte buffers in the HDLC controller are large enough to allow a full PRM to be received or transmitted without host intervention.
The user must take care to not map both transmit HDLC controllers to the same Sa bits, time slots or, in T1 mode, map both controllers to the FDL. HDLC #1 and HDLC #2 are identical in operation and therefore, when applicable, each DS21x52 register bit will be mapped to two addresses.
DS21x54 Register: HCR: HDLC Control Register
DS21x54 Register Address: B0 Hex
| Bit # |
Name |
55 Abbrv. |
55 Addr.Bit |
| 7 |
- |
- |
- |
| 6 |
RHR |
HxRC* |
31.7 32.7 |
| 5 |
TFS |
HxTC* |
90.3 A0.3 |
| 4 |
THR |
HxTC* |
90.5 A0.5 |
| 3 |
TABT |
HxTC* |
See below |
| 2 |
TEOM |
HxTC* |
90.2 A0.2 |
| 1 |
TZSD |
HxTC* |
90.1 A0.1 |
| 0 |
TCRCD |
HxTC* |
90.0 A0.0 |
- HxTC refers to H1TC and H2TC located at addresses 90 Hex and A0 Hex respectively.
- HxRC refers to H1RC and H2RC located at addresses 31 Hex and 32 Hex respectively.
- TABT, bit 3, has been incorporated into the Transmit HDLC Reset (THR) bit.
DS21x54 Register: HSR: HDLC Status Register
DS21x54 Register Address: B1 Hex
| Bit # |
Name |
55 Abbrv. |
55 Addr.Bit |
| 7 |
FRCL |
SR2 |
18.1 |
| 6 |
RPE |
SR6 SR7 |
20.5 22.5 |
| 5 |
RPS |
SR6 SR7 |
20.4 22.4 |
| 4 |
RHALF |
SR6 SR7 |
20.3* 22.3* |
| 3 |
RNE |
SR6 SR7 |
20.2 22.2 |
| 2 |
THALF |
SR6 SR7 |
20.1* 22.1* |
| 1 |
TNF |
SR6 SR7 |
20.0 22.0 |
| 0 |
TMEND |
SR6 SR7 |
20.6 22.6 |
- The status bits for HDLC #1 have been mapped to Status Register 6 (SR6) in the DS2155.
- The status bits for HDLC #2 have been mapped to Status Register 7 (SR7) in the DS2155.
- THALF, bit 2, has been renamed to TLWM. In the DS21x54, THALF is set when the transmit 64-byte FIFO empties beyond the halfway point. For the DS2155, the TLWM bit will be set when the transmit 128-byte FIFO empties beyond the low water mark as defined by the TFLWM0-TFLWM2 bits located in the FIFO control register (H1FC, H2FC). The low water mark is programmable to one of 8 different levels.
- RHALF, bit 4, has been renamed to RHWM. In the DS21x54, RHALF is set when the receive 64-byte FIFO fills beyond the halfway point. For the DS2155, the RHWM bit will be set when the receive 128-byte FIFO fills beyond the high water mark as defined by the RFHWM0-RFHWM2 bits located in the FIFO control register (H1FC, H2FC). The high water mark is programmable to one of 8 different levels.
DS21x54 Register: HIMR: HDLC Interrupt Mask Register
DS21x54 Register Address: B2 Hex
| Bit # |
Name |
55 Abbrv. |
55 Addr.Bit |
| 7 |
FRCL |
IMR2 |
19.1 |
| 6 |
RPE |
IMR6 IMR7 |
21.5 23.5 |
| 5 |
RPS |
IMR6 IMR7 |
21.4 23.4 |
| 4 |
RHALF |
IMR6 IMR7 |
21.3* 23.3* |
| 3 |
RNE |
IMR6 IMR7 |
21.2 23.2 |
| 2 |
THALF |
IMR6 IMR7 |
21.1* 23.1* |
| 1 |
TNF |
IMR6 IMR7 |
21.0 23.0 |
| 0 |
TMEND |
IMR6 IMR7 |
21.6 23.6 |
- The interrupt mask bits for HDLC #1 have been mapped to HDLC Interrupt Mask Register 6 (IMR6) in the DS2155.
- The interrupt mask bits for HDLC #2 have been mapped to HDLC Interrupt Mask Register 7 (IMR7) in the DS2155.
- THALF, bit 2, has been renamed to TLWM. When THALF is enabled in the DS21x54, the device will generate an interrupt when the transmit 64-byte FIFO empties beyond the halfway point. For the DS2155, the device will generate an interrupt, if TLWM is enabled, when the transmit 128-byte FIFO empties beyond the low water mark as defined by the TFLWM0-TFLWM2 bits located in the FIFO control register (H1FC, H2FC). The low water mark is programmable to one of 8 different levels.
- RHALF, bit 4, has been renamed to RLWM. When RHALF is enabled in the DS21x54, the device will generate an interrupt when the receive 64-byte FIFO fills beyond the halfway point. For the DS2155, the device will generate an interrupt, if RHWM is enabled, when the receive 128-byte FIFO fills beyond the high water mark as defined by the RFHWM0-RFHWM2 bits located in the FIFO control register (H1FC, H2FC). The high water mark is programmable to one of 8 different levels.
DS21x54 Register: RHIR: Receive HDLC Information Register
DS21x54 Register Address: B3 Hex
| Bit # |
Name |
55 Abbrv. |
55 Addr.Bit |
| 7 |
RABT |
INFO5 INFO6 |
See below |
| 6 |
RCRCE |
INFO5 INFO6 |
See below |
| 5 |
ROVR |
INFO5 INFO6 |
See below |
| 4 |
RVM |
INFO5 INFO6 |
See below |
| 3 |
REMPTY |
INFO5 INFO6 |
2E.3 2F.3 |
| 2 |
POK |
INFO5 INFO6 |
See below |
| 1 |
CBYTE |
HxRPBA* |
9C.7* AC.7* |
| 0 |
OBYTE |
INFO4* |
#1 2D.0* #2 2D.2* |
- The HDLC information bits for HDLC #1 have been mapped to the Receive HDLC #1 Information Register, INFO5.
- The HDLC information bits for HDLC #2 have been mapped to the Receive HDLC #2 Information Register, INFO6.
- OBYTE, bit 0, is renamed as H1OBT for HDLC #1 and H2OBT for HDLC #2. Both H1OBT & H2OBT can be found in the HDLC Event Information Register (INFO4, address 2D Hex). There is no new functionality associated with this bit.
- HxRPBA refers to H1RPBA and H2RPBA, located at addresses 9C Hex and AC Hex respectively.
- CBYTE, bit 1, has been renamed as MS. Unlike the operation of the CBYTE bit in the DS21x52, the MS bit will be low when the byte available for reading the receive FIFO is the last byte of a message. MS will be high when the byte available for reading is the first byte of the continuation of a message.
- POK, bit 2, has been incorporated into the Receive Packet Status bits (PS0-PS2) located in INFO5 and INFO6.
- RVM, bit 4, has been incorporated into the Receive Packet Status bits (PS0-PS2) located in INFO5 and INFO6.
- ROVR, bit 5, has been incorporated into the Receive Packet Status bits (PS0-PS2) located in INFO5 and INFO6.
- RCRCE, bit 6, has been incorporated into the Receive Packet Status bits (PS0-PS2) located in INFO5 and INFO6.
- RABT, bit 7, has been incorporated into the Receive Packet Status bits (PS0-PS2) located in INFO5 and INFO6.
DS21x54 Register: RHFR: Receive HDLC FIFO Register
DS21x54 Register Address: B4 Hex
- The Receive HDLC FIFO Register has been relocated to address 9E Hex for HDLC #1 and AE Hex for HDLC #2.
- The lower 7 bits of the Receive Packet Bytes Available registers (H1RPBA, H2RPBA) indicate the number of bytes that can be read from the receive FIFO. The value indicated by the lower seven bits in these registers informs the host as to how many bytes can be read from the receive FIFO without going past the end of a message. This value will refer to one of four possibilities, the first part of a packet, the continuation of a packet, the last part of a packet, or a complete packet. After reading the number of bytes indicated by this register the host then checks the HDLC Information register for detailed message status. See section 24.4.2 of the DS2155 data sheet for additional information.
DS21x54 Register: THIR: Transmit HDLC Information Register
DS21x54 Register Address: B6 Hex
| Bit # |
Name |
55 Abbrv. |
55 Addr.Bit |
| 7 |
- |
- |
- |
| 6 |
- |
- |
- |
| 5 |
- |
- |
- |
| 4 |
- |
- |
- |
| 3 |
- |
- |
- |
| 2 |
TEMPTY |
INFO5 INFO6 |
2E.5 2F.5 |
| 1 |
TFULL |
INFO5 INFO6 |
2E.4 2F.4 |
| 0 |
TUDR |
INFO4* |
#1 2D.1* #2 2D.3* |
- TUDR, bit 0, is renamed as H1UDR for HDLC #1 and H2UDR for HDLC #2. Both H1UDR & H2UDR can be found in the HDLC Event Information Register (INFO4, address 2D Hex). There is no new functionality associated with this bit.
DS21x54 Register: THFR: Transmit HDLC FIFO
DS21x54 Register Address: B7 Hex
- The Transmit HDLC FIFO Register has been relocated to address 9D Hex for HDLC #1 and AD Hex for HDLC #2.
- The Transmit FIFO Buffer Available registers (H1TFBA, H2TFBA) indicate the number of bytes that can be written into the transmit FIFOs. The count from this register informs the host as to how many bytes can be written into the transmit FIFO without overflowing the buffer.
DS21x54 Register: RDC1: Receive HDLC DS0 Control Register 1
DS21x54 Register Address: B8 Hex
| Bit # |
Name |
55 Abbrv. |
55 Addr.Bit |
| 7 |
RHS |
See below |
See below |
| 6 |
RSaDS |
HxRC* |
31.6* 32.6* |
| 5 |
RDS0M |
See below |
See below |
| 4 |
RD4 |
See below |
See below |
| 3 |
RD3 |
See below |
See below |
| 2 |
RD2 |
See below |
See below |
| 1 |
RD1 |
See below |
See below |
| 0 |
RD0 |
See below |
See below |
- RD0 through RD4, bits 0 to 4, RDS0M, bit 5, and RHS, bit 7, have been replaced by registers H1RCS1 to H1RCS4 for HDLC #1 and H2RCS1 to H2RCS4 for HDLC #2. Any channel or combination of channels, contiguous or not, can be assigned to an HDLC controller. When assigned to a channel(s) any combination of bits within the channel(s) can be avoided. See section 24.3 of the DS2155 for additional information on mapping the HDLC data to channels.
- HxRC refers to H1RC and H2RC located at addresses 31 Hex and 32 Hex respectively.
- RSaDS, bit 6, has been replaced by RHMS. See section 24.3 of the DS2155 data sheet for additional information on mapping the receive data The mapping of HDLC data to Sa bits The operation of this bit is inverted from that of the DS21x52. See section 24 of the DS2155 for additional information on mapping the HDLC data to channels or Sa bits.
DS21x54 Register: RDC2: Receive HDLC DS0 Control Register 2
DS21x54 Register Address: B9 Hex
- Receive HDLC DS0 Control Register 2 has been relocated to 96 Hex for HDLC #1 and A6 Hex for HDLC #2.
DS21x54 Register: TDC1: Transmit HDLC DS0 Control Register 1
DS21x54 Register Address: BA Hex
| Bit # |
Name |
55 Abbrv. |
55 Addr.Bit |
| 7 |
THE |
See below |
See below |
| 6 |
TSaDS |
HxTC |
90.4* A0.4* |
| 5 |
TDS0M |
See below |
See below |
| 4 |
TD4 |
See below |
See below |
| 3 |
TD3 |
See below |
See below |
| 2 |
TD2 |
See below |
See below |
| 1 |
TD1 |
See below |
See below |
| 0 |
TD0 |
See below |
See below |
- TD0 through TD4, bits 0 to 4, and TDS0M, bit 5, have been replaced by registers H1TCS1 to H1TCS4 for HDLC #1 and H2TCS1 to H2TCS4 for HDLC #2. Any channel or combination of channels, contiguous or not, can be assigned to an HDLC controller. When assigned to a channel(s) any combination of bits within the channel(s) can be avoided. See section 24.3 of the DS2155 for additional information on mapping the HDLC data to channels.
- HxTC refers to H1TC and H2TC located at addresses 90 Hex and A0 Hex respectively.
- TSaDS, bit 6, has been renamed to THMS. The operation of this bit is inverted from that of the DS21x54. See section 24 of the DS2155 for additional information.
- THE, bit 7, has been incorporated into the DS2155 via the TFDLS bit in register T1TCR1. Also, see section 24 for additional information on configuring the 2 HDLCs.
DS21x54 Register: TDC2: Transmit HDLC DS0 Control Register 2
DS21x54 Register Address: BB Hex
- Transmit HDLC DS0 Control Register 2 has been relocated to 9B Hex for HDLC #1 and AB Hex for HDLC #2.
Line Interface Control Register
DS21x54 Register: LICR: Line Interface Control Register
DS21x54 Register Address: 7C Hex
- The Line Interface Control Register has been relocated to 78 Hex. The DS2155 data sheet refers to the register as Line Interface Control 1 (LIC1).
Interleaved PCM Bus Operation Register
The interleave bus operation has been converted to full software control in the DS2155 and the external pins associated with this option have been reassigned to the extended system information bus function. See section 29 for more detail on the interleaved PCM bus operation.
DS21x54 Register: IB Interleaved Bus Operation Register
DS21x54 Register Address: B5 Hex
| Bit # |
Name |
55 Abbrv. |
55 Addr.Bit |
| 7 |
- |
- |
- |
| 6 |
- |
- |
- |
| 5 |
- |
- |
- |
| 4 |
- |
- |
- |
| 3 |
IBOEN |
IBOC |
C5.3 |
| 2 |
INTSEL |
IBOC |
C5.4* |
| 1 |
MSEL0 |
See below |
See below |
| 0 |
MSEL1 |
See below |
See below |
- MSEL0 and MSEL1 are not included in the DS2155.
- INTSEL, bit 2, has been renamed IBOSEL. There is no new functionality associated with this control bit.
4. New DS2155 Features
The DS2155 contains all of the features found in the previous generations of Dallas Semiconductor's SCTs plus many more. Some additional features are subtle changes while others are new additions. The scope of this paper is to identify some of the new features that the DS2155 offers without getting into the specifics that are outlined in the DS2155 data sheet.
4.1 Key Additional Features in the DS2155
The follow is a list of some of the new features in the DS2155. See the DS2155 for additional information.
- Line Interface
- Requires only a 2.048 MHz master clock for both E1 and T1 operation with an option to use a 1.544 MHz master clock for T1 operation.
- Receive level indication in 2.5dB steps from -42.5dB to -2.5dB.
- Internal receive termination option for 75, 100, and 120 ohm lines.
- Square wave output.
- Transmitter 50mA short circuit limiter with current limit exceeded indication.
- Transmit open circuit detected indication.
- Code Mark Inversion option.
- Clock Synthesizer
- Output frequency includes 16.384 MHz option.
- Jitter Attenuator
- Requires only a 2.048 MHz master clock for both E1 and T1 operation with an option to use a 1.544 MHz master clock for T1 operation.
- Framer/Formatter
- RAI-CI detection and generation.
- AIS-CI detection and generation.
- E1 ETS 300 011 RAI generation.
- G.965 V5.2 link detection.
- In-band repeating pattern generators and detectors support up to 16-bits in length.
- Hardware pins added to indicate carrier loss and signaling freeze.
- Option to extend carrier loss criteria to a 1ms period as per ETS 300 233.
- Additional events capable of generating interrupts.
- System Interface
- Maximum backplane burst rate increased to 16.384 MHz.
- HDLC
- Two independent HDLCs.
- Fast load and unload features for the FIFOs.
- SS7 support for FISU transmit and receive.
- Transmit and receive buffers increased to 128-bytes.
- Programmable fill levels for transmit and receive buffers.
- Test and Diagnostics
- Programmable On-chip Bit Error Rate Testing.
- Pseudorandom patterns including QRSS.
- Daly pattern.
- Error insertion single and continuos.
- Total bit and errored bit counts.
- Payload Error Insertion.
- Error insertion in the payload portion of the T1 frame in the transmit path.
- Errors can be inserted over the entire frame or selected channels.
- Insertion options include continuous and absolute number with selectable insertion rates.
- F-Bit corruption for line testing.
- Extended System Information Bus
- Allows the host to read interrupt and alarm status on up to 8 ports with a single bus read. See section 4.2.3 of this note and section 30 of the DS2155 data sheet for more information.
- User Programmable Output Pins
- Four user defined output pins for controlling external logic.
- Control Port
- Software reset supported.
- Flexible register space resets.
4.2 High Throughput Features in the DS2155
In addition to the features listed above, the DS2155 has several features designed to improve throughput efficiency and provide overhead relief for the host processor. The following sections give a brief overview of new features; however, please refer to the DS2155 data sheet for detailed information on each of these features.
4.2.1 Bytes Available (HDLC Controller)
The transmit and receive portion of the HDLC controllers have improved throughput features. All of these features allow the host to read and write BLOCKS of data without having to check status bits on a per-byte basis.
- Transmit Bytes Buffer Available registers (Address 9Fh & AFh): The host can read this register to see how many bytes can be written into the transmit FIFO without over flowing the FIFO. The transmit FIFO can contain multiple messages. Also there are programmable low water marks on the transmit FIFO (this replaces the Haft Empty flag).
- Receive Packets Bytes Available registers (Address 9Ch & ACh): The host can read this register to determine how many bytes can be read from the receive FIFO without under flowing the buffer or reading past the end of a message. Also there are programmable high water marks on the receive FIFOs.
4.2.2 SS7 Support (HDLC Controller)
Both the transmit and receive portions of the HDLC controllers have features that improve support for SS7.
- Transmit FIFO Loop control. The transmitter has a loop feature that allows it to loop on a message in the transmit FIFO. For SS7 FISUs (Fill In Signal Units) the host only needs to write the FISU (containing the last FSN and BSN values of the last regular message unit) once. The transmitter can then repeat the FISU without host intervention until a normal message unit is ready to be transmitted.
- Receive Consecutive FISU Detect and Delete. On the receive side, the controller will recognize a Fill In Signal Unit by its length. If the CRC is correct and the BSN is a repeat of the last signal unit's BSN, the controller will disregard the FISU without host intervention. Erred FISUs will be reported to the host.
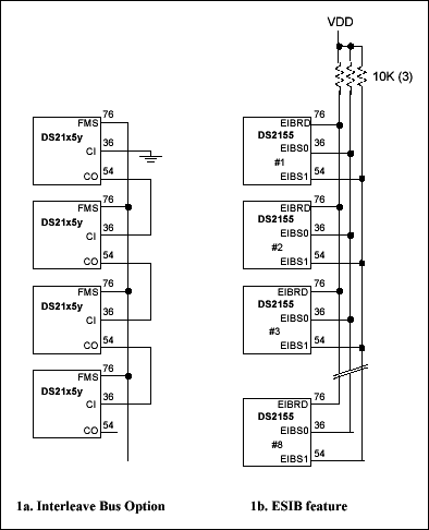
4.2.3 Extended System Information Bus (ESIB)
The ESIB allows up to eight DS2155s to share an 8 bit
CPU bus for the purpose of reporting alarm in interrupt status as a group. With a single bus read, the host can be updated with alarm or interrupt status from all eight devices. There are four registers, ESI0, ESI1, ESI2 and ESI4. As an example, 8 DS2155s can be grouped into an ESIB group. A single read of the ESI0 register of ANY member of the group will yield the interrupt status of all 8 DS2155s. Therefore the host can determine which device or devices are causing an interrupt without polling all eight devices. Via ESI1 the host can gather synchronization status on all members of the group. ESI2 and ESI4 can be programmed to report various alarms on a device by device basis.
5. Hardware Considerations: DS2155 vs. DS21x5y
The DS2155 is pin compatible with existing DS21x5y devices. This section addresses two scenarios. Scenario #1 involves placing a DS2155 into an existing DS21x5y design. In this situation, some of the new features of the DS2155 will be unavailable; however, all of the DS21x5y functionality is available. Scenario # 2 involves generating a new design based on the DS21x5y but allowing for migration to the DS2155 when available and making use of the new features. Table 1 shows a summary of the pin changes.
Table 1. Summary of Pin Changes
| PIN |
DS21x5y |
DS2155 |
Comment |
| 3 |
8MCLK |
BPCLK |
This pin is now programmable to 4.096, 8.192 or 16.384MHz |
| 8 |
NC |
UOP0 |
Bit 0 of a four bit user port |
| 9 |
NC |
UOP1 |
Bit 1 of a four bit user port |
| 14 |
TEST |
TSTRST |
This pin will now force a register reset when high along with forcing all outputs and I/O pins into high Z. |
| 15 |
NC |
UOP2 |
Bit 2 of a four bit user port |
| 23 |
NC |
UOP3 |
Bit 3 of a four bit user port |
| 76 |
FMS |
ESIBRD |
FMS deleted and pin reused for ESIB |
| 36 |
CI |
ESIBS0 |
CI function now controlled via software. Pin used for ESIB |
| 54 |
CO |
ESIBS1 |
CO function now controlled via software. Pin used for ESIB |
| 26 |
NC |
NC |
Must remain a No Connect |
| 27 |
NC |
NC |
Must remain a No Connect |
| 28 |
NC |
NC |
Must remain a No Connect |
5.1 Reassigned Pin Functions for Pins 36, 54, and 76
The Interleave Bus Option (IBO) has been converted to full software control in the DS2155 and the pins (CO, CI) reassigned to the ESIB function. These pins plus FMS are now used for a new feature (Extended System Information Bus). In this application, up to 4 SCTs can share a single, higher speed PCM bus as shown in Figure 1a. The CO and CI signals were used to establish the master/slave relationship of the devices. In the DS2155 this relationship is software configurable and the CO/CI pin function is deleted. In the DS2155 these pins have been used for another function, the ESIB as shown in Figure 1b. In addition, the FMS pin function has been deleted and replaced with a new signal to support the ESIB.

Figure 1. Pins 36, 54 and 76 usage.
Scenario #1
When the DS2155 is used in an existing DS21x5y design the ESIB must not be enabled. In this case, pins 36, 54 and 76 enter a high Z state and are therefore not affected by existing CO/CI connections. When using the DS2155 in an existing DS21x5y design the IBOs hierarchy is configured via software. The ESIB function of the DS2155 is not available in this situation.
Scenario #2
When provisioning a new DS21x5y design to accept the DS2155 the designer must plan for the reconfiguration of these pins on the
PCB in order to use the ESIB feature.
5.2 New Feature for Pin 3
The TEST pin in the DS21x5y has been renamed to TSTRST in the DS2155. In the DS21x5y this pin would force all outputs and I/Os to high Z. In the DS2155 this pin will cause a register reset when set high along with forcing all outputs and I/O pins to a high Z state.
5.3 New Feature for Pin 14
The 8MCLK pin of the DS21x5y has been renamed to BPCLK in the DS2155. In the DS21x5y this pin was an 8.192MHz output. In the DS2155 this pin can be programmed to output 2.048, 4.096, 8.192, or 16.384MHz.
Scenario #1
When the DS2155 is used in an existing DS21x5y design this pin can be programmed to 8.192MHz by setting register CCR2 = 05h
5.4 Receive and Transmit Termination
The DS2155 has an enhanced line interface unit (LIU). There are internal, software selectable provisions for terminating the receive and transmit pair. Receive and transmit termination can be altered via software in the DS2155 eliminating the need to change external components. Shown in Figure 2 is the b
asic interface circuit for the DS2135y (3.3 volt) family. Rt is set to 0 ohms for T1, and to 11.6 ohms or 6.2 ohms in E1 mode depending on the line type (120 ohm twisted pair or 75 ohm coax) when a high return loss value is required. R is set to 50 ohms for T1 and 37.5 ohms or 60 ohms for E1 operation depending on the line type.
Scenario #1
When the DS2155 is used in an existing DS2135y design, the internal termination features can be disabled if the external circuitry cannot be modified to allow the software controllable termination features to be utilized.

Figure 2. DS21x5y network interface.
Scenario #2
Figure 3 shows the basic circuit for the DS2155. In this circuit R is set to 60 ohms. This value is adjusted internally via software for T1 and E1 operation. Rt is not needed since the DS2155 transmitter can control source imp
edance via software for T1 and E1 operation. The user should consult factory application notes for "over voltage" protected interface designs.

Figure 3. DS2155 network interface.
5.5 New User Output Pins in the DS2155
Four new pin functions have been added to the DS2155 to provide control of external user hardware. These pins replace 4 No Connects on the DS21x5y and are located at pins 8 (UOP0), 9 (UOP1), 23 (UOP2), and 15 (UOP3). Refer to Section 33 of the DS2155 data sheet for more information on these four pins.
Scenario #1
When using the DS2155 in an existing DS21x5y design the unterminated user outputs will not cause any problems.
Scenario #2
When provisioning a DS21x5y design to accept the DS2155, connections to these NC pins of the DS21x5y will not cause a problem.
6. Summary
The DS2155 is a T1, E1, and J1 Single Chip Transceiver (SCT) that builds upon the previous generation of SCTs offered by Dallas Semiconductor. In the process of combining the T1/J1 and E1 modes of operation into a single die, all of the functionality of the DS21x5y SCTs is kept intact, but many of the previous register addresses and control bits have been relocated in the DS2155. In addition to software considerations, the migration of designs from the DS21x5y to the DS2155 is simplified by the pin compatibility of the DS2155.