时间:2009-04-20 10:27
人气:
作者:admin

| PLCC Pin # | TQFP Pin # | 78P2241 Pin | DS3150 Pin | 78P2241 Recommended Wiring: Effect on DS3150 Operation |
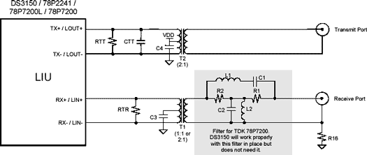
| 1, 3 | 42, 44 | LIN+, LIN- | RX+, RX- | 75Ω termination resistor and 1:1 transformer gives actual line termination of approximately 73Ω. Receiver works fine. |
| 2 | 43 | GND | EFE | EFE=0 disables DS3150 enhanced features. |
| 4 | 46 | GND | TDS0 | TDS0=0 has no effect. EFE pin tied low causes DS3150 to ignore this pin. |
| 5 | 2 | RFO | TDS1 / OFSEL | Resistor RFO to ground has no effect. MCLK pin internally pulled up causes DS3150 to ignore this pin and use TCLK as master clock. |
| n/a | 8 | GND | DM* | Open-drain DM* output tied to ground is no problem. |
| 9, 11 | 9, 11 | LOUT+, LOUT- | TX+, TX- | 301Ω termination resistor and 2:1 transformer gives actual line termination of approximately 69Ω. Transmitter works fine. |
| 10 | 10 | ICKP | ICE | DS3150 pin function matches 78P2241 pin function. |
| 12 | 13 | LBO | DS3150 pin function matches 78P2241 pin function. | |
| 13 | 15 | E3* | TESS | DS3150 pin function matches 78P2241 pin function. |
| 14 | 16 | TPOS / TNRZ | DS3150 pin function matches 78P2241 pin function. | |
| 15 | 17 | TNEG | DS3150 pin function matches 78P2241 pin function. | |
| 16 | 18 | TCLK | DS3150 pin function matches 78P2241 pin function. | |
| 18 | 22 | TXEN | TTS* | DS3150 pin function matches 78P2241 pin function. |
| 19 | 26 | LF1 | MCLK | Capacitor to ground is no problem. Internal pull-up to VDD pulls MCLK high, causing DS3150 to use TCLK as its master clock. |
| 20 | 27 | ENDEC* | ZCSE* | DS3150 pin function matches 78P2241 pin function. |
| 21 | 28 | MON | RMON | DS3150 pin function matches 78P2241 pin function. |
| n/a | 29 | GND | PRBS | PRBS output tied to ground is no problem. EFE pin tied low causes DS3150 to tri-state this pin. |
| 23 | 33 | RCLK | DS3150 pin function matches 78P2241 pin function. | |
| 24 | 34 | RNEG / RLCV | DS3150 pin function matches 78P2241 pin function. (Only 78P2241B has LCV function when ENDEC*=0) | |
| 25 | 35 | RPOS / RNRZ | DS3150 pin function matches 78P2241 pin function. | |
| 27 | 39 | LOS* | DS3150 pin function matches 78P2241 pin function. | |
| 28 | 40 | LPBK* | LBKS* | DS3150 pin function matches 78P2241 pin function. |
| 6-8, 17, 22, 26 |
1, 3-7, 12, 14, 19-21, 23-25, 30-32, 36-38, 41, 45, 47, 48 |
VSS, VDD | VDD must be 3.3V. | |
| PLCC Pin # | TQFP Pin # | 7200L Pin | DS3150 Pin | 78P7200L Recommended Wiring Plus Required Change: Effect on DS3150 Operation |
| 1, 3 | 42, 44 | LIN+, LIN- | RX+, RX- | 75Ω termination resistor and 1:1 transformer gives actual line termination of approximately 73Ω. Receiver works fine. |
| 2 | 43 | GND | EFE | EFE=0 disables DS3150 enhanced features. |
| 4 | 46 | GND | TDS0 | TDS0=0 has no effect. EFE pin tied low causes DS3150 to ignore this pin. |
| 5 | 2 | RFO | TDS1 / OFSEL | Resistor RFO to ground has no effect. MCLK pin internally pulled up causes DS3150 to ignore this pin and use TCLK as master clock. |
| n/a | 8 | GND | DM* | Open-drain DM* output tied to ground is no problem. |
| 9, 11 | 9, 11 | LOUT+, LOUT- | TX+, TX- | 301Ω termination resistor and 2:1 transformer gives actual line termination of approximately 69Ω. Transmitter works fine. |
| 10 | 10 | ICKP | ICE | DS3150 pin function matches 78P7200L pin function. |
| 12 | 13 | LBO | DS3150 pin function matches 78P7200L pin function. | |
| 13 | 15 | E3* | TESS | DS3150 pin function matches 78P7200L pin function. |
| 14 | 16 | TPOS | TPOS/TNRZ | DS3150 pin function matches 78P7200L pin function when ZCSE*=1. |
| 15 | 17 | TNEG | DS3150 pin function matches 78P7200L pin function when ZCSE*=1. | |
| 16 | 18 | TCLK | DS3150 pin function matches 78P7200L pin function. | |
| 18 | 22 | TXEN | TTS* | DS3150 pin function matches 78P7200L pin function. |
| 19 | 26 | LF1 | MCLK | Capacitor to ground is no problem. Internal pull-up to VDD pulls MCLK high, causing DS3150 to use TCLK as its master clock. |
| 20 | 27 | N/C | ZCSE* | Internal pull-up disables DS3150 B3ZS/HDB3 encoder/decoder and puts DS3150 into bipolar interface mode, which matches 78P7200L behavior. |
| 21 | 28 | N/C | RMON | RMON floating is a valid state: 20dB pre-amp disabled, jitter attenuator enabled in the receiver path. |
| n/a | 29 | GND | PRBS | PRBS output tied to ground is no problem. EFE pin tied low causes DS3150 to tri-state this pin. |
| 23 | 33 | RCLK | DS3150 pin function matches 78P7200L pin function. | |
| 24 | 34 | RNEG | RNEG/RLCV | DS3150 pin function matches 78P7200L pin function when ZCSE*=1. |
| 25 | 35 | RPOS | RPOS/RNRZ | DS3150 pin function matches 78P7200L pin function when ZCSE*=1. |
| 27 | 39 | LOS* | DS3150 pin function matches 78P7200L pin function. | |
| 28 | 40 | LPBK* | LBKS* | DS3150 pin function matches 78P7200L pin function. |
| 6-8, 17, 22, 26 |
1, 3-7, 12, 14, 19-21, 23-25, 30-32, 36-38, 41, 45, 47, 48 |
VSS, VDD | VDD must be 3.3V. | |
| PLCC Pin # | 78P7200 Pin | DS3150 Pin | 78P7200 Recommended Wiring Plus Required Changes: Effect on DS3150 Operation |
| 1, 3 | LIN+, LIN- | RX+, RX- | 422Ω termination resistor changed to 330Ω and 1:2 transformer gives actual line termination of approximately 75Ω. Receiver works fine. |
| 2 | NCR | EFE | EFE=0 disables DS3150 enhanced features. |
| 4 | NCR | TDS0 | TDS0=0 has no effect. EFE pin tied low causes DS3150 to ignore this pin. |
| 5 | RFO | TDS1 / OFSEL | Resistor RFO to ground has no effect. MCLK pin internally pulled up causes DS3150 to ignore this pin and use TCLK as master clock. |
| 9, 11 | LOUT+, LOUT- | TX+, TX- | 301Ω termination resistor and 2:1 transformer: actual line termination is approximately 69Ω. Termination resistor must be the same for E3 mode. Transmitter works fine. (Changing resistor to 330Ω results in actual line termination of approximately 75Ω.) |
| 10 | NCT | ICE | Tied to ground: DS3150 matches 78P7200 behavior. |
| 12 | LBO | DS3150 pin function matches 78P7200 pin function. | |
| 13 | OPT1* | TESS | DS3150 pin function matches 78P7200 pin function. Although the preferred wiring of TESS for STS-1 is to leave it floating, the DS3150 will handle STS-1 correctly with TESS pulled high. |
| 14 | TPOS | TPOS/TNRZ | DS3150 pin function matches 78P7200 pin function when ZCSE*=1. |
| 15 | TNEG | DS3150 pin function matches 78P7200 pin function when ZCSE*=1. | |
| 16 | TCLK | DS3150 pin function matches 78P7200 pin function. | |
| 18 | OPT2* | TTS* | DS3150 pin function matches 78P7200 pin function. |
| 19 | LF1 | MCLK | Resistor to LF2/ZCSE*, capacitor to ground is no problem. With resistor to LF2/ZCSE* and resistor from LF2/ZCSE* to VCC, MCLK is pulled up, causing DS3150 to use TCLK as its master clock. |
| 20 | LF2 | ZCSE* | Resistor to VCC disables DS3150 B3ZS/ HDB3 encoder/decoder and puts DS3150 into bipolar interface mode, which matches 78P7200 behavior. |
| 21 | NCD | RMON | RMON=0 disables DS3150 20dB pre-amp and Rx Jitter Attenuator. |
| 23 | RCLK | DS3150 pin function matches 78P7200 pin function. | |
| 24 | RNEG | RNEG / RLCV | DS3150 pin function matches 78P7200 pin function when ZCSE*=1. |
| 25 | RPOS | RPOS / RNRZ | DS3150 pin function matches 78P7200 pin function when ZCSE*=1. |
| 27 | LOWSIG* | LOS* | DS3150 pin function matches 78P7200 pin function. |
| 28 | CPD | LBKS* | Capacitor to VCC must be changed to 0Ω resistor to disable DS3150 loopbacks. |
| 6-8, 17, 22, 26 |
VSS, VDD | VDD supply must be changed from 5V to 3.3V. | |