时间:2009-02-09 11:43
人气:
作者:admin
VoIP(语音IP)或互联网电话技术是指通过互联网(而非公共交换电话网络,亦即PSTN)传送的通信服务——语音、传真和/或语音、信息应用。发送互联网电话呼叫所涉及的基本步骤包括将模拟语音信号转化为数字语音信号和将信号压缩成互联网协议(IP)信息包以便通过互联网进行传输,接收端的步骤则刚好相反。由于是在互联网上运行,所以VoIP具有极低的电话费成本,唯一的费用就是PNET费用。其将会成为全世界IDD长途通话领域极为常见的传输手段。
最近,VoIP一般利用ITG(互联网电话网关)/VoIP网关通过IP来传输语音。VoIP网关具有如下几种连接端口。
● FXO(外部交换局):它是一个直接连到PSTN的双线式连接端口。
● FXS(外部交换站):它通过RJ-11听筒塞孔与终端设备相连,如普通电话。
● 以太网端口:它通过RJ-45端口连接到PC或xDSL调制解调器上。
● USB端口:它连接外部USB器件,如读卡器、3G HSDPA卡、闪存等。
● 电源端口:它通常是12V外接电源的输入端口。
主流VoIP支持单/双通道FXS,并且市场上也出现过通道多达30条的FXS。最新开发的VoIP则具有内置式路由器和Wi-Fi连接功能,可以通过无线网络实现VoIP到xDSL的无线连接,从而增强了其在接入点覆盖范围内的移动性。并且,还有向POE(以太网供电)转化的趋势,这样无须外部电源即可驱动VoIP。

图1 典型VoIP架构
由于上述这些端口与外界相连时不断有浪涌事件发生,且这些ITE信息技术设备被连至需要符合电信管理标准的电信网络,所以不得不使用保护器件来保护这些端口。
每个国家都有各自的安全标准,如美国的Telecordia GR1089-Core和UL60950,国际通用的ITU-T K.20/K.21(国际电信联盟)和中国的YD/T993、950标准。不同的标准要求保护器件、技术和拓扑具有不同的稳定性状态。通过比较我们发现,符合美国标准的保护器的抵御能力要比符合国际电信联盟标准的高,更比符合中国标准的为高。在大部分情况下,符合美国标准的保护解决方案基本上都能通过ITU-T K.2x标准设定的大多数测试条件。
为了设计出最合适的VoIP保护解决方案,了解保护器的各种浪涌等级和保护电压就很重要。常见浪涌电压电平如表1所示

几种解决方案
1 SLIC(用户线接口电路)保护
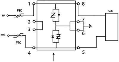
● 固定电压单向保护器(SIDACtor)+PTC

图2固定电压单向保护器配合PTC
其中,过压(OV)保护采用工作电压为-90V的P1101DF-1(固定电压单向保护器);过流(OC)保护采用250S130(PTC)×2或Telelink保险丝0461 1.25A×2。
FXS要求SLIC保护器能够将多余的浪涌转移到SLIC T/R线路中。这是利用P1101DF-1的单向特性完成的。线路中出现的正浪涌将被反并联二极管转移到SIDACtor P1101DF-1中,而负浪涌则被SCR转移到SIDACtor P1101DF-1。P1101DF-1的浪涌能力符合ITU-T K.21浪涌的要求。然而,如果要求OV+OC组合符合TIA-968浪涌的要求或通过更高级的ITU-T浪涌测试,则需要一定的线路电阻。

正常情况下,1个电阻高于30Ω的CPTC(陶瓷正温度系数电阻器)就能够处理大多数情况。精确的保护器件高度依赖于终端市场和实际的浪涌条件。
● 电池跟踪浪涌保护器+PPTC
其中,OV采用Battrax电池跟踪保护器——一种双重负电池跟踪保护器。器件可以跟踪电池电压变化,并提供V+Vgt的保护电压。Vgt是二极管+2 pn结的正向电压差,即2.1V左右。

图3 Battrax器件的V-I特性
Battrax器件提供仅负跟踪或±V取决于电池电压的正/负组合跟踪。

图4 Battrax保护器结构
正浪涌被反并联二极管转移到地面上;Battrax保护器的栅极(Vref)引脚被连接到SLIC Vbat引脚上,这样它就可以跟踪SLIC电池电压的变化。
2 线路保护-FXO端口
这是T-R线路的保护机制。典型保护是通过添加OC+OV来完成的,如图5所示。

图5 用SIDACtor完成FXO端口保护
具体解决方案为:OV采用SIDACtor P3100SB,OC采用PPTC 250R180或Telelink保险丝4611.25。
3 以太网保护
为以太网端口提供保护功能的需求在不断增长。由于该以太网是一种快速数据端口,并且100 Base-T,甚至1000 Base-T(千兆位级)以太网在该端口中都很常见,所以当以太网符合楼宇内或楼宇间要求时保护机制就不相同。
● 楼宇内以太网设计
芯片保护阵列SP03-3.3是一个理想的、具有楼宇内保护功能的解决方案。它的最大变位电压为3.3V,远远高于以太网数字信号的最大值。它为共模和差分浪涌事件提供了全面保护,并且其低关闭状态电容有助于保持快速以太网的信号完整性。SP03-3.3具有100A(2/10)浪涌能力,这超过了GR1089楼宇内浪涌电流的要求。

图6 楼宇内以太网保护器件SP03-3.3

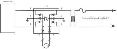
图7 楼宇间以太网保护器件SEP
● 楼宇间以太网设计
跟楼宇内以太网不同,楼宇间以太网由于暴露在户外环境,所以具有高浪涌能量100A(10/1000)浪涌功能保护。对于用于实现超高浪涌能力的芯片保护阵列技术来说,这是不可行的。SEP(SIDACtor以太网保护)是一款新发明的器件,用于实现高浪涌和快速以太网线路保护。它为以太网线路提供了平衡保护,并且通过将偏置引脚(引脚7)连接到系统电源上来提供恒定电容。由于电容稳定,所以可以保持以太网信号的信号完整性。
4 USB端口
SP300x是一种芯片保护阵列,提供4线式ESD保护。它具有0.65pF的超低电容与符合IEC61000-4-2规定的15kV/8kV ESD水平。
5 电源端口
由于该电源端口会经历热插拔的情况,所以这样会让很高的浪涌电流流入电源端口,进而损坏下列敏感电子元件。

图8 USB端口保护器件SP300x
推荐解决方案:PPTC 30R或1206/1812 PPTC+TVS二极管P6SMJ。
结语
VoIP产品是一种具有不同类型通信端口的电信设备,发生ESD和浪涌危险的几率很高。由于电信制造商需要为终端用户提供可靠的产品,所以VoIP产品在各种天气条件下都必须能够正常运行,因此,VoIP保护要求就不能忽视,否则会影响制造商的品牌形象。
随着通信设备重要性的提高,市面上比较大规模的电路保护供应商会有开发新的保护解决方案来满足不断变化的需求。特别是一些在业界上历史较悠久的供应商,会提供可以满足各种端口保护要求的保护解决方案。上述解决方案只是这些解决方案中的一部分,并且都只适于一般情况。
上一篇:为低功耗无线应用选择天线
下一篇:采用加密器件防止网游账号被盗