时间:2008-10-18 08:56
人气:
作者:admin
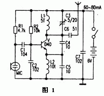
单声道调频发射电路
上图是较为经典的1.5km单管调频发射机电路。电路中的关键元件是发射三极管,多采用D40,D5O,2N3866等。工作电流为60--80mA。但以上三极管难以购到,且价格较高,假货较多。笔者选用其他三极管实验,相对易购的三极管C2053和C1970是相当不错的,实际视距通信距离大于1.5km。笔者也曾将D40管换成普通三极管8050,工作电流有60--80mA,但发射距离达不到1.5km,若改换成9018等,工作电流更小,发射距离也更短, 电路中除了发射三极管以外;线圈L1和电容C3的参数选择较重要,若选择不当会不起振或工作频率超出88--108MHz范围。其中L1,L2可用0.31mm的漆包线在3.5mm左右的圆棒上单层平绕5匝及10匝,C3选用5-20pF的瓷介或涤纶可调电容。实际制作时,电容C5可省略,L2上也可换成10-100mH的普通电感线圈。若发射距离只要几十米,那么可将电池电压选择为1.5-3V,并将D40管换成廉价的9018等,耗电会更少,也可参考《电子报》2000年第8期第五版(简易远距离无线调频传声器)一文后稍作改动。图1介绍的单管发射机具有电路简单,输出功率大,制作容易的特点,但是不便接高频电缆将射频信号送至室外的发射天线,一般是将0.7--0.9m的拉杆天线直接连在C5上作发射的,由于多普勒效应,人在天线附近移动时,频漂现象很严重,使本来收音正常的接收机声音失真或无声。若将本发射机作无线话筒使用,手捏天线时,频漂有多严重就可想而知了。