时间:2007-06-26 18:41
人气:
作者:admin
|
MC3359 DATASHEET
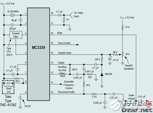
MC3359是美国MOTOROLA公司生产的单片窄带调频接收电路,主要应用于语音通讯的无线接收机。片内包含振荡电路、混频电路、限幅放大器、AFC(自动频率控制)、积分鉴频器、滤波器、抑制器、扫描控制器及静噪开关电路。MC3359类似于MC3357,并在其基础上增加了中放限幅放大级、AFC输出级和调频检波器,主要应用于采用455kHz陶瓷滤波器的二次变频的通讯接收设备。MC3359同样仅需要较少的外接元件。要求其工作电压在6.0V以下,适合于经济的应用场合,推荐使用MC3361BP、BD。若使用陶瓷滤波器固定的频点,类似的二次变频接收电路可参考MC3335、MC3362、MC3363。MC3359主要特性如下: · 低功耗(在Vcc=6.0V,耗电典型值仅为3.6mA)· 极限灵敏度:2.0uV(-3bB)(典型值) · 少量的外接元件 · DIP18和SO-18两种封装形式 · 如需要低电压及RSSI,推荐使用性能更优越的MC3371接收电路 ![]() ![]() MC3359的内部振荡电路与Pin1和Pin2的外接元件组成第二本振级,第一中频IF输入信号10.7MHz从MC3359的Pin18输入,在内部第二混频级进行混频,其差频为:10.700-10.245=0.455MHz,也即455kHz第二中频信号。 第二中频信号由Pin3输出,由455kHz陶瓷滤波器选频,再经Pin5送入MC3359的限幅放大器进行高增益放大,限幅放大级是整个电路的主要增益级。Pin8的外接元件组成455kHz鉴频谐振回路,经放大后的第二中频信号在内部进行鉴频解调,并经一级音频电压放大后由Pin10输出音频信号。 Pin14——Pin17为载频检测和电子开关电路,通过外接少量的元件即可构成载频检测电路,用于调频接收机的静噪控制。MC3359内部还置有一级滤波信号放大级,加上少量的外接元件可组成有源选频电路,为载频检测电路提供信号,该滤波器Pin12为输入端,Pin13为输出端。Pin6、Pin7和Pin9为第二中放级的退耦电容。 MC3359的极限参数(Ta=25℃)名称引脚位置标识符极限值单位电源电压4Vcc(max)12V(DC)工作电压范围4Vcc6—9V(DC)输入电压18V181.0VRSM静噪功能16V16-0.7—12Vpk焊接温度-Tj150℃工作周围温度范围-TA-30—+70℃储藏温度-Tstg-65—+150℃
|
| MC3359的极限参数(Ta=25℃) | |||||
| 名称 | 引脚位置 | 标识符 | 极限值 | 单位 | |
| 电源电压 | 4 | Vcc(max) | 12 | V(DC) | |
| 工作电压范围 | 4 | Vcc | 6—9 | V(DC) | |
| 输入电压 | 18 | V18 | 1.0 | VRSM | |
| 静噪功能 | 16 | V16 | -0.7—12 | Vpk | |
| 焊接温度 | - | Tj | 150 | ℃ | |
| 工作周围温度范围 | - | TA | -30—+70 | ℃ | |
| 储藏温度 | - | Tstg | -65—+150 | ℃ | |
MC3359接收电路

下一篇:2007年世界五百强