时间:2006-04-16 19:25
人气:
作者:admin
许多无线电爱好者都希望制作一台调频发射器,特别是在87~108MHz的调频波段,可利用现成的FM收音机来接收,因而受到大家的青睐。
在许多刊物中都介绍有调频发射器的实例,但大多数采用电容三点式电路和克拉泼振荡电路。这种电路虽简单,但它的频率稳定度不高,特别是在业余条件下,稍微动动电路板或天线位置,频率就改变了。在此笔者介绍一款用晶振稳频的调频发射器。
电路原理
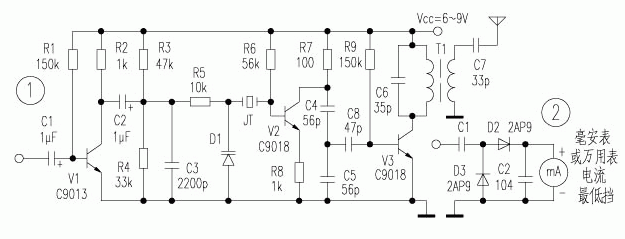
如图1所示,由V1及相关阻容元件组成一级音频放大电路,为调制级提供足够强度的音频信号。D1是变容二极管,其等效电容量随着两极所加的反向电压变化而变化,从而使晶振及外围电路组成的振荡器中心频率随之变化,达到调频目的。振荡器输出的信号经V3倍频、放大,再由调谐变压器完成匹配与滤波后输出。
该电路用了调谐变压器,因而在制作完后要调整其磁心,使之匹配。其方法是制作一个简易场强电路(如图2所示),接至变压器的输出端,调整磁心,直到电流表指示值最大为止。电路中所用元器件尽量使用高频特性好的元器件。晶振选用标称值为29~36MHz之间的晶振,D1可用MV2105,变压器需自制,可选用电视中周作骨架,去掉屏蔽罩,用∮0.2mm左右的漆包线在骨架上初级绕3匝,次级绕1匝。天线可用1/4波长的软导线代用。
上一篇:简易远距离无线调频传声器
下一篇:远距离FM调频发射电路