时间:2006-04-16 19:25
人气:
作者:admin
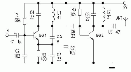
工作电压为9V,工作电流2~6mA,元件参数如图可知,BG1为9018、BG2为C1959(也可以是9018,不过功率很小,如果是D-40可以将射距离扩大到1000米,D-40在电子商店很难买到。),L1、L2为0.5mm的漆包线在0.5的圆棒上绕4和3圈,工作电压可以提高到12V,这样发射的距离可增加,不过频率会变化,整个电路最好用电池供电,可达到音质和稳频的最佳效果,调试时先关闭BG2的工作,调好你所需的频率,最后打开BG2电路调节功率。本电路我是采用BG1--D40、BG2--C1970效果很好,电压12V,BG1工作电压6V,距离是3000米(定向实验)。如果你要采用D-40,请你要注意D-40的工作电压是6V!最好将本电路装在一个铁盒里,输入端加一个衰落减网络。
上一篇:远距离FM调频发射电路
下一篇:新颖的调频接收机