全球最实用的IT互联网信息网站!

AI人工智能P2P分享&下载搜索网页发布信息网站地图

当前位置:诺佳网 > 电子/半导体 > 通信网络 >

[组图]用C1971制作6W高频功放实例(英文)

时间:2006-04-15 20:49

人气:

作者:admin

标签: (英文)  组图用C 

导读:[组图]用C1971制作6W高频功放实例(英文)- FRB 6 Watt RF Amplifier KitAssembley Instructions...

FRB 6 Watt RF Amplifier Kit
Assembley Instructions

      Assemble by soldering the components to the pads indicated. Keep coil, resistor, and capacitor leads as short as possible. The coils should be 3/16" to 1/4" above the board and separate turns by one wire diameter. Bend leads to form a little mounting foot for soldering to the circuit board. Tuning and power output are affected by the distance between the coil turns, you can make fine adjustments by either spreading or compressing the coil slightly. The area surrounding the pads is ground. C2, C3, C4, C6, C7, C8, C9, C10, L2, and R1 are soldered at one end to ground as well as the shield braid on the coax cables. Bolt Q1 to a small heat sink or the chassis with heat sink thermal compound or gray thermal pad underneath the tab. With an input level of 200-500mw, you should see an output of 5-6 watts. Be sure to have a proper dummy load (50 ohms) or tuned antenna connected to the output, doing otherwise will likely destroy the transistor.


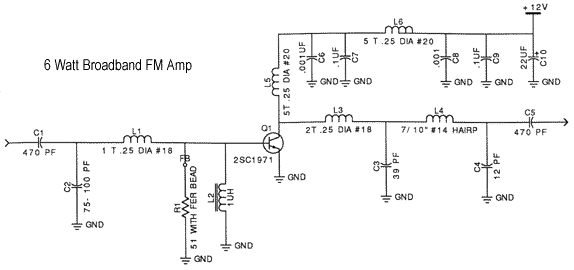
Schematic

Parts List

QuantityDescriptionPart Number(s)
2470 pF mica capacitorC1, C5
175 pF mica capacitorC2
139 pF mica capacitorC3
112 pF mica capacitorC4
20.001 uF disc or monolythic capacitor (marked either 102, .001, or 1n)C6, C8
20.1 uF disc or monolythic capacitor (marked either 104, .1, or 100n)C7, C9
110 to 22 uF electrolytic capacitor (observe correct polarity)C10
11 turn #18 tinned copper, 1/4" dia.L1
11 uH inductor, blue lumpy itemL2
12 turns #18, 1/4" dia.L3
17/10" #14, hairpinL4
25 turns #20, 1/4" dia.L5, L6
156 ohm resistor with ferrite bead over lead at the base of end of Q1R1
12SC1971 RF transistorQ1
2SO239 socket
2banana plug (1 each red and black)
2banana socket (1 each red and black)
1ferrite bead
44-40 nuts
44-40 bolts
RG174 coaxial cable
hookup wire
soldering lugs

温馨提示:以上内容整理于网络,仅供参考,如果对您有帮助,留下您的阅读感言吧!
相关阅读
本类排行
相关标签
本类推荐

CPU | 内存 | 硬盘 | 显卡 | 显示器 | 主板 | 电源 | 键鼠 | 网站地图

Copyright © 2025-2035 诺佳网 版权所有 备案号:赣ICP备2025066733号
本站资料均来源互联网收集整理,作品版权归作者所有,如果侵犯了您的版权,请跟我们联系。

关注微信