时间:2006-04-15 20:52
人气:
作者:admin
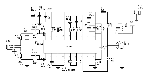
发射机的原理图如图2所示,核心部分是一块立体声发射集成电路BA1404,采用18脚双列直插式封装,其内部包括了左、右声道放大器、平衡调制器、19KHZ导频发射器、射频振荡器、射频放大器等电路,图1是其内部方框图。
由电脑等输出的立体声音频信号由CZ2插座输入,两路音频信号经过C10、C11、R4、R5等组成预加重网络后,经过C4、C5耦合到IC1的第1、18脚,X1 38KHZ晶振与内部电路组成信号发生器,该振荡信号一路经过分频器产生19KHZ导频信号,另一路用于对立体声音频信号进行编码,编码信号由第14脚输出,与第13脚输出的导频信号一起构成立体声复合信号,并送入第12脚对高频振荡信号进行调制,调制后的射频信号经内部放大后由第7脚输出,Q1及外围元件组成的射频功率放大对调频信号做进一步的放大,最后由TX天线向空中发射。红色LED1既做为工作指示灯,又同时做为IC1的稳压管,为IC1提供约1.9V左右的稳压直流电。虽然该机工作电压比较低,但能满足几十米到百米范围的收听需要,如果配合高灵敏度的调频收音机,传送距离还可以增大。如需更大的发射功率则需接更大功率的放大器。
本电路的装配可参照图3元件装配图和图4印板图进行。按照元件清单对元件进行检查,引脚存在氧化层的应先用小刀将其刮去,以利于手工焊接。由于本电路工作于高频状态,焊接时元件引脚要尽量短,以减少分布电容对电路产生的影响。天线TX可自行用一段80-100cm的电线代用(套件内默认不含天线,如需要拉杆天线请与本站联系)。检查无误后,可以在CZ1接上两节5号电池,此时红色的LED1点亮,在CZ2上接入音频信号源,找一台调频立体声收音机,放在附近,在88-108MHZ频率内寻找本发射机的信号,如果找到了并与当地广播电台频率无冲突,则可适当拉开距离,并适当拨动L2,使发射距离最远,音质最好,最后用腊将L1、L2封固,制作即可完成。在大多数情况下均能一次成功。如果没有找到信号,可以适当拨动L1(压缩或拉伸),使本机发射频率进入到收音机的接收范围,再重复上述过程,如果始终不能进入88-108MHZ的范围,可以检查元件装配是否有误,元件是否有损坏,还可以尝试加焊电容C’,容量为10-30P,或更换C15,减少C15容量一试。祝您制作成功!
元器件清单
元件编号 | 标称值 | 数量 | 元件编号 | 标称值 | 数量 | 元件编号 | 标称值 | 数量 |
R1 | 130 | 1 | C1 | 100U | 1 | IC1 | BA1404 | 1 |
R2 R3 | 1.4K | 2 | C2 | 0.01U | 1 | Q1 | 9018 | 1 |
R4 R5 | 47K | 2 | C3 C4 C5 C6 | 10U | 4 | X1 | 38KHZ | 1 |
R6 R7 | 27K | 2 | C7 | 220 | 1 | L1 L2 | Φ5 5T | 2 |
R8 | 2.7K | 1 | C8 C9 C10 C11 C12 C13 C14 | 1000 | 7 | CZ2 | Φ3.5座 | 1 |
R9 | 150K | 1 | LED1 | Φ3红 | 1 | |||
R10 | 22K | 1 | 印板 | | 1 | |||
| | | C15 | 82 | 1 | | | |
| | | C16 C17 C18 C19 | 15 | 4 | | | |
| | | | | |


工作电压 3V 电流消耗 10mA 导频振荡 38KHz 通道分离度 45dB 工作温度 -20℃-+50
上一篇:[图文]无绳电话机发射机电路
下一篇:光发射机的原理及其选择与使用