全球最实用的IT互联网信息网站!
AI人工智能P2P分享&下载搜索网页发布信息网站地图
时间:2006-04-15 21:00
人气:
作者:admin
标签: 2的剖析 图文调频
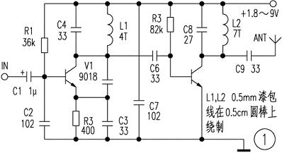
调频发射模块C2的剖析
近日,从天津某电子厂邮购了一支调频发射模块C2,该模块适用于音频信号的调频无线发送,各元件被封装在12mm×22mm×32mm的塑壳内。由于模块具有接口简单,性能稳定的特点,因此决定对模块进行一次“解剖”,按实物测绘出的电路见附图。 模块的工作电压为1?8~9V,工作电流2~6mA,根据解剖后得到的元件参数可知,模块的工作电压可以提高到12V,这样发射的作用距离可增加到50~60米。
上一篇:[图文]15w射频功率放大器
下一篇:[组图]半波振子天线的装配与接法
基站天线原理(附井盖基站建设全过程)
什么是5G AAU?
无线连接Wi-Fi设备将帮助您解决三大设计
6G的下一步:太赫兹技术新进展
摩尔斯微电子与移远通信合作,将Wi-Fi
移远通信携手MediaTek在悉尼科技大学开展
CPU | 内存 | 硬盘 | 显卡 | 显示器 | 主板 | 电源 | 键鼠 | 网站地图
Copyright © 2025-2035 诺佳网 版权所有 备案号:赣ICP备2025066733号 本站资料均来源互联网收集整理,作品版权归作者所有,如果侵犯了您的版权,请跟我们联系。