时间:2006-04-15 19:21
人气:
作者:admin
(一)45-925MHz调频接收头
近期从《电子报》上看到有一篇介绍以用普通电视机用高频头为主要元件的二次变频调频接收头,看文章介绍的还可能,遂购得一套.组件完好,元件焊装尚可,高频头采用立式安装,调谐采用一只自带频段开关的100K电位器.于是迫不急待地接上电源和扬声器试机,在调整中才发现,原图中的1K微调电位器在组件中并没有安装,在板子的左下方原预留了一只LED的位置,分析为调谐指示灯.焊上一只LED后发现对接收信号有一定影响,遂去除.初次使用一15V开关电源组件作电源,发现干扰很大,仔细看说明书也发现此组件不能使用开关电源.利用手头一只约30瓦的双15V电源变压器作电源,取其中一组直接输入组件的电源输入端.接入一扬声器试听,总体感觉频率调节不是很精细;究其原因是因为调谐电位器的手柄太细,用一只旧收音机上的手柄套上后感觉好了很多.在调整中也发现了不少的问题:如电源稳压集成块7805和7812发热量较大,为了保证组件工作正常专门加装了一只散热片,工作起来散热片只有微热.
组件工作基本正常,可是为组件找一个合适的外壳也着实费了一番脑筋.找来找去也没有找到一个合适的,正好邮购时的外包装还没有丢掉,就用它罢!将变压器装入包装盒内,组件干脆用螺丝固定在盒外面,另设开关和电源指示灯等.扬声器直接安装在外壳上,为了加强散热,采用一只计算机CPU上的小风扇从侧面直吹电路板,供电由变压器的另一组绕组串一只二极管供给.并在外壳上安装一只Q9插座,就可以直接安装1.2米拉杆天线或是上文介绍的八木天线了.
最后完成的外观(点击放大)
总体评价:接收头的频率接收范围和文章介绍基本一致,就是对于调频收音(88-108Mhz)有个别台调不出来.频率调整不是很方便;无频率指示装置,采用文章介绍的用一只表头并在电路上指示大概频率,发现对接收有一定的干扰.个别元件发热量较大,建议安装散热装置.对于接收900M模拟手机时采用拉杆天线比我的八木天线效果要好一些,而且天线的长短对于接收很关键.组件的频率稳定度尚可,此组件作为学习电视机音频接收部分原理或调试发射电路有一定的现实意义.
(二)我用45~925MHz二次变频调频接收头
(晓晓)
暑期,一名调频发烧友送我一个全频接收机的组件,可能他也不知如何安装才送我的。刚好电子报有一篇类似的文章(如下),经过几番考虑才确认是此品。装好后,效果当然不错,只是无频率指示,接收的频率只有推测,在144--148MHZ、220-225MHZ、430--440MHZ、902--925MHZ的业余频段无法发挥,频带太宽了。其次我建议爱好者使用电池供电,尽量发挥自己的优势对此品的开发,我觉得还是很有价值的,只是我的时间有限。祝愿您能开发新功能! 
以下是关于此品的说明:
市售收音机一般只能接收88~108MHz调频广播,频带窄、灵敏度低。本文介绍的接收头可接收45~925MHz范围内的调频信号,可用于收听广播、电视伴音、监听无绳电话、对讲机等,用途较广,有一定的实用性和趣味性。其电路按通信接收机和收音机电路综合设计,具有高灵敏度(1μV)、高稳定性等优点,特别适合远程接收。
一、电路原理
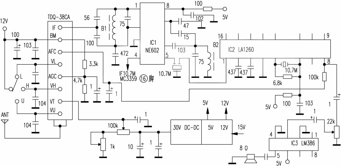
全机使用1只高频头,4只集成电路,构成典型的二次变频超外差接收头。第一中频可在31.5~38MHz之间选择,本机选为31?5MHz,第二中频为标准的10?7MHz。音频输出约0?2W,静态电流100mA,电路见附图。
无线电信号经高频放大、变频后,输出的31?5MHz第一中频信号通过高频变压器B1送到IC1,与42?2MHz第二本振混频,产生10?7MHz第二中频信号,该中频信号通过10?7MHz三端滤波器送入IC2。IC2具有中放、音频解调、调谐指示等功能。解调后的音频信号经IC3放大后驱动8Ω/0?5W扬声器或耳机。IC2鉴频输出端8脚的电压控制高频头AFC端,即可达到自动频率微调的目的。
本机电源由7805、7812稳压集成电路及外围元件组成的DC-DC变换器,分别向电路各部分提供5V、12V、30V工作电压。7812需3V以上的电压差,因此,输入的直流电压应在15V以上。
二、元件选择
1?高频头应选用灵敏度较高的全增补频道高频头,使用扫频仪、示波器和频率计对高频头进行改调,在保证总体性能不变的情况下,将U段频率上限提高到960MHz,而实际使用中的频率上限为925MHz。实测频率范围为L段45~155MHz、H段150~465MHz、U段440~960MHz。
2?第二本振/混频选用高性能的通信专用电路NE602。该集成电路采用双平衡混频器,具有很好的信噪比和三阶段互调指标,在没有外部高放的情况下,接收机有0?2μV的灵敏度,因而,可以省去第一中放,简化电路。
3?第二中放、音频解调选用高信噪比的FM/AM收音机集成电路LA1260。该集成电路包含AM/FM两部分,本机取其FM部分,AM部分空置,LA1260有很高的信噪比,FM部分为81dB,比常用集成电路(CXA1019、CXA1238、TTA8127)高11dB,具有失真小、抗干扰能力强等优点。
4?30V DC-DC变换器选用NE555双时基电路,NE555与外围元件组成自激多谐振荡器,在其3脚输出400kHz方波并送至倍压整流电路。输入电压12V时,输出电压31?5V。
5?调谐组件选用自带频段开关的100kΩ电位器,用于频率粗调,1kΩ单连电位器用于频率微调。该调谐组件无频率指示,可用一只30V直流电压表头并在高频头VT端与地之间,并根据指示电压大致了解接收频率。频段开关顺序L—H—U,顺时针调谐时频率增高,反时针减小。
6?高频变压器B1,振荡线圈B2选用成品电视中周TRF1445,原谐振频率38MHz,B1无须改绕,加大谐振电容即可,B2拆去1圈,谐振频率约41?5MHz。
7?天线是本机的关键部件,有条件的可根据接收频段选择专用天线,也可选用1?5米拉杆天线,接收U段信号时,天线最佳长度根据实际情况在15~30厘米之间选择。天线与高频头用粗单股铜线连接,连线长度不超过3厘米。
三、调试与使用
本机除高频头外,只有一个调谐点,即第二本振频率调整,要求较高时可用频率计调整,无频率计时,只需将已改绕的B2磁芯向外(反时针)旋转1/3圈,谐振频率大约为42?2MHz。本机使用较简单,调谐时将微调电位器置于中间位置,然后缓慢转动调谐电位器,收到信号后再调节电位器,使音质最好即可。
(三)45-925MHz调频立体声接收头
(一)"调频接收头"中所介绍的电路在设计上有许多不足,以下接收头对上两篇进行总结、改进,接收头在性能上有了较大提高。
一、原接收头存在的问题
1、选择性差。第二本振/混频电路(NE602)采用了较简单的单调谐回路,因而选择性、通频带特性较差,致使接收头出现混台、强台压弱台的现象。要解决此问题就必须 在NE602之前加双调谐回路,将频带宽度降低到1MHz左右。
2、灵敏度低。NE602虽然有较高的输入灵敏度指标,但是在实际使用中效果并不明显,主要原因在于接收微弱信号时高频头的中频信号电压较低,致使NE602的混频效率降低,混频增益也随之降低。因而、有必要在高频头与NE602之间加一级中频放大。
3、调谐精度差。接收头调谐组件虽然采用了精密30圈电位器,但是、因接收频率太宽,实际调谐精度仍然较低(每圈3 15MHz)。可以采用电阻分压,开关转换的方式,将调谐精度提高3 6倍。
4、信噪比差。为了简化电源,便于使用直流电源,接收头调谐电压由高频DC-DC变换器提供。因接收头印制板采用的是单面板,变换器产生的高频辐射干扰十分明显,为此、必须采用双面大面积地孔化印制板,利用大面积地对各级进行屏敝,实验证明效果极佳,干扰噪声降低到不可闻的程度,信噪比有了较大提高。
二、新型接收头
1、电路组成。接收头由高频调谐器、第一中放、第二本振/混频、第二中放、FM解调、立体声解码、自动增益控制、调谐组件、功放、30V升压电路、稳压电路等组成。
①、高频调谐器是接收头的最重要部件,通讯机专用的高频调谐器虽然性能好,但价格相当高昂,也无法从市场购买到,因而,高频调谐器只好选用电视机用全增补高频头。全增补高频头的电路结构与通讯机高频调谐器并无太大差别 ,只要不是专用要求,选择电视机用高频头是可行的。全增补高频头的品种较多,电路各异,分立元件类的灵敏度较低,不可选用,应选择以TDA5300T系列为主电路的高频头。以笔者所使用的"成都旭光"TDQ-3B6高频头为例,该高频头由三组独立的LC输入回路、双栅极场效应高放、双调谐回路以及TDA5330T组成。三频段电路各自独立,互不影响,频率覆盖45--900MHz,特别方便改调。高频头的调整较简单,输入回路、本振不用调整,调整的重点是双调谐回路,即将原8MHz的中频带宽压缩到1MHz以下,以提高选择性指标。有条件的可用扫频仪调整,无仪器时也可不调整而直接使用,只是灵敏度、选择性稍差。
②、38MHz第一中频滤波器由B1、B2、C3、C4、C5组成,B1、B2选用免调型,C4容量的大小决定中频带宽。滤波器中心频率38MHz,带宽600KHz。
③、第一中放、第二本振/混频电路由TA7358AP组成,TA7358AP曾大量用于调频收音机,高放增益23dB,混频增益31dB,本振稳定性相当好。本级的电路构成与调频收音机高频头基本相同,只是工作频率不同。B3、B4、B5均选用免调型,本级无需调试。
④、第二预中放由T1以及有关元件组成,增益20dB。
⑤、第二中放、FM解调、立体声解码电路与《电子报》今年第八期"高保真调频立体声调谐器"的基本电路相同,不同的是立体声解码电路由LA3370改为LA3430。LA3430的压控振荡器采用了456KHz陶磁振荡器,提高了稳定性,减小了失真度。新增了高频头AGC控制电路,防止强信号堵塞。为了进一步提高立体声分离度,立体声输出滤波器由RC双T滤波器改为LC滤波器,立体声分离度可达50dB。
⑥、AGC控制电路由T2以及有关元件组成,IC2第⑥脚输出电压随输入信号的强弱在0~8V之间变化,但该电压不能直接用于反向AGC高频头,必须在倒相后才能用于AGC控制。
⑦、30V DC-DC变换器提供高频头调谐电压,输入电压12V,输出电压30V。采用升压电路代替电源变压器调谐电压绕组,简化了电源电路,可交直流两用。
⑧、调谐组件由调谐电位器-频段开关、频道开关组成,调谐电位器选用30圈精密电位器,频段开关组合在调谐电位器上,R1 R4的作用是将L、H、U三频段的每一段再分为高、中、低三段,通过一支3×3的开关转换,调谐精度提高三倍。
⑨、功放由LM386组成,该级只用于通讯信号监听,收听立体声节目时最好是外接有源音箱。
2、天线
天线质量的好坏直接关系到收听的质量,以及灵敏度等指标。在要求不高的情况下可以选用1.5米拉杆天线,适合收听本地调频广播和通讯信号。如果要接收远程信号,就必须选用室外天线。收听远程调频广播,最好选用调频广播频段专用的室外天线,如要兼收通讯信号也可选用全频段电视天线,不过在灵敏度、选择性方面要差于专用频道天线。
3、电源
电源质量的好坏也与整机灵敏度、信噪比有密切的关系。变压器、整流器、预稳压应远离接收头,以避免产生干扰。变压器应选用25W的优质产品 ,在接收头稳压电路前加接一级可调的预稳压电路,可降低接收头的功耗,降低接收头稳压电路的热量,提高接收头的稳定性。稳压电路采用了低功耗、低压差稳压集成电路,最低输入电压12.3V,最佳输入电压12.6V,最高输入电压15V。
4、主要性能指标
灵敏度 ≥0.5uV 选择性≥75db 立体声分离度≥50db 静态电流≤100mA
下一篇:调频广播的超远程高保真接收