时间:2006-04-15 20:43
人气:
作者:admin
如果您自己亲自动手,制作一套高保真无线立体声音箱,在无拘无束欣赏美妙音乐的同时,您一定还会有一种成就感。如果您已有一套2.1
声道音箱,再加上您的作品,便可构成无线环绕立体声音箱系统,当然您得有一块4.1声道声卡;此外该无线立体声音箱还可与您现有的音响系
统构成无线家庭影院。
本期介绍的无线立体声音箱系统包括无线立体声发射(BH1417F或BH1416F调频发射芯片)电路和无线立体声接收(CXA1238M调频接收芯片)
与放大电路,由于电路简单,外围元件少,所以即便是普通的业余电子爱好者,也有极高的制作成功率。
(一)发射装置的制作
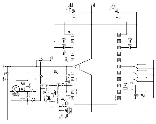
发射装置采用ROHM公司的单片数字锁相立体声调制芯片BH1416F,该芯片性能卓越,失真仅为0.5%,声道分离度高达40dB,传送的音质可
达专业级别。其引脚功能如下图:

由BH1416F构成的发射电路如下图:
(二)接收与放大电路的制作
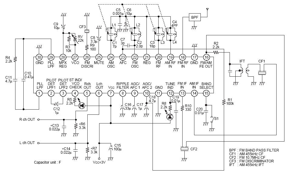
接收电路采用的是sony公司的高品质调频立体声接收芯片CXA1238M,其引脚功能如下图所示: 
由CXA1238M构成的接收电路如下图所示: 
注:
1、如果您选用本部的套件,本部将为您提供相关图纸资料;
2、如果上述图形不清晰,您可将图形保存,再用ACDSeea或其它看图软件打开。
下一篇:[组图]自制MP3FM发射机