时间:2006-03-11 13:14
人气:
作者:admin

图1 直接LED电流控制拓扑中的升压转换器

图2 电流控制的LED电源的启动波形

图3 电压控制的LED电源
通常LED的发光特性很大程度上取决于LED所用的半导体材料,因此不同的制造部件就会带来LED特性的差异。发光通常取决于LED电流,发光与LED电流之比是随制造而变化的主要参数之一。因此,通常将相似的电流到光转换比将LED预先分选为不同的组。在这些LED组中,LED正向电压会有所变化。为了在照相时用LED作为光源照亮周围场景,必须在影像传感器工作的同时产生光脉冲。为了优化系统功耗与散热,LED 的接通时间应尽可能短,因此应做到与影像传感器同步。通常使用 100ms或更长的光脉冲,这取决于LED的发光功能以及影像传感器与闪光灯如何协同工作。因此,我们要解决两个问题。一是必须控制LED电流,二是应能实现光脉冲与影像传感器的同步。
设计直接控制LED电流的简单电路可能是我们的首选。对于使用不同供应商提供的LED,该方法提供了高度的灵活性。电流调节需要电流测量,测量LED电流最简单而且最便宜的方法就是使用与LED串联的分流电阻,这样转换器所需的总输出电压就是二极管正向电压与分流电阻压降之和。为了保证电路的简单便宜,分流电阻的设计最好使电阻上的压降与所选转换器的反馈电压相同。为了尽可能减小损耗,希望分流电阻的压降最小,因为更高的电压只会增大损耗。由于二极管正向电压与分流电阻的压降之和通常高于移动电话的电池电压,因此应使用升压转换器。假定我们在例子中使用反馈电压为500mV的转换器,则需要4.1V至4.3V的总输出电压。图1显示了该电路的可能设计样式。
这看起来简单而廉价,不过也付出了代价。从上述计算可知,所需的最低输出电压为4.1V。这就是说,充足电的锂离子电池的输入电压可能高于所需输出电压。如果假定整流开关的最小压降为100mV,这仅仅是输出电流可控制的极限。如果输出压降低于4.1V,则标准的升压转换器将无法再控制LED电流。我们可增加与LED串联的电阻器或使用更昂贵的其它升降压转换拓扑,确保在所有可能输入电压条件下都提供高效的闪光功能,从而解决上述问题。通过启动升压转换器来触发闪光灯功能时,达到输出电压需要一段时间。在这段时间内,LED已经开始导通并在启动时向升压转换器施加更大的负载,这会使启动更慢。这还会造成电池的较高电流脉冲,可能还会带来另外的系统问题。图2中的波形图详细显示了这种情况。上面的曲线CH4显示了闪光灯触发信号,第二条CH3是输入电流,第三条CH1是转换器输出电压,而最后一条CH2是LED电流。从上述曲线中可见,我们需要在几百us内保持超过1.5A的高输入电流,从而控制通过LED约300mA的电流。

图4 电压控制式应用中的闪光灯触发

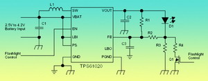
图5 带有过压保护和启动改善型电流控制式LED闪光灯应用

图6 电流与电压控制拓扑的启动波形
上述拓扑第三个也是最后一个缺点就是没有LED断开情况下的输出保护。在这种故障情况下,拓扑本身对输出过压没有内在的保护。
电压控制的拓扑则没有这种问题。图3显示了这种工作方式的简化电路。
升压转换器仅调节一个固定的输出电压,例如5V,而且在闪光灯触发前已经启动。电流通过与 LED 串联的电阻器来控制。为了启动闪光灯,可采用如图所示的附加开关。在附加FET栅极处启动闪光灯几乎没有任何延迟,图4显示了这些波形。通道排列以及相关信号与图2中给出的一样。很容易发现,LED电流上升更快,而输入负载电流则保持最低。
在输出电容器已获得高电压的情况下,马上产生LED电流。由于升压转换器的反应时间较慢,因此输出电压会稍稍下降。当然,下降值取决于输出电容器的电容量。这种方法的另一个优点是输出电压轨相当稳定,利用比电池电压高的输出电压轨,还可用来为电路的其它部分供电。
当然,这种方法的主要代价在于不能实施电流调节,LED正向电压的变化直接转化为LED电流的变化。在制造上这种变化会非常大,因此,可能需要根据LED电流组别的正向电压来调节LED串联电阻。如果根据同样的正向电压与正向电流特性对LED进行预选择,就可解决这一问题,不过这必然会增加成本。
如果我们综合采用上述两种方法,就会得到图5所示的电路。
该拓扑包括了电流调节与过压保护,通过反馈分压器上更复杂的网络来实现。连接至LED串联分流电阻的电阻分压器构成了该电路的电压读出部分。适当设计电阻分压器电路,就可限制电路的最大输出电压,使之不超过转换器与连接电路所允许的最大值。分流电阻比反馈分压器的电阻低得多,因此几乎不会改变分压器的分压值。一旦更高的电流通过分流电阻,反馈分压器中就会出现失调电压,从而降低转换器的输出电压。
这样,只要二极管与分流电阻压降之和低于电阻分压器的编程电压,即可实现LED电流调节。如果分流电阻值刚好允许低电流通过LED,则启动时间可能低于上述的简单电流控制式架构。将分流电阻与由FET开关控制的较低值电阻并联,则可立即增加LED的编程电流。如果在升压转换器输出电压积累后进行上述操作,则可减少触发闪光灯与LED闪光的时间延迟。例如作为手电筒或电影打光灯等更低LED的电流模式,即可通过升压转换器使其工作,无需增加成本而获得新的特性。图6显示改进的电路的启动波形。信号排列顺序与图2与图4所示相同。容易看出,输入电流与闪光灯触发延迟时间得到了很好的控制。
尽管该拓扑可控制电流与电压,电流控制精度却不如第一个例子中的简单电流控制架构。上述示例电路中使用的TPS61020芯片在所有电路中都运行良好,而且它还能向下调节输出电压,这样即使LED与分流电阻电压之和低于输入电压,它也适用于所有拓扑。这有助于比现有LED具有更高效率的未来改进型LED电路的实现。
下一篇:通信卫星的工作过程