时间:2006-03-11 13:18
人气:
作者:admin
今年全球预计将销售超过4.5亿部手机、3500万台笔记本电脑和1200万部个人数字助理(PDA)。这些产品有两点是相同的:第一,它们都采用电池供电;第二,它们都有某种形式的噪声敏感射频电路(或附加电路)。很明显,手机始终都采用敏感的射频收发器电路,但在PDA和手持计算机中增加此类电路还是最近的事情,这部分是蓝牙技术发展推动的结果。同时在此类产品中,开关电源正在逐步取代线性稳压器以延长电池使用寿命。在产品中同时存在噪声源(开关电源)和噪声敏感的电路可能会带来干扰隐患。
传统解决方案是尽量使噪声源电路远离噪声敏感电路。然而,现在的手持产品中,设计非常紧凑,因此这一方法已经不可行了,而通过增加屏蔽来解决问题在成本和体积两方面都行不通。传统开关电源的噪声能量主要以集中的窄带谐波形式表现出来,然而,如果这些谐波中的某个恰巧与某一敏感频率(例如接收器的中频通频带)一致或非常接近,就很可能造成干扰。

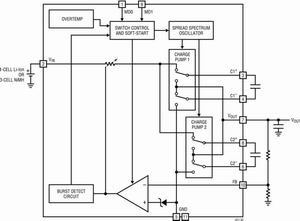
图 1 无感扩展频谱DC/DC变换器简化框图

图2 LTC3251降压变换器

图3 采用10mF输出电容(IO=500mA) 时LTC3251的输出噪声频谱

图4 采用1mF输入电容(IO=500mA) 时LTC3251的输入噪声频谱
对直流/直流(DC/DC)变换器的系统时钟进行高频抖动是一种被成功采用的技术。这种方法通过扩频技术,利用一个伪随机序列(PRN)对开关频率进行调制,从而消除窄带谐波。本质上,这种方法是将噪声“分散”到整个频率范围,而不再集中于特定的谐波上。因为扩频噪声的峰值幅度低很多,因此大大减轻了干扰。过去这一技术是用分立器件的方式实现的,但现在随着工艺的进步,在较新的DC/DC变换器器件中集成了扩频技术,从而可大大节省空间。
支持扩频操作的单片IC低噪声解决方案
为理解如何在片上实现扩频操作,让我们以图1所示的框图为例。图1中的双相开关电容充电泵用于对输入电压降压得到稳定的输出电压。利用一个外接电阻分压器来检测输出电压,同时利用误差信号调制充电泵输出电流,从而实现稳压。利用一个两相非重叠时钟来激发这两个充电泵。这两个充电泵并行工作,但彼此相位相反。在时钟的第一相,来自VIN的电流通过充电泵1的开关,以及外接的浮动电容器1到达VOUT。时钟第一相时间里,电流传送到VOUT的同时也对此浮动电容器进行充电。在时钟第二相期间,浮动电容器1由VOUT连接到地,将时钟第一相期间储存的电荷通过充电泵1的开关输送到VOUT。充电泵2工作方式相同,但相位与充电泵1相反。这一双相结构通过持续不断地将电荷从VIN转移到VOUT,从而极大降低了输出和输入噪声。
利用这种开关方法,输出电流只有一半直接来自VIN,与传统的低压降(LDO)稳压器相比效率可提升50%。扩频操作是这样实现的,根据伪随机数的变化,以每个时钟周期为基础对振荡器频率进行调制。对振荡器工作频率进行仅百分之几的调制就可显著降低峰值和谐波噪声。
凌特公司的LTC3251就是集成片上扩频功能的IC之一。LTC3251是一款输出电流为500mA的高效率、低噪声、无感降压型DC/DC变换器。LTC3251中的扩频振荡器设计成每一周期的时钟脉宽都是随机变化的,频率范围限定在1~1.6MHz之间。这样做的好处是将开关噪声分散在一个很宽的频率范围内。图2给出了LTC3251的一种典型应用电路,图3和图4分别是图2中的LTC3251在VIN=3.6V,VOUT=1.5V及IOUT=500mA条件下的输出和输入噪声频谱。由于采用了扩频技术,仅用原来输出电容的一半容量,峰值输出噪声就可显著降低(20dBm),而仅用原来输入电容的十分之一容量就几乎消除了输入谐波。扩频技术专用于“连续”模式以及输出电流大于50mA时的突发模式(Burst Mode)。
为满足手持应用对强大功能、无线便携及合理电池使用寿命的要求,设计师不得不将高效率的开关电源和对噪声敏感的射频电路集成在一起。传统开关电源结构可延长电池寿命,但可能需要采用成本昂贵且占用空间的滤波或屏蔽技术。然而,现在出现了“内置”扩频开关功能的电源IC。采用此类IC,即使不采用传统的方法,也可减轻敏感射频电路所受到的谐波干扰。而且,这些体积小、相对高输出电流和低噪声的电源IC对于空间有限、电池供电的应用非常理想。