全球最实用的IT互联网信息网站!
AI人工智能P2P分享&下载搜索网页发布信息网站地图
0.5W音频放大器集成电路
阅读全文2009-01-18
带寻台停止信号的调频中频放大器和解调器电路
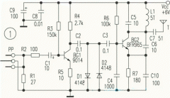
电脑选台FM收音机原理图-电路图
阅读全文2009-01-15
HC9821系列 短信电话芯片组
用LM386制作的半双式对讲机电路图
三极管实现的232接口电路
电话铃声电路图
调频型无线耳机电路图
电话机原理图
阅读全文2009-01-13
BSQUARE针对OMAP35x处理器推出全新3G开发套件
阅读全文2009-01-12
无线连接Wi-Fi设备将帮助您解决三大设计
6G的下一步:太赫兹技术新进展
摩尔斯微电子与移远通信合作,将Wi-Fi
移远通信携手MediaTek在悉尼科技大学开展
CPU | 内存 | 硬盘 | 显卡 | 显示器 | 主板 | 电源 | 键鼠 | 网站地图
Copyright © 2025-2035 诺佳网 版权所有 备案号:赣ICP备2025066733号 本站资料均来源互联网收集整理,作品版权归作者所有,如果侵犯了您的版权,请跟我们联系。