时间:2023-09-13 14:13
人气:
作者:admin
近期,森国科推出了2颗可用于有感BLDC、无感BLDC,有感FOC、无感FOC 及永磁同步电机等控制系统的MCU SPIN芯片——SGK32G031、SGK32G032基于两颗芯片的性能优势,森国科分别推出了落地扇&循环扇、电锤、吸尘器、老年代步车等多款高性能方案。本期内容重点介绍,针对三相低压风扇电机驱动,森国科SGK32G031芯片可提供的一款高性价比解决方案,加速实现低功耗、轻量化、节能化的落地扇&循环扇应用。
森国科MCU SPIN(SGK32G031)芯片

高性能 高可靠性
芯片采用32-bit Arm Cortex-M0内核,主频60MHZ,内置USART ,集成业内领先的高采样率的高速12bit ADC,集成2个高速模拟比较器,2个OPA运算放大器,硬件除法器;
芯片针对电机应用进行了多项设计优化,具备了高精准高可靠时钟系统、可支持移相的TIMER、以及-40℃~105℃增强工业级工作温度范围等多项高可靠性优势。
小尺寸、多应用
芯片采用QFN28(4mmx4mm)小封装可适配各种电机尺寸。采用32K+3K Flash,支持12V、18V、24V等电机应用。
高集成度
集成LDO 5V/3.3V输出电压可选,输出电流达100mA;
集成3P3N预驱,推荐工作电压7-28V,最大耐压可达40V。
落地扇&循环扇应用方案
本方案采用FOC双电阻无感控制,SVPWM空间矢量控制,提供OPEN BOM和硬件设计,有效帮助缩短客户开发周期;也可提供应用软件和算法库,提升客户开发效率,加速产品化落地。
相较于传统的控制板+电机驱动板+电机模式,森国科驱控一体板+电机本体方案优化了产品结构设计,简化成品生产流程,在一定程度上,降低了设计成本,也降低了售后成本。



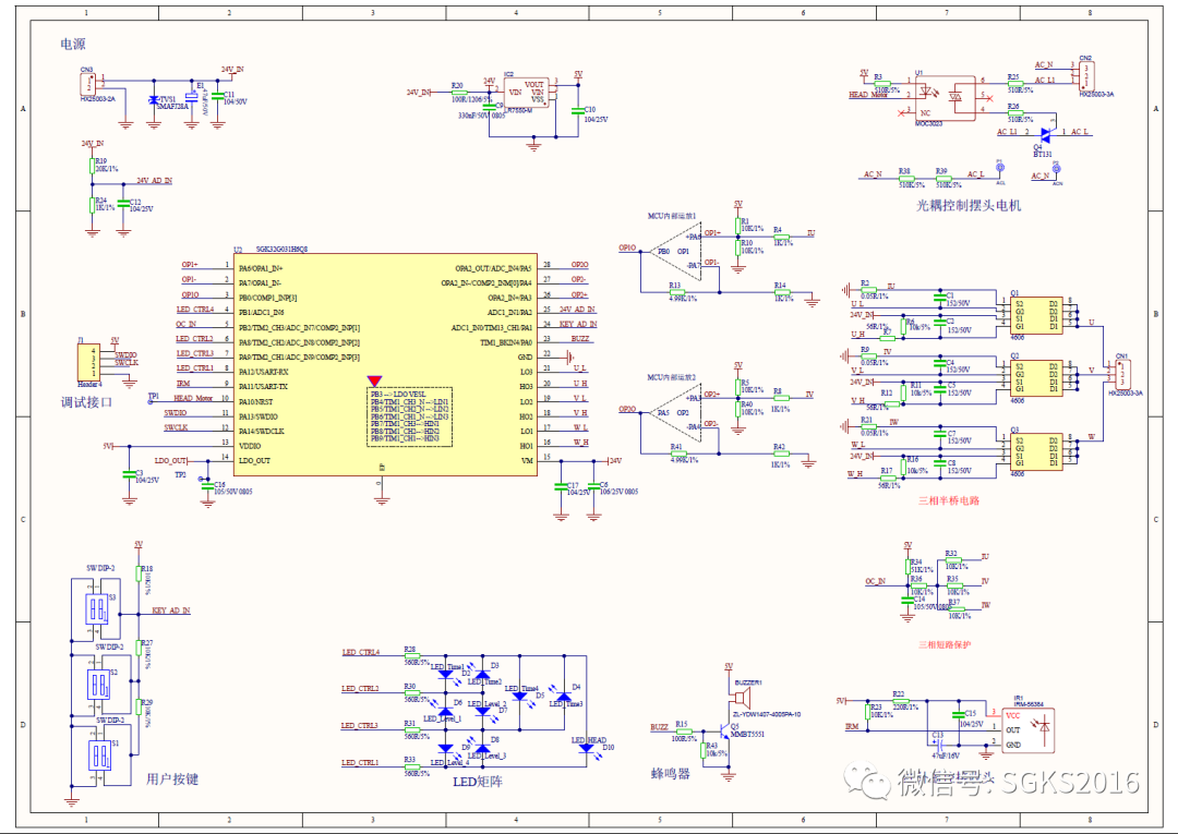
硬件参考原理图

PCB版图
方案特点:
1、支持顺逆风启动,自适应直接闭环SMO,启动成功率100%;
2、风扇工作时运行平顺、静音;
3、具有较小的转矩脉动,死区补偿,效率高;
4、外围电路精简;
5、支持恒转速速或恒功率控制;
6、支持IR红外遥控,信号传输稳定、速度快、体积小、使用方便;
7、具备欠压保护、过压保护、过流保护、堵转保护、缺相保护等功能。


审核编辑:汤梓红
上一篇:音频格式有哪些?
下一篇:三星固态硬盘获评“优秀产品”称号