时间:2023-08-16 09:07
人气:
作者:admin
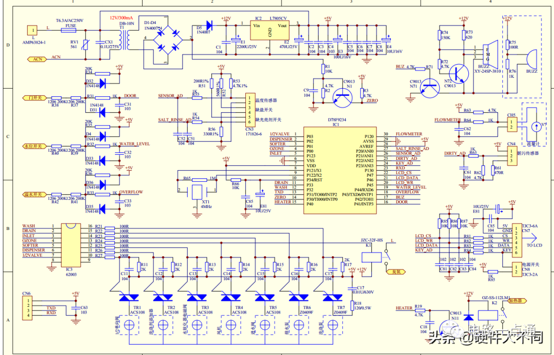
洗碗机对于现在的年轻人来说是最爱的一款小家电了,目前小家电市场竞争激烈,如何设计出低成本的电路方案是赢得市场的关键,今天给大家分享一款低成本洗碗机的电路设计方案。以下是原理图。


功能
洗涤模式设置功能:强洗,标准洗,冲洗,干燥。
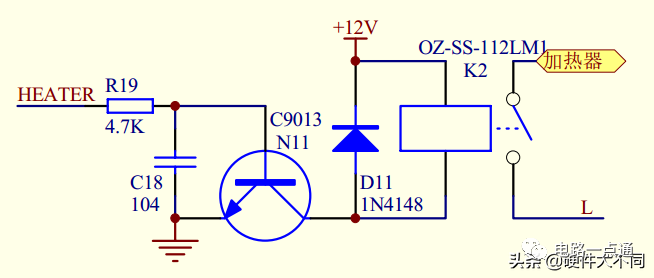
加热洗涤
臭氧杀菌消毒功能
自动故障报警
开门保护功能
运行状态指示
报警状态指示
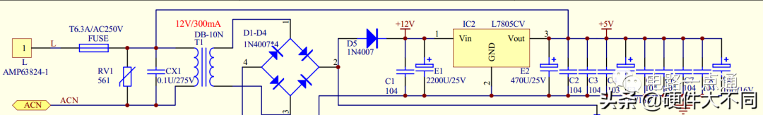
电源部分

系统需要3路电源,1路220V交流电压用于交流功率外设的驱动,1路12V供电用于继电器控制,1路5V电源给单片机和其它芯片供电。
蜂鸣器控制

使用1个蜂鸣器来提示工作状态,本电路中,设计了两个蜂鸣器接口,可以根据客户的需求选择驱动相应的蜂鸣器。
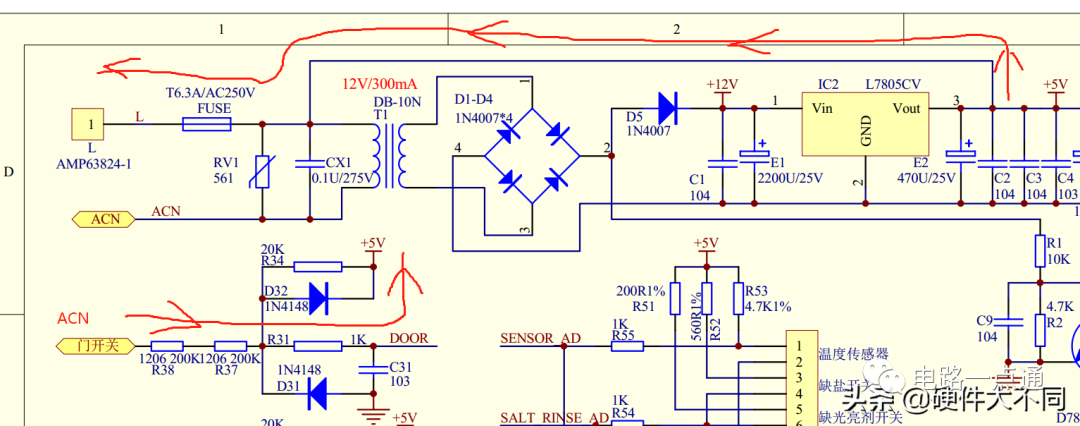
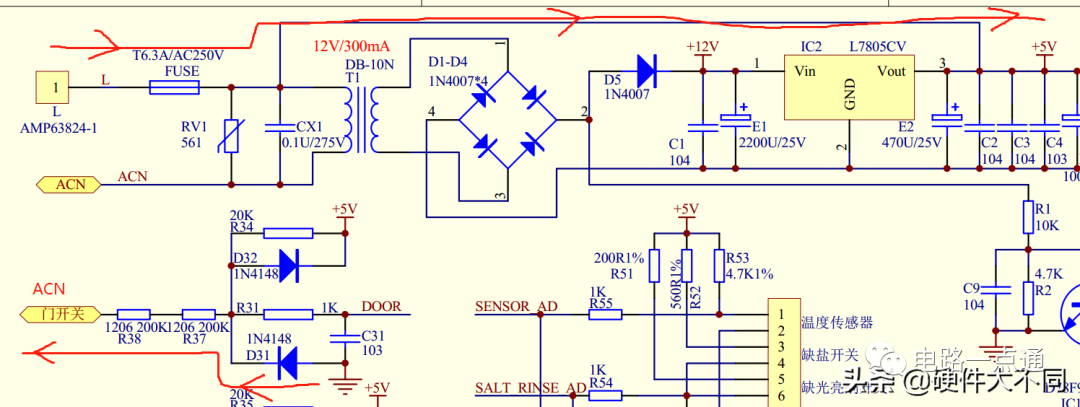
开关检测电路

系统需要检测门开关,水位开关和溢水开关,当开关闭合时,输入端输入的220V交流电压会经过以上电路,将220V交流电压转换为5V的方波型号,当单片机检测到方波信号时表明开关是闭合的,反之会认为开关是断开状态。以下以门开关检测为例,说明下功能是怎样实现的。

交流电的正半周,电流流向

交流电的负半周,电流流向
通过以上两图可以看出,在交流电的正负半周内,通过D31,D32的钳位,将交流电钳位为一个最高约5.6V,最低约为-0.6V的方波,如下图

方波型号送到单片机的16脚,用来检测门开关的状态。想了解过零检测电路相关设计的朋友可以看我的这篇文章,家电产品过零信号检测方案总结
模拟量检测电路


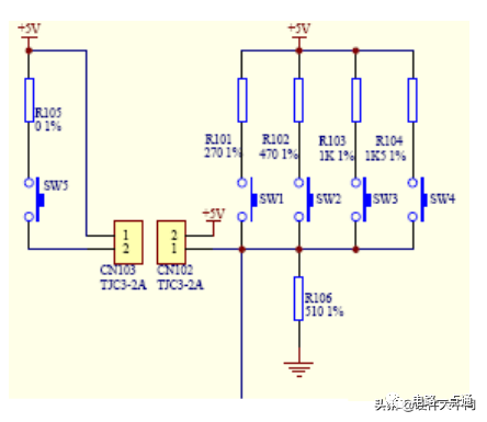
使用单片机的AD口来检测模拟量,需要检测的模拟量有温度传感器,缺盐开关,缺光亮剂开关,另外按键也是使用AD口来检测的,在每个按键上配置上不同阻值的分压电阻,当不同的按键按下时,就会在AD口检测到不同的输入电压,从而可以检测按键的状态,当项目中单片机的IO口不足时,经常会使用这种用AD口来检测按键输入的方法。
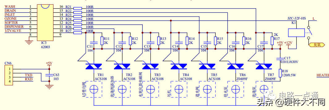
功率器件驱动电路


使用达林顿驱动芯片IC3来驱动继电器和可控硅是常见的做法。
过零检测

经整流桥整流后的馒头波经过R1--N1的基极--N1的发射极--地。使N1导通,N1的集电极输出低电平给单片机的过零检测IO口,当交流电经过零点时,N1的发射结没有正向偏置,N1截止,N1的集电极输出高电平给到单片机的过零检测IO口。加入过零检测电路的原因是为了在交流电过零点时打开功率器件。
LCD驱动

使用外部驱动芯片驱动LCD,当然现在很多单片机都内置了LCD驱动,也可选择内置LCD驱动的单片机。
审核编辑:汤梓红