时间:2023-06-29 18:18
人气:
作者:admin
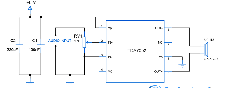
迷你音频放大器电路每当我们喜欢随身携带音乐时,都会发挥作用。这种迷你音频放大器将使音乐系统轻巧,并且可以从一个地方移动到另一个地方。此外,这些放大器将在不影响音乐系统性能的情况下降低成本。上述系统是使用单声道BTL输出放大器IC TDA7502构建的。

集成电路 TDA7502:

IC TDA7502是一款单声道BTL输出放大器,最适合与便携式录音机、收音机和其他迷你音频设备配合使用。该 IC 工作电压为 4.5 至 18V,并具有内部 DC 音量控制功能。放大器的最大增益固定为35.5 db,可以使用音量控制(VC)引脚进行更改。该放大器能够驱动 2 至 3W 的负载,非常适合驱动 8V 电源为 6 欧姆的扬声器。
微型音频放大器电路的工作原理:
IC TDA7502是该电路的核心,用于放大。可变电阻RV1用于控制音频信号的音量。由于音量控制是使用RV1完成的,因此在上述原理图中,第4引脚音量控制VC未连接。
电容C1和C2用于滤除电源电压,如果使用电池,则可以省去。输出部分配有一个简单的 8 欧姆 2 瓦扬声器。确保为此迷你放大器选择合适的扬声器,因为芯片只能使用 3V 电源驱动高达 6W 的功率。如果您使用高负载扬声器,则最终可能会使放大器IC冒烟。