网站首页 全球最实用的IT互联网站!

人工智能P2P分享Wind搜索发布信息网站地图标签大全

当前位置:诺佳网 > 电子/半导体 > 音视频/家电 >

一款典型的立体声功率放大器的制作

时间:2006-04-17 23:33

人气:

作者:admin

标签: 一款典型  器的制作 

导读:一款典型的立体声功率放大器的制作- 本立体声功率放大器是以集成电路TDA2030A为主组成的立体声功率放大器,其采...
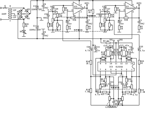
     本立体声功率放大器是以集成电路TDA2030A为主组成的立体声功率放大器,其采用典型的功率放大电路,具有失真小、外围元件少、稳定性高、频响范围宽、保真度高、功率大等优点,同时采用四运放GL324A对输入音频信号进行处理及高、低音进行控制,从而更加保证输出声音的音质。这是一款很适合无线电爱好者和音响发烧友自制的音响套材。本功率放大器实际聆听,高音柔美细腻,低音丰满圆润。一、工作原理      本立体声功率放大器所用的核心芯片是国际通用高保真音频功率放大集成电路TDA2030A。本电路由三 个部分组成,即电源电路、左右声道的功率放大器及输入信号处理电源(四运放)。电源变压器将220V交流电降为双12V低压交流电,经桥式整流后变为±18V的直流电,作为功放及运放的供电电源,D5、R29组成电源指示电路,以指示电源是否正常,开关K为电源开关。      四运算放大器GL324A(或LM324)及外围元件组成高、低音控制电路及音频输入信号的处理电路,C16、C18分别是两路信号的输入耦合电路,W1是两路低音控制电位器,W2是两路高音控制电位器,C25、C26是输出耦合电容。GL324A的4脚与11脚分别是正、负电源的接线端,3、5脚是接地端。       两路功率放大器用的集成电路是TDA2030A,其1脚为正相输入端,2脚为反相输入端,C3、C6分别为左、右两路的输入端耦合电容,R1、R4、C2构成IC1的负反馈电路,R6、R7、C5构成IC2的负反馈电路,以提升音质。其5脚、3脚分别接正、负电源,4脚为输出端,负载接4Ω的扬声器时,其有效功率可达20W,W3是两路平衡电位器,W4是两路音量电位器。二、焊接与安装      一般先装低矮、耐热的元件,最后装集成电路。应按如下步骤进行焊接与安装:(1)清查元器件的数量及质量,并及时更换不合格的元件;(2)由孔距确定元件的安装方式,电阻器采用卧式安装,涤沦电容器电解电容器采用立式安装,并都要求紧贴电路板。(3)插装IC1、IC2务必小心,脚全部插进后再焊接,并注意与散热器的孔位吻合。各焊点加热时间及用锡量要适当,防止虚焊、假焊及短路,焊后剪去多余引脚,并检查所有焊点,确认无误后方可通电测试。同时还要注意电源变压器初、次级与开关及电路板的接线,不得有误,IC1、IC2用自攻螺丝与散热器相连。三、测试与组装      1、通电测试      全部元器件及插件焊接完后,经过认真仔细检查后方可通电测试,用万用表直流电压档测量正、负电源应是±18V左右,发光二极管D5发光,接上音柱后,手触碰输入端IN1、IN2,应有较强的感应信号,说明电路正常。如没有较强的感应信号,说明功放电路没有工作,需进一步检查IC1、IC2、IC3及周边元器件安装焊接是否正常。2、整机组装
温馨提示:以上内容整理于网络,仅供参考,如果对您有帮助,留下您的阅读感言吧!
相关阅读
本类排行
相关标签
本类推荐

CPU | 内存 | 硬盘 | 显卡 | 显示器 | 主板 | 电源 | 键鼠 | 网站地图

Copyright © 2025-2035 诺佳网 版权所有 备案号:赣ICP备2025066733号
本站资料均来源互联网收集整理,作品版权归作者所有,如果侵犯了您的版权,请跟我们联系。

关注微信