全球最实用的IT互联网站!
人工智能P2P分享搜索全网发布信息网站地图标签大全
在未来几年4K电视仍是市场主流
阅读全文2019-07-04
百度推出一款可看电视的智能音箱
前置放大器、线路放大器和功率放大器各适用什
低频前置放大器的三种耦合方式
功率放大器原理
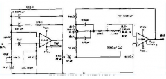
前置放大器的作用及电路图
前置功放与纯后级功放
前置放大器工作原理
前置放大器怎么接?
音王推出智能音视频系统整体解决方案
低成本、易部署、更高效 | 千视全NDI IP剧
音频电路供电没有负压也能正常输出的原
富信推出新款双P沟道增强型场效应管FS
制冷系统和制冷机一样吗 制冷系统和制冷
CPU | 内存 | 硬盘 | 显卡 | 显示器 | 主板 | 电源 | 键鼠 | 网站地图
Copyright © 2025-2035 诺佳网 版权所有 备案号:赣ICP备2025066733号 本站资料均来源互联网收集整理,作品版权归作者所有,如果侵犯了您的版权,请跟我们联系。