时间:2017-01-12 09:41
人气:
作者:admin
可穿戴设备在近年来可谓在健康领域关注度越来越高,从最初的智能手环、计步器到至今的智能手表、运动监测、智能眼镜、心率血氧检测仪、智能助听器等等,可穿戴设备产品的形式已经涵盖了几乎所有可能存在的形式。同时,可穿戴设备的健康监测功能也从起初的计步、血压监测扩展到血糖、心率、脉搏、体重计算、助听器等诸多范畴,众多知名品牌商也纷纷推出了针对可穿戴设备健康监测方向的各种解决方案,积极发挥可穿戴设备在移动医疗方面的作用。
下面小编就来简单为大家扒一扒,现阶段几个比较热门的可穿戴设备在健康监控方面的解决方案。

MMA9553L 原理框图
MMA9553L是飞思卡尔的一款计步传感器,你可能还见到过MMA955xL, 它与MMA9553L是什么关系呢?简单的来说MMA955xL是一个统称,它包括MMA9550L、MMA9551L、MMA9553L和MMA9559L这几个具体型号,其实这四种传感器在硬件上都是一样的。其内部主要由ColdFire 内核、模拟前端、Flash、IIC和SPI接口等部分组成。
它们的不同之处在于内部的Firmware不同,Firmware在芯片出厂时就已经固化在芯片里面了,不同的Firmware对于不同的功能。这里介绍的MMA9553L主要就用作计步器功能。

客户经常会问MMA9553和MMA9555的区别,从上图可以看出MMA9555相比较MMA9553多了 Six-Direction 检测和GPIO Input/Output 功能。其他的功能都是相同的。
MMA9553L和MCU之间可以通过IIC接口或者SPI接口通讯,所以使用MMA9553L的首要前提是把MCU的IIC或者SPI调通。接口调通之后就可以来操作此传感器了。
德州仪器(TI)以基于MSP430单片机为核心的,通过葡萄糖氧化酶电极为测试传感器设计一种便携式可穿戴血糖仪。
方案分为三个部分,首先是血糖测量电路,当在酶电极两端滴入血液后,会产生自由电子。由于电极两端存在激励电压,就会有定向电流流过电极。而激励电压采用ADC模块,A/D转换模块测量的是电压,所以需要将该定向电流转换成电压,并且进行一定的放大。

其次是温度检测电路,由于血糖测试是利用生物电化学反应,而影响该反应的重要因素是温度。在不同的温度下,葡萄糖氧化酶的活性不同。即使是相同血糖浓度的血液,采用相同的激励电压,在不同温度下,由葡萄糖氧化酶氧化产生的电流大小也不同。所以需要根据温度进行补偿以获得正确的血糖浓度值。当温度过高或过低时,葡萄糖氧化酶就会完全失去活性,此时血糖仪需要给出报警,提示用户仪表不能在该温度下进行操作,避免得出错误的检测值。
具体的温度测试电路如下所示:

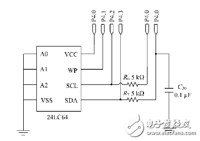
最后是数据存储电路,本系统最多能够存储1000个历史数据,每个历史数据需要8B来保存,数据包含血糖值浓度及测试日期这两个信息,这样就需要8000B的存储空间。 24LC64是微芯公司出产的一片E2 PROM芯片,能够存储8KB,因此选取一块24LC64芯片即足够。

德州仪器这款血糖检测仪器从低功耗和高精度出发,以MSP430系列为核心设计,能够较快的实现血糖浓度测量,非常方便用户读取测量数据。
2015年6月,Nordic推出了其新一代的nRF52系列的超低功耗无线解决方案的首款产品nRF52832,并重新定义了单芯片蓝牙产品。
nRF52832带有类别首个64MHz ARM® Cortex®-M4F处理器、512kB 闪存和64kB RAM、同级最佳超高性能、超低功耗多协议蓝牙智能、ANT™、具有-96dB RX灵敏度的专有2.4GHz无线电、5.5mA 峰值RX/TX电流,以及一个片上RF平衡/不平衡转换器(RF Balun)。独特的全自动功率管理系统还可让设计人员轻易实现最佳功耗。nRF52832采用先进的55nm工艺,包括6 x 6mm QFN和微型 3.0 x 3.2mm CSP封装选项。
nRF52832较之nRF51系列,功耗的降低和性能的提升是最大的亮点,nRF51系列的功耗约为8.3mA到10mA,而nRF52832的峰值功耗也才5.5mA。
Nordic的nRF52832 SoC具有最佳低功耗蓝牙性能,以及较大的内存和存储空间,非常适合下一代手环平台,并且这款SoC强大自带的硬件浮点运算单元有助于动态心率和运动识别运算准确性的提高,同时,其超低功耗帮助达到更长的待机时间。

方案描述
该参考设计适用于采用 TI 信号链、电源和连接组件的全套体重秤终端设备(带身体成分功能)。借助 TI 的 AFE4300 体重秤/身体成分 AFE,可以加速体重秤的设计过程或快速地将身体成分测量功能添加至现有平台。该参考设计还包含全套 BLE 连接设计,可轻松连接到已启用 BLE 的智能手机、平板电脑等设备
功能及特性
1、采用 AFE4300 同时进行生物阻抗身体成分测量和体重测量
2、MSP430F5528 微控制器用于保留校准数据并计算重量、TBW、ECW 以及身体成分分析
3、采用 TI CC2541 的 BLE 模块连接
4、该设计已经过测试,并提供完成设计所需的一切材料(包括原理图、布局和 Gerber 文件以及 BOM)。
现如今,可穿戴设备市场前景非常广阔,并且或者能够从根本上给移动医疗领域带来改善人类健康状况的最新前沿技术。可穿戴尤其是医疗领域在近几年备受消费者们的青睐,而各大科技巨头更是通过收购或融资、发布相应符合市场需求的健康医疗可穿戴设备,积极布局可穿戴医疗领域,不断扩大移动医疗市场份额,为推动医疗电子事业的发展做出不可磨灭的贡献。
1TOPS算力+6nm工艺,功耗再降30%!BES6000即将