时间:2023-09-11 10:04
人气:
作者:admin
由于时钟的实用性和在人们生活中的重要性,钟表原先的报时功能已经原不能满足人们日益增长的要求,现代的电子时钟多带有类似自动报警、按时自动打铃、时间程序自动控制、定时广播、采用LCD显示时间等功能,直观实用,而且可以方便的校调,本文推荐使用4COM段式LCD驱动器CN90C4S40芯片用于家用闹钟。
CN90C4S40是一款通用型液晶控制和驱动单芯片,具有4COM和36SeG,适用于常用低占空比的字符/图形式液晶屏;其具有兼容多数微机系统的双向二线式串行总线通讯接口。
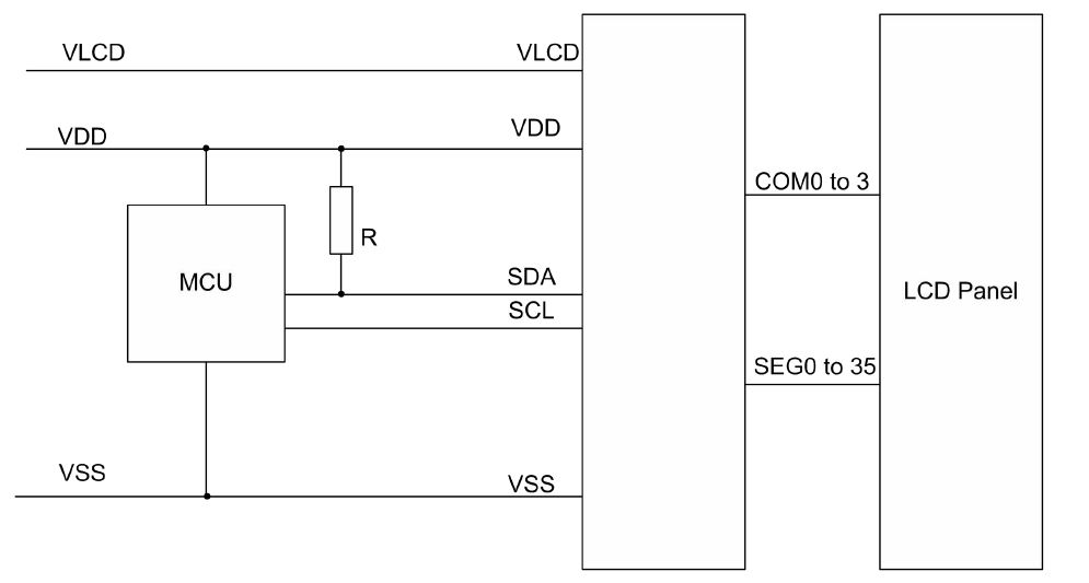
CN90C4S40典型应用框图:

CN90C4S40应用特征及参数:
•固定的 1/4 占空比模式,最多144 点;
•超低低功耗设计,典型带屏情况下,最低工作电流可低至6uA
•内置OSC电路;内部LCD对比度控制电路;
•集成上电复位电路,无需外部组件;
•接口:2线串口;
•与TTL/CMOS兼容;
•高EMC抗扰度;
CN90C4S40典型应用:
1、电表、汽车仪表或其他以电池供电的仪表
2、玩具学习机
3、手持仪表或其他低功耗便携仪表等
注:如涉及作品版权问题,请联系删除。