时间:2023-08-17 11:06
人气:
作者:admin
恒流驱动芯片是LED显示屏里重要的一部分,它的选型直接影响显示效果。目前常用的驱动芯片按其架构不同可分为通用芯片、双缓存、PWM三大类。这三类IC的具体工作原理是什么 ?区别又是什么呢?这篇文章一一聊聊。
先说几个概念:
①刷新:指的是一秒钟图像出现的次数,具体到单灯就是一秒钟内亮灭了多少次。刷新高拍照效果好,但一次刷新也是一次灯珠的开关,灯珠的开关次数是会影响其寿命的。所以刷新够用就好,并不是越高越好。
②帧频:指的是一秒钟内出现了多少副图像,由于人眼的视觉暂留特性,只要一秒钟内画面变化大于24HZ,就不会感到停顿,我们目前使用的是60HZ帧频。
③灰阶:指的是屏体从黑到最亮能够分成的亮度等级。比如一个显示屏的亮度是16384cd/㎡,灰阶是14Bit(214即16384级)。它是将16384的亮度分成16384级,每一级的亮度是1cd/㎡。灰阶越高,每一级对应的亮度越低,显示效果细腻。
现分别以MBI5024、ICND2038S、MBI5153为代表,介绍一下通用、双缓存、PWM三大类驱动芯片的具体工作原理和区别。
一:通用芯片(MBI5024)



如图所示,16位数据信号SDI在时钟的作用下从低到高,被一一送到16位位移缓存器中(串入);16位数据存满后会自动同时进入16位输出栓锁器中;通过锁存信号LE控制,同时输出到16位驱动器中;最后通过OE控制其输出(并出)。
常规芯片的灰度是通过把一帧的显示脉冲信号均分,从而控制灯珠点亮时间获得。如下图是一个均分成16Bit的显示信号脉冲波形图,灰度等级越高脉冲越宽,对应灯珠点亮的时间越久。

结合原理框图,我们可以建立一个刷新和时钟的关系式。CLK=芯片通道数*扫描数*刷新频率*一组数据芯片个数*换帧频率(芯片通道数*扫描数*一组数据芯片个数,就是一组数据带点数)。
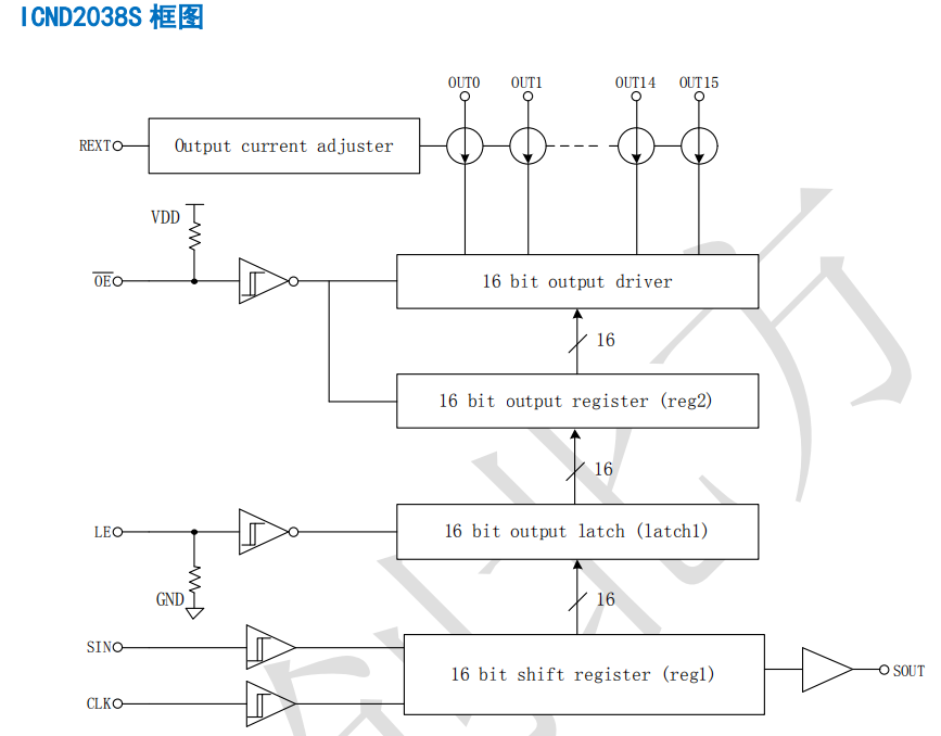
二:双缓存(ICND2038S)



二:PWM(MBI5153)


如上图可以看出,其工作方式和通用IC及双缓存IC有很大不一样了。数据通过数据时钟DCLK的作用传入到16位寄存器,存满后自动进入SRAM,SRAM会将一帧时间内的所有数据先存储起来。然后通过灰度时钟GCLK配合comparators(算法电路)控制其输出脉宽得到具体的灰度值,直接将灰度值以16位的数据形式给到Output Buffers(输出缓冲器)输出。(通用IC的灰度可以理解为灯珠N次亮灭得到的,这里是直接输出灰度值)。

知道了PWM芯片的工作原理后,我们可以建立以下关系式:
①:DCLK=灰阶数据数*通道数*扫描数*帧频*一组数据芯片个数;跟通用IC不一样的是这里多了一个灰阶数据数,从框图中可以看出输出灰阶为16的数据,所以式中灰阶数据数为16。
②:GCLK=灰阶*扫描数*帧频;一个GCLK脉宽就是一级灰阶,N个GCLK脉宽叠加就是N级灰阶。
PWM芯片不能直接将DCLK或GCLK视为通用芯片的CLK来建立与刷新关系式。PWM芯片的刷新是由灰阶决定的,它是先有灰阶再有刷新。
③:刷新=(灰阶÷打散方式)*帧频;这里的打散方式是聚积PWM芯片一种提高刷新的手段,不同PWM芯片有不同的打散方式,同一种PWM芯片在不同倍率下也有不同的打散方式。下图是MBI5153的打散方式:

以一个灰度14Bit,32扫的显示屏不开倍频为例:带入以上关系式可得需要的GCLK约为31MHZ,能够得到的刷新为1920HZ(本文以上所有关系式均未考虑消影所需的时钟)。
LED芯片是LED产品的心脏,主要功能就是把电能转化成光能,在使用过程中,led显示屏芯片也会出现各种各样的问题,现在就让我们一起看看LED芯片常规会出现那六大问题吧!
01
正向电压降低、暗光
(1)一种是电极与发光材料为欧姆接触,但接触电阻大,主要由材料衬底低浓度或电极缺损所致。
(2)一种是电极与材料为非欧姆接触,主要发生在芯片电极制备过程中蒸发第一层电极时的挤压印或夹印,分布位置。
另外封装过程中也可能造成正向压降低,主要原因有银胶固化不充分,支架或芯片电极沾污等造成接触电阻大或接触电阻不稳定。
正向压降低的芯片在固定电压测试时,通过芯片的电流小,从而表现暗点,还有一种暗光现象是芯片本身发光效率低,正向压降正常。
02
难压焊
(1)打不粘:主要因为电极表面氧化或有胶
(2)有与发光材料接触不牢和加厚焊线层不牢,其中以加厚层脱落为主。
(3)打穿电极:通常与芯片材料有关,材料脆且强度不高的材料易打穿电极,一般GAALAS材料(如高红,红外芯片)较GAP材料易打穿电极。
(4)压焊调试应从焊接温度,超声波功率,超声时间,压力,金球大小,支架定位等进行调整。
03
发光颜色差异
(1)同一张芯片发光颜色有明显差异主要是因为外延片材料问题,ALGAINP四元素材料采用量子结构很薄,生长是很难保证各区域组分一致。(组分决定禁带宽度,禁带宽度决定波长)。
(2)GAP黄绿芯片,发光波长不会有很大偏差,但是由于人眼对这个波段颜色敏感,很容易查出偏黄,偏绿。由于波长是外延片材料决定的,区域越小,出现颜色偏差概念越小,故在M/T作业中有邻近选取法。
(3)GAP红色芯片有的发光颜色是偏橙黄色,这是由于其发光机理为间接跃进。受杂质浓度影响,电流密度加大时,易产生杂质能级偏移和发光饱和,发光是开始变为橙黄色。
04
闸流体效应
(1)是发光二极管在正常电压下无法导通,当电压加高到一定程度,电流产生突变。
(2)产生闸流体现象原因是发光材料外延片生长时出现了反向夹层,有此现象的LED在IF=20MA时测试的正向压降有隐藏性,在使用过程是出于两极电压不够大,表现为不亮,可用测试信息仪器从晶体管图示仪测试曲线,也可以通过小电流IF=10UA下的正向压降来发现,小电流下的正向压降明显偏大,则可能是该问题所致。
05
反向漏电流IR
在限定条件下反向漏电流为二极管的基本特性,按LED以前的常规规定,指反向电压在5V时的反向漏电流。随着发光二极管性能的提高,反向漏电流会越来越小。IR越小越好,产生原因为电子的不规则移动。
(1)芯片本身品质问题原因,可能晶片本身切割异常所导致。
(2)银胶点的太多,严重时会导致短路。外延造成的反向漏电主要由PN结内部结构缺陷所致,芯片制作过程中侧面腐蚀不够或有银胶丝沾附在测面,严禁用有机溶液调配银胶。以防止银胶通过毛细现象爬到结区。
(3)静电击伤。外延材料,芯片制作,器件封装,测试一般5V下反向漏电流为10UA,也可以固定反向电流下测试反向电压。不同类型的LED反向特性相差大:普绿,普黄芯片反向击穿可达到一百多伏,而普红芯片则在十几二十伏之间。
(4)焊线压力控制不当,造成晶片内崩导致IR升高。
解决方案
(1)银胶胶量需控制在晶片高度的1/3~1/2;
(2)人体及机台静电量需控制在50V以下;
(3)焊线第一点的压力应控制在30~45g之间为佳。
06
死灯现象
(1)LED的漏电流过大造成PN结失效,使LED灯点不亮,这种情况一般不会影响其他的LED灯的工作。
(2)LED灯的内部连接引线断开,造成LED无电流通过而产生死灯,这种情况会影响其他的LED灯的正常工作,原因是由于LED灯工作电压低(红黄橙LED工作电压1.8v-2.2v,蓝绿白LED工作电压2.8-3.2v),一般都要用串、并联来联接,来适应不同的工作电压,串联的LED灯越多影响越大,只要其中有一个LED灯内部连线开路,将造成该串联电路的整串LED灯不亮,可见这种情况比第一种情况要严重的多。
编辑:黄飞
上一篇:小间距led屏会议室有哪些优势呢
下一篇:一文让您了解LED光源的发展