时间:2012-07-05 11:28
人气:
作者:admin
摘要: 针对LED 显示屏应用中存在的问题,给出了一种低成本、内容更新便捷的点阵LED 文字显示屏的方案。系统采用C8051F410作为MCU,利用蓝牙模块接收手机蓝牙传输的数据,并将数据通过单片机控制字库芯片进行字符集的转换、点阵代码的提取,进而由单片机控制点阵屏更新显示数据。经实际使用,控制稳定、方便。
0 引言
本文设计一种内容更新便捷、可扩展、低价格的点阵LED 文字显示屏。降低成本的途径是①用几乎人人都有的手机的蓝牙数据传输功能进行LED 显示内容的更新,免去专业上位机软件和控制卡的成本,操作也更简单;②单次显示内容在5 ~ 30 个汉字或英文字母,因为显示内容较少,就可实现扩展电路的简单化。
1 系统设计方案
1. 1 系统组成
系统由带蓝牙功能的智能手机和LED 显示屏组成。其中,LED 显示屏由单片机、LED 点阵模块、字库芯片、蓝牙接收模块、5V 开关电源和3.3V 稳压电路组成,如图1 所示。系统工作过程是: 用户通过智能手机的记事本编辑“数据”,并经无线蓝牙发送到显示屏上的蓝牙接收模块。主控单片机读取蓝牙接收模块接收的“数据”并进行处理。“数据”由“控制命令”和“显示内容”构成,两部分数据用自定义特征符分隔开。“控制命令”用于对显示屏的亮度、显示内容移动速度和移动方向进行设置; 而单片机根据收到的“显示内容”的字符代码在字库芯片中找到相应的32 字节显示代码送点阵屏显示。
图1 系统组成
1. 2 LED 点阵屏工作原理
LED 点阵显示屏可按显示需要由若干块每块LED 单元板拼接而成。通用LED 单元板由2 位16 × 16 点阵LED 构成,尺寸为160* 320mm2.单元板的工作原理如下。
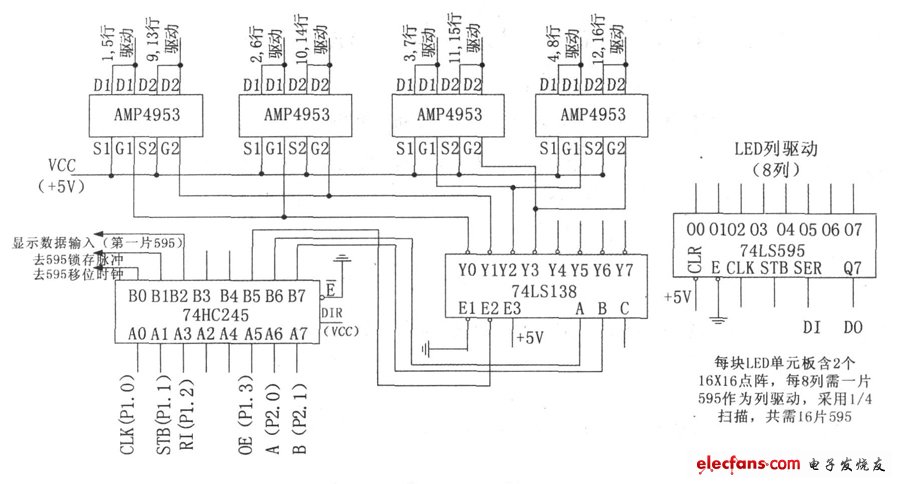
每板有16 行32 列,数据的显示采用传统的行列式扫描方式。通常为了减小闪烁,提高扫描速度,采用1 /4 扫描,即把16 行分为4 个4 行,每次同时选通4 个4 行中的同序对应行,这样扫描4 次即可完成16 行的扫描显示。其中列控制由74HC595承担,每块单元板上有16 片,每片分别控制4 行8 列的点阵小单元。行控制是由1 片译码器74LS138 承担,每次使单元板的4 个4 行的同序对应行选通。为了保证正常的电流驱动( 亮度) ,74LS138 的输出经AMP4593 驱动放大。每块单元板有4 片,每片分别驱动4 行。16 片74HC595 接成级联方式,由于每4 行32 列需4 片74HC595, 16 行32 列就是16 片。设第一个4 行的4 片74HC595 序号为1、2、3、4,第二个4 行的4 片74HC595 序号为5、6、7、8,依次类推。每一片的数据输出端接到下一片的输入端,数据从第1 片的输入端串行输入,在移位脉冲的作用下一位一位依序移入,经过8 × 16 个脉冲,最先移入的数据位移到了第16 片的最低位( 也是该片的输出端) ,所有数据都移入后,就可显示一板完整的内容,按此规律即可进行显示的软件设计。如果显示的字数多,拼接的LED 单元板就多,显示一屏完整内容所需的移位脉冲就多。这种显示方式要求主控单片机有较高的指令执行速度,否则就会有闪烁感。点阵单元板原理图如图2 所示。

图2 点阵单元板原理图
2 系统主要模块的选择和电路设计
2. 1 主控芯片
2. 1. 1 芯片选择
为了满足LED 显示屏的显示及多板的扩展,要求系统主控单片机有较快的运行速度; 较大的存储空间用于存储显示数据,因此选用美国silicon 公司的C8051F410.该芯片是一款高性能产品,FTQP - 32 封装( 9mm* 9mm) 大大减小了体积; 由于采用了精简指令结构,使得每个机器周期仅需一个时钟周期,运算速度快大大加快,如果使用片内24. 5MHz 的内部时钟,其运行速度大约是普通8051 单片机工作在12MHz 时钟时的24 倍; 芯片内部资源丰富,自带看门狗,通过JTAG 接口连接调试器,可方便硬件在线调试; 芯片内含UART、SPI、I2C 等通信接口,方便与外围芯片连接; 4 个定时器/计数器使编程更方便; 自带的16K/32KFLASH,可存储大约1K 个汉字。