全球最实用的IT互联网信息网站!

AI人工智能P2P分享&下载搜索网页发布信息网站地图

当前位置:诺佳网 > 电子/半导体 > 光电显示 >

DMX512 LED灯光控制器的设计与开发

时间:2011-05-30 09:32

人气:

作者:admin

标签: 灯光控制  LED  DMX512 

导读:DMX512 LED灯光控制器的设计与开发- 近几年来,作为半导体照明领域的一部分,城市景观照明及室内外装饰照明的霓虹灯和部分传统光源必将逐步被具有节能、环保、寿命长、可靠性高及...

1 概述

  近几年来,作为半导体照明领域的一部分,城市景观照明及室内外装饰照明的霓虹灯和部分传统光源必将逐步被具有节能、环保、寿命长、可靠性高及可实现全彩变化的LED光源所取代。目前,在装饰照明领域中用LED制作的各类灯具正被逐步推广。

  DMX灯光控制器是广泛应用于LED灯光系统的控制设备,可以根据用户的需要实现不同的显示方案,实现令人眩目的色彩方案。本控制器采用DMX512协议进行通讯。

  2 背景知识

  本控制器采用DMX512协议进行通讯。下列知识必须具备:

  1) DMX512协议,请参考文章《DMX512协议》。

  2) PIC18单片机硬件开发技术。

  3) PCB电子电路设计技术。

  4) C语言

  3 DMX灯光控制系统介绍

  如图1为一典型的DMX灯光控制系统,PC主机通过灯光控制系统进行显示方案的设定并通过DMX控台输出给DMX控制系统。图中绿色部分为本文介绍内容,系统中的其他节点将在其他文章中进行介绍说明。

 

图 1DMX灯光控制系统


  4 硬件实现

  系统硬件框图如图 2系统硬件框图:
 

 

图 2系统硬件框图 


  4 .1CPU模块功能描述

  CPU模块是系统的主要部分,由CPU控制完成系统的全部功能,本系统采用PIC18F4431单片机作为控制器。外围电路由10M晶振提供时钟,同时作兼容设计,可由时钟芯片MAX7381直接提供时钟输入。电路如图 3外围时钟电路所示。
 

 

 图 3外围时钟电路


  4 .2 RGBW模块

  本模块由CPU的PWM模块控制,实现对LED RGB全彩灯的控制,以实现不同的色彩显示方案。

  本模块电路结构简单,对应的RGBW四路输出分别接在了CPU的四个PWM输出I/O管脚,由PWM模块输出相应的脉冲波形,以控制4个MOS管的打开和关断,从而得到不同的色彩方案。

  4 .3 按键模块

  用于用户进行相关参数的设置,在当前版本中没有使用到本功能。每个按键通过上拉电阻上拉后直接接到CPU的I/O管脚即可。

  4 .4 无线接收模块

  本模块用于接收来自配套的无线遥控器的控制信号,以方便用户进行相关参数的设定和测试。

  本模块使用了***KEYMARK公司专用的无线收发套装芯片,该模块采用曼彻思特编码。本系统中为接收芯片,该芯片接口简单,只需要一个I/O即可实现信号的接收,并由软件来完成信号的处理。

  4 .5 RS-485模块

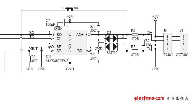
  RS-485接收模块用于实现DMX512协议,DMX512协议使用的物理层接口即为RS-485接口。

  本模块使用了通用485接口芯片MAX487用于实现RS-485接口与单片机的UART串口的电平转换。接口电路如图 4MAX487外围电路。
 

 

 图 4MAX487外围电路


  4 .6电源模块

  本系统控制不但要为控制器内部供电,还要为外部RGB灯条供电,因此必须使用大功率电源,电源电压可支持多种规格的电源,48V,24V,12V等,并支持电压检测和过流检测。电源模块输入为AC 220V/50-60HZ。模块内部需提供5V和3V电源。5V使用HVLM2594转换得到,3V使用AS1117由5V转换得到,用于给无线模块供电。

  5 软件实现

  本系统采用PIC18单片机,编译器为PICC18 8.35PL2,C语言编程。系统软件框图如图 5系统软件框图。
 

 

图 5系统软件框图 


  其中:

  1)无线接收模块由外部中断函数实现,实现曼彻斯特解码。

  2)电压检测由A/D转换实现,用于检测供电电压,如果供电电压过低或过高则进入相应保护。

  3)DMX数据接收由串口中断实现,由软件实现DMX512协议,检测到DMX512数据帧后,将数据放入缓存,并置相应标志位。

  4)RGB输出由定时中断函数控制,定时时间到,置相应标志位,根据当前RGB缓存数据刷新RGB输出。

  6 综述

  DMX512灯光控制器目前在LED控制领域得到了已经了广泛应用,技术相当成熟,可靠性高,基于本文开发的控制系统目前已经实现产品化,产品已经在市场得到广泛应用。

  随着技术的发展,基于网络和无线技术的DMX控制系统会逐步得到更广泛的应用,但是由于带宽和实时性等的限制,得到推广仍需要时间,传统的DMX控制器仍会得到大量应用。

 

温馨提示:以上内容整理于网络,仅供参考,如果对您有帮助,留下您的阅读感言吧!
相关阅读
本类排行
相关标签
本类推荐

CPU | 内存 | 硬盘 | 显卡 | 显示器 | 主板 | 电源 | 键鼠 | 网站地图

Copyright © 2025-2035 诺佳网 版权所有 备案号:赣ICP备2025066733号
本站资料均来源互联网收集整理,作品版权归作者所有,如果侵犯了您的版权,请跟我们联系。

关注微信