时间:2011-08-10 10:42
人气:
作者:admin
摘 要: PLC810PG是一种带集成半桥驱动器的PFC与LLC组合离线控制器。基于PLC810PG的150W LED路灯电源,功率因数PF≥0. 97,系统效率ηtotal ≥92% ,符合IEC61000 - 3 - 2中对谐波电流的规定限制。
LED路灯技术主要有两大部分:一个是离线(off2line) LED驱动电源技术;另一个是LED 路灯模块及其散热和灯具技术。LED路灯电源大多采用开关型电源( SMPS)拓扑结构。由于LED路灯功率通常达150 W 以上,不宜再沿用单开关反激式电路,而必须采用支持相应功率的电路拓扑,例如半桥LLC谐振拓扑结构。
由于用来取代高压钠灯等传统光源用于道路照明的LED路灯功率往往远超过75 W,因此要求LED路灯电源AC输入电流谐波含量必须符合IEC610002322等标准规定限制。为此, LED路灯电源必须采用功率因数校正( PFC) 。
1 半桥LLC谐振拓扑结构
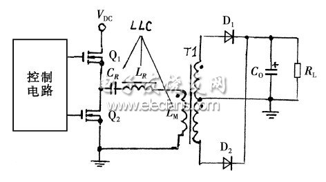
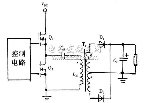
半桥双电感加单电容(LLC)谐振转换器基本结构如图1 所示。在图1 中, Q1 和Q2 是半桥开关(MOSFET) , CR , LR 和变压器T1初级绕组线圈LM 组成LLC谐振电感器LR ,将其结合进变压器初级之中,如图2所示。对于图2所示的电路拓扑,仍称作LLC谐振结构,而不称其为LC谐振拓扑。

图1 半桥LCC谐振转换器基本结构
LLC谐振电路拓扑能提供较大的输出功率,保证半桥MOSFET的零电压开关(ZVS) ,具有高效率。

图2 将LLC谐振电感器并入到变压器初级
2 PFC/LLC控制器PLC810PG
PLC810PG是美国Power Integrations ( P I)公司推出的一种新型控制IC。这种控制IC采用24引脚窄体塑料无铅封装,引脚配置如图3所示。

图3 PLC810PG引脚排列
PLC810PG芯片集成了连续电流模式(CCM) PFC控制器和PFC开关(MOSFET)驱动器、半桥LLC谐振控制器及半桥高、低端MOSFET驱动器,如图4所示。

图4 PLC810PG功能框图
上一篇:高压LED的优缺点探讨
下一篇:一种大功率LED驱动电源设计方案