时间:2011-01-01 13:30
人气:
作者:admin
无影灯是用来照明外科手术部位不可缺少的重要设备, 要求能以最佳地观察处于切口和体腔中不同深度、大小、对比度低的物体。因此, 除需要“ 无影” 以外,还需要光照度均匀、光质好, 能够很好地区分血液与人体其他组织、脏器的色差。此外, 无影灯还须能长时间地持续工作, 而不散发出过量的热, 因为过热会使手术者不适, 也会使处在外科手术区域中的组织干燥。
目前手术灯一般都采用环形节能灯或卤素灯, 但随着发光二极管LED 技术的不断发展, 特别是高亮度白光LED 的发展,LED 无影灯彻底解决了环形节能灯自身存在的先天缺陷, 是环形节能灯的升级换代产品。目前,LED无影灯的优越性逐渐被显微镜使用者所了解和接受, 使用成本亦较环形节能灯低, 减少了每1~2 个月就需更换环形灯管的麻烦。
目前, 在技术上已成功解决了大功率LED 的封装、恒流驱动、散热以及照度控制等问题, 可实现无影灯照度的多级调控,调光灵活、方便。LED无影灯的优点有:
(1) 出色的冷光效果: 采用新型的LED 冷光源作为手术照明, 是真正冷光源, 医生头部和伤口区域几乎无温升。
(2) 光质好: 白光LED 具有区别于普通手术用无影灯光源的色品特点, 可以增加血液与人体其他组织、脏器的色差, 使得手术中医生的视觉更加清晰, 在流淌、渗透的血液中人体的各个组织、脏器更容易被区分出来,这是普通手术用无影灯所不具备的。
(3) 亮度无级调节: 采用数字方式无级调控LED 的亮度, 操作者可根据自身对亮度的适应性随意调节亮度, 使其达到最为理想的舒适度, 使长时间工作的眼睛不易产生疲劳感。
(4) 无频闪: 因为LED 无影灯为纯直流供电, 无频闪, 不易使眼睛产生疲劳感, 亦不会对工作区域的其他设备产生谐波干扰。
(5) 光照度均匀: 采用特殊的光学系统,360°均匀照射在被观察物体上, 无虚影产生, 清晰度高。
(6) 寿命长:LED 无影灯平均寿命长(35 000 h), 远大于环形节能灯(1 500~2 500 h) , 寿命为节能灯的十倍以上。
(7) 节能环保:LED 具有较高的发光效率, 耐冲击,不易破碎、无汞污染, 且其发出的光不含红外和紫外成分的辐射污染。
1 系统结构
1.1 总体结构
由于单个LED 的发光效率不能满足手术无影灯的光照强度和均匀性的要求, 因此需要用多个LED 组成阵列, 并要求排列合理, 分布均匀, 使得每个目标平面的光照度符合要求, 以此来决定LED 的数量以及分布规则。
虽然LED 的发光效率高, 产生的热量少, 但是如此多的LED 在一个密封的箱体内, 还是会产生大量的热量, 温度甚至会高达60℃~80℃, 所以必须合理设计散热器以及散热通道, 以有效地降低系统热阻。
LED 手术无影灯由多个灯头组成, 成花瓣状, 固定在平衡臂悬挂系统上, 定位稳定, 能做垂直或循环移动,可满足手术中不同高度和角度的需求。整个无影灯有144 个高亮度白色LED,8 个串联成一组, 即称为高亮度发光二极管串HBLEDs(High Brightness Lighting EmittingDiode) , 以18 组并联而成。每组相互独立, 若有一组损坏, 其他照样能够继续工作, 所以对手术的影响较小。每组由一个LM3402 单独进行恒流驱动, 并根据用户需要,接受一个微处理器(CMU)P89LPC932 的PWM 脉宽调节控制, 可无级调节, 流过每个LED 的电流约为120 ~320 mA。LED 无影灯电气原理图如图1 所示。

图1 LED 无影灯电气原理图。
1.2 操作面板
操作面板上有4 个按钮( 环境照明、关闭、调亮和调暗按钮)和8 个LED 指示灯。按下环境照明按钮, 表示只需腔镜环境照明, 只留下其中一路的3 个LED 用于照明, 而关闭其余LED 发光二极管串; 按下关闭按钮, 将熄灭所有8 路LED 发光二极管串, 再次按下此按钮, 则可以回到原照度显示状态, 掉电或重启也可回到设定照度状态; 调亮和调暗按钮用于改变无影灯的照度, 对应8 个指示灯, 指示8 挡亮度, 从左到右每增加一挡就增加一个指示LED 点亮, 无影灯处于关灯状态时, 最右边2 个指示LED 点亮。所有操作信息均是通过RS485 总线传输给驱动板MCU。
1.3 驱动板
驱动板是整个无影灯控制器的核心, 主要由一个MCU P89LPC932 和18 路LM2402 恒流稳压电路组成,还包含RS485 通信电路。
P89LPC932 是由飞利浦公司生产的低功耗的MCU,电源电压3.3 V, 可低功耗运行, 适合于许多要求高集成度、低成本的场合, 可以满足多方面的性能要求。
P89LPC932 采用了高性能的处理器结构, 指令执行时间只需2~4 个时钟周期,6 倍于标准80C51 器件。此外,P89LPC932 还集成了许多系统级的功能, 这样可大大减少元件的数目、电路板面积以及系统的成本, 内部有2个定时器, 可作为一个具有256 个定时器时钟周期的PWM 发生器使用。
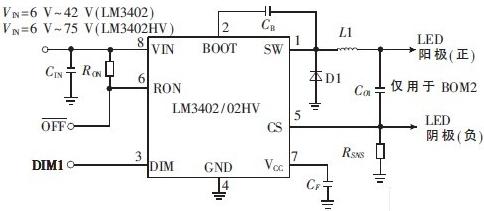
LM3402 是一款由可控电流源衍生的降压型稳压器, 可驱动串联的大功率、高亮度发光二极管串, 可以接受范围在6 V~42 V 的输入电压。当使用引脚兼容的LM3402HV 时, 输入电压的上限可达到75 V。根据手术对照度的需要, 对转换器的输出电压进行调节, 可以维持通过LED 阵列的恒定电流水平。图2 为LM3402 的典型应用电路示意图, 其中RSNS为电流设定电阻, 平均电流IF≈0.2/RSNS,RON取值与发光二极管串中的LED 数量有关,8 个LED 时可取值300 kΩ。经检测, 恒流标称值为250 mA 时(RSNS=0.8 Ω), 电流波动在±20 mA 以内, 完全能够满足手术光感要求。

图2 LM3402 的典型应用电路。
1.4 安全措施
考虑到医用仪器安全要求的特殊性, 系统的每一个环节都应该考虑采取相应安全措施。首先, 手术室是一个具有强电磁干扰的环境, 防止MCU 死机十分重要, 因此必须采取如下措施:(1) 必须认真处理硬件复位电路设计和内部复位程序;(2) 必须排除错误干扰信号, 所以整个系统采用了完全电气隔离, 以阻止电路各部分的相互影响。此外还采用了Modbus 冗余校验法; (3) 高亮度白色LED 的价格较高, 为避免损坏, 必须排除电网和电源损坏对系统的影响, 故本文采用了过压和过流自动保护电路, 当电压或电流超过设定值的20%时, 系统自动切断电源, 以保证系统电路和高亮度LED 的安全。
2 程序设计
2.1 程序结构
程序主要包含面板控制器和驱动板两个独立程序。
面板控制器程序根据4 个按钮的输入状态, 向驱动板发送开关或照度调节命令, 并将命令状态在8 个LED 上显示出来。驱动板程序初始化以后, 主要通过串行口接收中断接收操作信息, 进行Modbus 数据冗余校验后, 根据命令指示, 发出不同的PWM 信号。驱动板程序流程框图如图3 所示。

图3 驱动板的程序结构框图。
2.2 PWM 发生
高亮度发光二极管串的电流主要通过对LM3402 的DIM 端口进行PWM 调节,实际电流占设定电流值的比例取决于PWM 的占空比(duty cycle)。P89LPC932 内部定时器T0/T1 的PWM 输出与计数输入和定时器触发输出占用相同的管脚, 发生定时器溢出时自动触发端口输出。
此功能通过AUXR1 寄存器中的控制位ENT0 和ENT1分别使能定时器0 和1。该模式打开时, 在首次定时器溢出前端口的输出为逻辑1。为了使该模式生效, 必须清零C/T 位以选择PCLK 作为定时器的时钟源。定时器初始化设置参考程序如下:
void Timer1_init(void)
{
TMOD|=0x20 ; //定时器工作于方式6
*OD|=0x10 ;
TH1=256-n ; //n 为占空比
AUXR1|=0x20 ; // 定时器使能
TR1=1 ; // 启动定时器
}
其中占空比duty cycle=256-TH1, 定时器1 的溢出将使P1.2 或P0.7 端口发生翻转, 因此输出频率为定时器1溢出速率的1/2。
2.3 节能模式
能耗控制在整个无影灯控制系统中具有十分重要的意义。在多数时间,HBLEDs 处于熄灭状态, 控制系统处于待机状态, 将功耗降低到最低。将电源控制寄存器PCONA 设置为0xFF 时, 外部功能模块掉电; 将电源控制寄存器PCON 设置为03H 时, 可将MCU 处于完全掉电状态, 只有在中断触发的时候, 才能唤醒, 随即给外部功能模块上电,MCU 开始工作。驱动板上的MCU 由串行口接收中断唤醒, 面板上的MCU 通过键盘中断唤醒, 键盘中断参考程序如下:
void KEY_ISR( ) interrupt 7
{
key_push=1 ; // 有键按下标志
PCONA=0x00 ; //外部功能模块上电
KBCON=0x00 ; //清除键盘中断标志
}
中国每年无影灯的市场需求量在2 万台以上, 同时因低碳经济发展的需求, 需要进行节能改造, 所以LED无影灯的市场推广前景十分广阔。
上一篇:解读LED显示屏各类色度处理技术