时间:2010-07-15 15:35
人气:
作者:admin
The MAX16826 high-brightness LED (HB LED) driver is designed for backlighting automotive LCD displays and other display applications such as industrial or desktop monitors and LCD televisions. The MAX16826 integrates a switching regulator controller, a 4-channel linear current sink driver, an analog-to-digital converter (ADC), and an I2C interface. The IC is designed to withstand automotive load dump transients up to 40V and can operate under cold crank conditions.
The MAX16826 contains a current-mode PWM switching regulator controller that regulates the output voltage to the LED array. The switching regulator section is configurable as a boost or SEPIC converter and its switching frequency is programmable from 100kHz to 1MHz.
The MAX16826 includes 4 channels of programmable, fault-protected, constant-current sink driver controllers that are able to drive all white, RGB, or RGB plus amber LED configurations. LED dimming control for each channel is implemented by direct PWM signals for each of the four linear current sinks. An internal ADC measures the drain voltage of the external driver transistors and the output of the switching regulator. These measurements are then made available through the I2C interface to an external microcontroller (μC) to enable output voltage optimization and fault monitoring of the LEDs.
The amplitude of the LED current in each linear currentsink channel and the switch-mode regulator output voltage is programmed using the I2C interface. Additional features include: cycle-by-cycle current limit, shorted LED string protection, and overtemperature protection.
The MAX16826 is available in a thermally enhanced, 5mm x 5mm, 32-pin thin QFN package and is specified over the automotive -40°C to +125°C temperature range.
MAX16826主要特性:
_ External MOSFETs Allow Wide-Range LED Current with Multiple LEDs per String
_ Individual PWM Dimming Inputs per String
_ Very Wide Dimming Range
_ LED String Short and Open Protection
_ Adjustable LED Current Rise/Fall Times Improve EMI Control
_ Microcontroller Interface Using I2C Allows
LED Voltage Monitoring and Optimization
Using a 7-Bit Internal ADC
LED Short and Open Detection
Dynamic Adjustment of LED String Currents and Output Voltage
Standby Mode
_ Integrated Boost/SEPIC Controller
_ External Switching Frequency Synchronization
_ 4.75V to 24V Operating Voltage Range and Withstands 40V Load Dump
_ Overvoltage and Overtemperature Protection
MAX16826应用:
LCD Backlighting:
Automotive Infotainment Displays
Automotive Cluster Displays
Industrial and Desktop Monitors
LCD TVs
Automotive Lighting:
Adaptive Front Lighting
Low- and High-Beam Assemblies

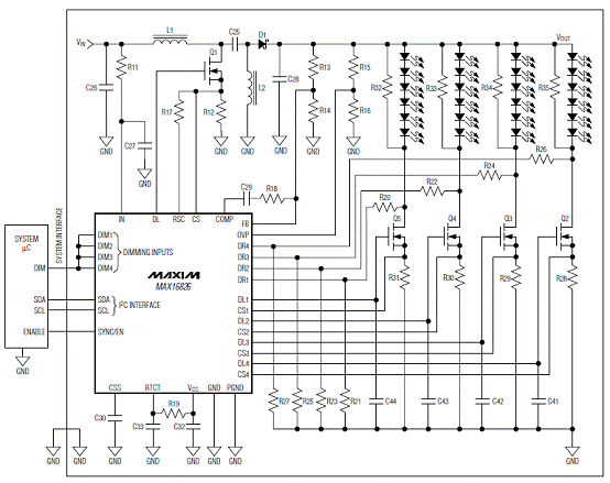
图1。MAX16826简化方框图

图2。MAX16826开关稳压器控制方框图

图3。MAX16826基于SEPIC的驱动器电路图

图4。MAX16826典型应用电路图
MAX16826评估板
The MAX16826 evaluation kit (EV kit) provides a proven design to evaluate the MAX16826, a four-string, I2C programmable high-brightness LED (HB LED) driver with
PWM dimming control. The EV kit also includes Windows® 2000/XP/Vista®-compatible software that provides a simple graphical user interface (GUI) for exercising the features of the MAX16826. The MAX16826 EV kit PCB comes with a MAX16826ATJ+ installed. The EV kit is configured in a boost application.
This EV kit can be modified by changing component values on the board for other configurations (including RGB LED applications). Refer to the MAX16826 IC data sheet for more information.
MAX16826评估板主要特性:
_ Four Independently Controllable LED Strings
_ 7 LEDs Per String Configuration
_ Independently Programmable 50mA to 150mA String Current
_ 7.5V to 22V Input Voltage
_ Can Withstand Automotive Load Dump Up to 40V for 400ms
_ 0% to 100% DIM Duty Cycle Range
_ Shorted LED Protection and Detection
_ Open LED String Detection
_ Adaptive Boost-Stage Voltage Optimization
_ Convenient Breakaway LED Driver Board Easily Adaptable to End Application
_ Low Mechanical Profile
_ Windows 2000/XP/Vista (32-Bit)-Compatible Software
_ USB-PC Interface
_ USB-to-I2C On-Board Circuitry
_ Fully Assembled and Tested
_ Lead-Free and RoHS Compliant

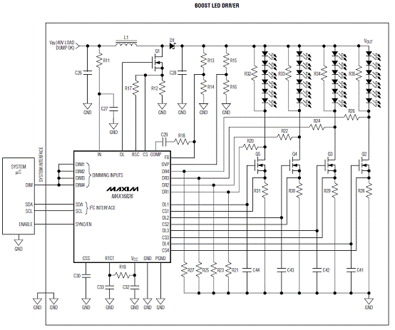
图5。MAX16826评估板LED驱动器电路图

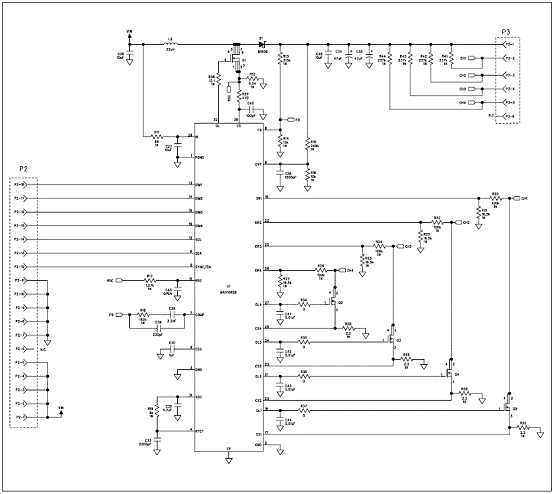
图6。MAX16826评估板控制器板电路图(1)

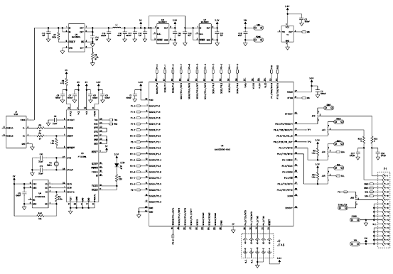
图7。MAX16826评估板控制器板电路图(2)
MAX16826评估板材料清单(BOM):

