时间:2010-09-15 09:38
人气:
作者:admin
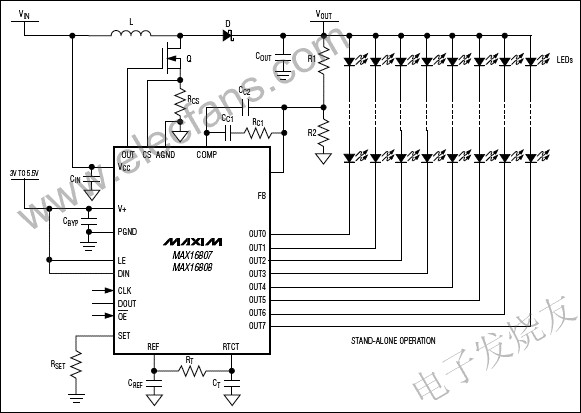
MAX16807是集成的、高效白色或RGB LED驱动器。这器件为具有多个LED串的LCD背光或其他LED照明应用而设计。MAX16807的电流模式PWM控制器调整LED阵列所需的电压。根据输入电压和LED电压范围,该器件可采用boost或buck-boost (SEPIC)拓扑。MAX16807具有8V至26.5V输入电压范围。较宽的频率调整范围(20kHz至1MHz)允许通过对效率和电路板空间进行折衷来优化设计。
MAX16807 LED驱动器包括8个漏极开路、恒定吸收电流的LED驱动器输出,额定连续工作电压为36V。LED电流控制电路可使LED串之间的电流匹配度精度达到±3%,能使高于55mA电流的LED串并联工作。输出使能引脚可用于同时对所有输出通道进行PWM调光。调光频率范围为50Hz至30kHz,调光比高达5000:1。恒流输出由单个电阻编程设置,每个输出通道的LED电流可调整至高达55mA。
MAX16807可运行于独立工作模式,也可以由微控制器(µC)通过工业标准的4线串行接口控制。
MAX16807具有过热保护功能,可工作于扩展的-40°C至+125°C温度范围,采用热增强型、带裸露焊盘的28引脚TSSOP封装。
关键特性
8个恒定电流输出通道(每通道电流高达55mA)
输出端的电流匹配度精度为±3%
并联通道使每个LED串具有更大电流
额定连续输出电压:36V
输出使能引脚实现PWM亮度调整(高达30kHz)
单个电阻设置所有通道的LED电流
宽亮度比:高达5000:1
低电流检测基准(300mV)实现高效率
8V至26.5V输入电压或采用外部偏置器件兼容更高的输入电压
4线串行接口控制单独的输出通道
图表

上一篇:LED灯的散热管理的低功耗设计
下一篇:城市路灯远程控制系统解决方案