全球最实用的IT互联网信息网站!

AI人工智能P2P分享&下载搜索网页发布信息网站地图

当前位置:诺佳网 > 电子/半导体 > 光电显示 >

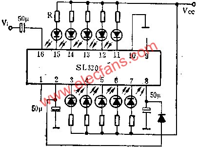
SL320双路五位LED电平显示驱动电路的应用

时间:2010-10-11 13:39

人气:

作者:admin

标签: LED  驱动电路 

导读:SL320双路五位LED电平显示驱动电路的应用-SL320是一块专门用于发光二极管音量指示的集成驱动电路.用一块SL320就能同时指示两个声道的功率电平大小,在单...

SL320是一块专门用于发光二极管音量指示的集成驱动电路.用一块SL320就能同时指示两个声道的功率电平大小,在单声道应用时可驱动10个发光二极管来指示功率电平大小.该电路所需外围元件较少,装置十分容易,广泛用于单声道或立体声收音机,收录机和扩大中作功率电平指示.

SL320双路五位LED电平显示驱动电路的应用  www.elecfans.com

SL320直接耦合法与电容耦合法接线图及实测数据表  www.elecfans.com

SL320电容耦合并联法接线图实测数据表  www.elecfans.com

SL320电容耦合并联法与电阻分压接线图  www.elecfans.com

温馨提示:以上内容整理于网络,仅供参考,如果对您有帮助,留下您的阅读感言吧!
相关阅读
本类排行
相关标签
本类推荐

CPU | 内存 | 硬盘 | 显卡 | 显示器 | 主板 | 电源 | 键鼠 | 网站地图

Copyright © 2025-2035 诺佳网 版权所有 备案号:赣ICP备2025066733号
本站资料均来源互联网收集整理,作品版权归作者所有,如果侵犯了您的版权,请跟我们联系。

关注微信