时间:2010-03-03 10:02
人气:
作者:admin
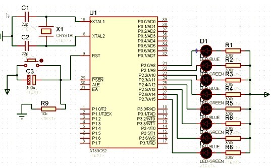
流水灯电路图和程序
#include
#include
#define uchar unsigned char
#define uint unsigned int
uchar code led[]={0xfe,0xfb,0xfd ,0xf7,0xef,0xbf,0xdf,0x
delay(uint z)
{
uint x,y;
for(x=z;x>0;x--)
for(y=110;y>0;y--);
}
main( )
{
uint i;
while(1)
{
P2=led[];
delay(500);
_crol_(led,1);
}
}