全球最实用的IT互联网信息网站!

AI人工智能P2P分享&下载搜索网页发布信息网站地图

当前位置:诺佳网 > 电子/半导体 > 光电显示 >

8X8LED点阵显示原理与编程技术

时间:2010-01-25 11:35

人气:

作者:admin

标签: 8X8LED  点阵显 

导读:8X8LED点阵显示原理与编程技术-8X8LED点阵显示原理与编程技术1.实验任务 在8X8 LED点阵上显示柱形,让其先从左到右平滑移动三次,其次从右到左平滑移动三次,再次从上到下平滑移动...

8X8LED点阵显示原理与编程技术

1.实验任务

在8X8 LED点阵上显示柱形,让其先从左到右平滑移动三次,其次从右到左平滑移动三次,再次从上到下平滑移动三次,最后从下到上平滑移动三次,如此循环下去。

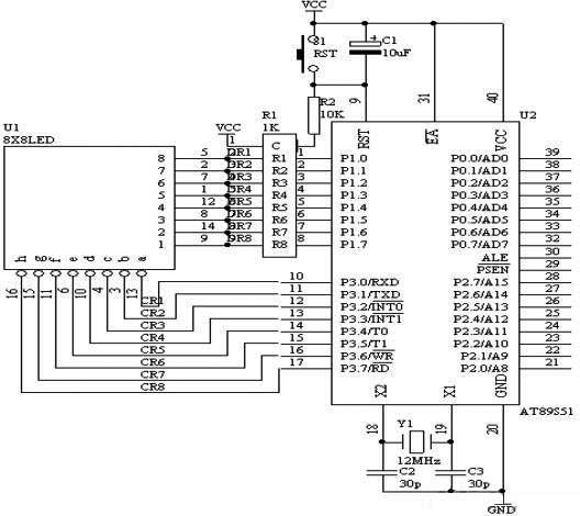
2.硬件电路连线

(1). 把“单片机系统”区域中的P1端口用8芯排芯连接到“点阵模块”区域中的“DR1-DR8”端口上;

(2). 把“单片机系统”区域中的P3端口用8芯排芯连接到“点阵模块”区域中的“DC1-DC8”端口上;

3. 电路原理

图4.24.1

4. 程序设计内容

(1). 8X8 点阵LED工作原理说明

8X8点阵LED结构如下图所示

图4.24.2

从图4.24.2中可以看出,8X8点阵共需要64个发光二极管组成,且每个发光二极管是放置在行线和列线的交叉点上,当对应的某一列置1电平,某一行置0电平,则相应的二极管就亮;因此要实现一根柱形的亮法,如图49所示,对应的一列为一根竖柱,或者对应的一行为一根横柱,因此实现柱的亮的方法如下所述:

一根竖柱:对应的列置1,而行则采用扫描的方法来实现。

一根横柱:对应的行置0,而列则采用扫描的方法来实现。

5.汇编源程序

MCS51单片机汇编程序

ORG 00H

START: NOP

MOV R3,#3

LOP2: MOV R4,#8

MOV R2,#0

LOP1: MOV P1,#0FFH

MOV DPTR,#TABA

MOV A,R2

MOVC A,@A+DPTR

MOV P3,A

INC R2

LCALL DELAY

DJNZ R4,LOP1

DJNZ R3,LOP2

MOV R3,#3

LOP4: MOV R4,#8

MOV R2,#7

LOP3: MOV P1,#0FFH

MOV DPTR,#TABA

MOV A,R2

MOVC A,@A+DPTR

MOV P3,A

DEC R2

LCALL DELAY

DJNZ R4,LOP3

DJNZ R3,LOP4

MOV R3,#3

LOP6: MOV R4,#8

MOV R2,#0

LOP5: MOV P3,#00H

MOV DPTR,#TABB

MOV A,R2

MOVC A,@A+DPTR

MOV P1,A

INC R2

LCALL DELAY

DJNZ R4,LOP5

DJNZ R3,LOP6

MOV R3,#3

LOP8: MOV R4,#8

MOV R2,#7

LOP7: MOV P3,#00H

MOV DPTR,#TABB

MOV A,R2

MOVC A,@A+DPTR

MOV P1,A

DEC R2

LCALL DELAY

DJNZ R4,LOP7

DJNZ R3,LOP8

LJMP START

DELAY: MOV R5,#10

D2: MOV R6,#20

D1: MOV R7,#248

DJNZ R7,$

DJNZ R6,D1

DJNZ R5,D2

RET

TABA: DB 0FEH,0FDH,0FBH,0F7H,0EFH,0DFH,0BFH,07FH

TABB: DB 01H,02H,04H,08H,10H,20H,40H,80H

END


6. C语言源程序

C程序

#include

unsigned char code taba[]={0xfe,0xfd,0xfb,0xf7,0xef,0xdf,0xbf,0x7f};

unsigned char code tabb[]={0x01,0x02,0x04,0x08,0x10,0x20,0x40,0x80};

void delay(void)

{

unsigned char i,j;

for(i=10;i>0;i--)

for(j=248;j>0;j--);

}

void delay1(void)

{

unsigned char i,j,k;

for(k=10;k>0;k--)

for(i=20;i>0;i--)

for(j=248;j>0;j--);

}

void main(void)

{

unsigned char i,j;

while(1)

{

for(j=0;j<3;j++) //from left to right 3 time

{

for(i=0;i<8;i++)

{

P3=taba[i];

P1=0xff;

delay1();

}

}

for(j=0;j<3;j++) //from right to left 3 time

{

for(i=0;i<8;i++)

{

P3=taba[7-i];

P1=0xff;

delay1();

}

}

for(j=0;j<3;j++) //from top to bottom 3 time

{

for(i=0;i<8;i++)

{

P3=0x00;

P1=tabb[7-i];

delay1();

}

}

for(j=0;j<3;j++) //from bottom to top 3 time

{

for(i=0;i<8;i++)

{

P3=0x00;

P1=tabb[i];

delay1();

}

}

}

}

温馨提示:以上内容整理于网络,仅供参考,如果对您有帮助,留下您的阅读感言吧!
相关阅读
本类排行
相关标签
本类推荐

CPU | 内存 | 硬盘 | 显卡 | 显示器 | 主板 | 电源 | 键鼠 | 网站地图

Copyright © 2025-2035 诺佳网 版权所有 备案号:赣ICP备2025066733号
本站资料均来源互联网收集整理,作品版权归作者所有,如果侵犯了您的版权,请跟我们联系。

关注微信