时间:2007-06-20 18:06
人气:
作者:admin
LED手电筒电路
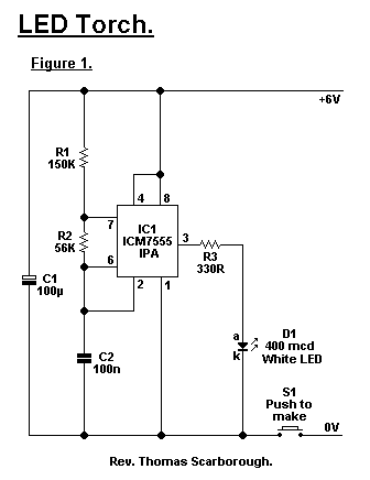
一般的小手电筒通常存在的问题是电池寿命太短。据统计,普通的手电筒耗电量大约在为2瓦。如图所示的LED手电筒所消耗的电量仅仅只有24mW,4节5号碱性电池可提供超过80次的服务(这意味着,可持续使用1个月)尽管这个手电筒的亮度很有限, 但用于普通行路时照明用是足够的了。
LED手电筒的核心是一个7555时基集成电路(不能使用普通的555)。一个白色的发光二极管(如果你找不到,只能用别的颜色代替)工作时发出的亮度大约为400mcd,这样当聚焦时,可照亮30米远的物体。
聚焦的办法是在LED的前面安装一个短焦距的聚焦透镜。
如果你希望使用其他的电压值,电阻R3的值必须修改:9V - 470欧 12V - 560欧

下一篇:多种闪烁灯电路图